Part Number Hot Search : 
2SC4902 11015 L7815 MP20051 SPX3819 P89C61X2 1N4474TR KBU400
Product Description
Full Text Search

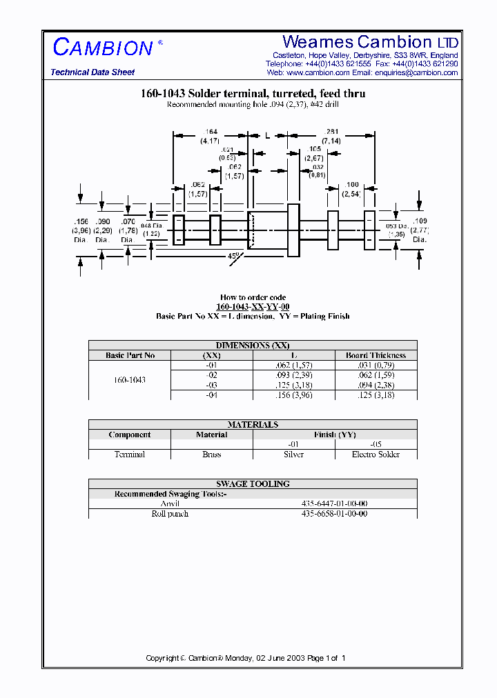
160-1043 - Solder terminal, turreted, feed thru

160-1043_4604309.PDF Datasheet


 Full text search : Solder terminal, turreted, feed thru
 Product Description search : Solder terminal, turreted, feed thru


 Related Part Number
PART Description Maker
160-2040 160-2040-02-01-00 BRASS, SILVER FINISH, PCB TERMINAL
Solder terminal, turreted, feed thru
WEARNES CAMBION LTD
CAMBION Electronic Components
160-1058 Solder terminal, turreted
CAMBION Electronic Components
160-2110 Solder terminal, turreted
CAMBION Electronic Components
160-2043 Solder terminal, turreted
CAMBION Electronic Components
160-2034 Solder terminal, turreted
CAMBION Electronic Components
180-2754 Solder terminal, turreted
CAMBION Electronic Components
160-1797 Solder terminal, turreted, thru hole
CAMBION Electronic Components
572-4820 Insulated solder terminal, Turreted
CAMBION Electronic Components
572-4882 Insulated solder terminal, Turreted
CAMBION Electronic Components
160-2044 Solder terminal, turreted, feed thru
CAMBION Electronic Components
572-4811 Insulated solder terminal, Turreted
CAMBION Electronic Components
 
 Related keyword From Full Text Search System
160-1043 address 160-1043 datasheet | даташит 160-1043 Planar 160-1043 Gate 160-1043 Level
160-1043 Corporation 160-1043 Mount 160-1043 Electronics 160-1043 Microelectronic 160-1043 Port
 

 

Price & Availability of 160-1043

All Rights Reserved © IC-ON-LINE 2003 - 2022  

[Add Bookmark] [Contact Us] [Link exchange] [Privacy policy]
Mirror Sites :  [www.datasheet.hk]   [www.maxim4u.com]  [www.ic-on-line.cn] [www.ic-on-line.com] [www.ic-on-line.net] [www.alldatasheet.com.cn] [www.gdcy.com]  [www.gdcy.net]


 . . . . .
  We use cookies to deliver the best possible web experience and assist with our advertising efforts. By continuing to use this site, you consent to the use of cookies. For more information on cookies, please take a look at our Privacy Policy. X
0.1852240562439