Part Number Hot Search : 
NE1802B RX5RW60 MC4558C TEA4451 SDR1MSMM S3000PT IRF641 A491MR
Product Description
Full Text Search

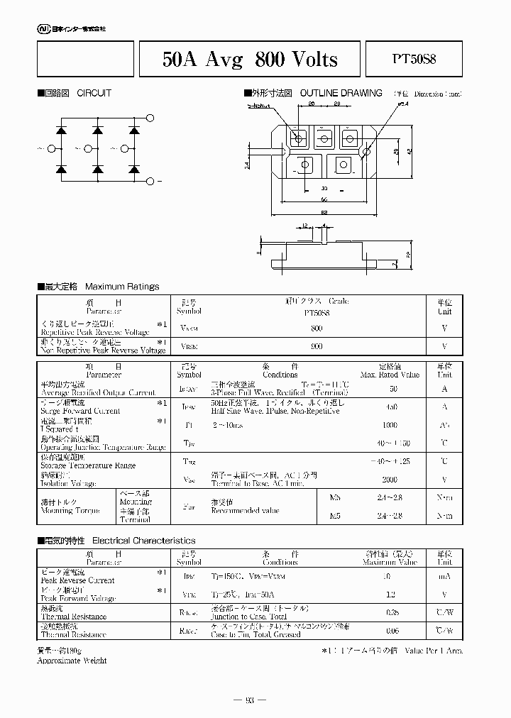
PT50S8 - 50A Avg 800 Volts

PT50S8_4598649.PDF Datasheet


 Full text search : 50A Avg 800 Volts
 Product Description search : 50A Avg 800 Volts


 Related Part Number
PART Description Maker
T9G03408 T9G02609 T9G0 T9G03809 T9G02608 T9G03609 Phase Control SCR (800-900 Amperes Avg 2400-4000 Volts) 第一阶段控制晶闸管(800-900安培平均2400-4000伏特
Powerex Power Semiconductors
Powerex, Inc.
PDH1518 150A Avg 800 Volts
Nihon Inter Electronics Corporation
PDT2018 PDT20181 200A Avg 800 Volts
Nihon Inter Electronics Corporation
PD2008 200A Avg 800 Volts
Nihon Inter Electronics Corporation
PDT4008 PAH4008 PAT4008 PCH4008 PDH4008 PAH PAT PD THYRISTOR 400A AVG 800 VOLTS
Nihon Inter Electronics...
NIEC[Nihon Inter Electronics Corporation]
C430AX550 Phase Control SCR 800 Amperes Avg 100-400 Volts
Powerex Power Semiconductors
C430CX550 C430DX550 C430BX550 Phase Control SCR 800 Amperes Avg 100-400 Volts
Powerex Power Semicondu...
POWEREX[Powerex Power Semiconductors]
PDT608 PDT6081 PCH608 60A Avg 800 Volts
   60A Avg 800 Volts
Nihon Inter Electronics Corporation
Nihon Inter Electronics...
MAC320-10 MAC320-4 MAC320-6 MAC320-8 MAC320A10 MAC TRIACs 20 AMPERES RMS 200 thru 800 VOLTS 200 V, 20 A, TRIAC, TO-220AB
TRIACs 20 AMPERES RMS 200 thru 800 VOLTS 600 V, 20 A, TRIAC, TO-220AB
RF/Coaxial Connector; RF Coax Type:MMCX; Impedance:50ohm; Body Style:Straight Plug; Frequency Max:6GHz; Mounting Type:Edge Card; Voltage Rating:170V RoHS Compliant: Yes 800 V, 20 A, TRIAC, TO-220AB
TRIACs 20 AMPERES RMS 200 thru 800 VOLTS 800 V, 20 A, TRIAC, TO-220AB
Motorola Mobility Holdings, Inc.
Motorola, Inc.
PD200KN8 200 Avg 800 Volts
Nihon Inter Electronics Corporation
MAC229-4 MAC229-6 MAC229-8 MAC229-10 MAC229A10 MAC TRIACs 8 AMPERES RMS 200 thru 800 VOLTS 800 V, 8 A, TRIAC, TO-220AB
Motorola Mobility Holdings, Inc.
 
 Related keyword From Full Text Search System
PT50S8 Server PT50S8 atmel PT50S8 Microcontroller PT50S8 preis PT50S8 gate
PT50S8 surface PT50S8 description PT50S8 Ic on line PT50S8 Temperature PT50S8 transformer
 

 

Price & Availability of PT50S8

All Rights Reserved © IC-ON-LINE 2003 - 2022  

[Add Bookmark] [Contact Us] [Link exchange] [Privacy policy]
Mirror Sites :  [www.datasheet.hk]   [www.maxim4u.com]  [www.ic-on-line.cn] [www.ic-on-line.com] [www.ic-on-line.net] [www.alldatasheet.com.cn] [www.gdcy.com]  [www.gdcy.net]


 . . . . .
  We use cookies to deliver the best possible web experience and assist with our advertising efforts. By continuing to use this site, you consent to the use of cookies. For more information on cookies, please take a look at our Privacy Policy. X
0.090126991271973