Part Number Hot Search : 
MBR120 2SK168F TC07EOA 54000 SMY61 TLGE68CG HD64177 NJM79M05
Product Description
Full Text Search

GSC34063 - Automotive Relays; V23086C1001A403 ( Tyco Electronics ) 直流到直流转换控制器 DC TO DC CONVERTER CONTROLLER

GSC34063_4565078.PDF Datasheet


 Full text search : Automotive Relays; V23086C1001A403 ( Tyco Electronics ) 直流到直流转换控制器 DC TO DC CONVERTER CONTROLLER
 Product Description search : Automotive Relays; V23086C1001A403 ( Tyco Electronics ) 直流到直流转换控制器 DC TO DC CONVERTER CONTROLLER


 Related Part Number
PART Description Maker
1904015-5 2-1904015-1 1-1904015-3 V23234-B0002-X01 Power Relay B Plug-in Mini ISO Relays Automotive Relays
Tyco Electronics
EP2-B4N5T EN2-1H1 EN2-1H1S EN2-1H1ST EN2-1H1T EN2- AUTOMOTIVE RELAYS (Twin, Single) Relays
Twin relay for motor and solenoid reversible control
NEC[NEC]
HF3508A Automotive Flashing Relays
ETC
EP1S AUTOMOTIVE RELAYS LOW SOUND PRESSURE
NEC Corp.
GSC79L09 GSC79L05 GSC79L12 GSC79L24 GSC79L18 GSC79 Automotive Relays; V23071A1009A132 ( Tyco Electronics )
NEGATIVE VOLTAGE REGULATOR
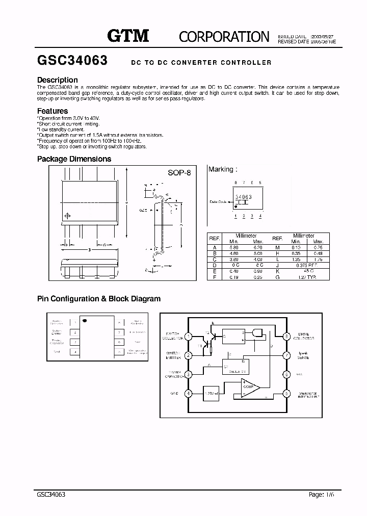
GTM CORPORATION
CA1A-12V-C-5 CA1BF-12V-N-5 CA1 CA1A-12V-A-5 CA1A-1 AUTOMOTIVE POWER RELAYS SMALL SIZE, LIGHT WEIGHT AND COMPLETELY WATER TIGHT
Matsushita Electric Works(Nais)
NAIS[Nais(Matsushita Electric Works)]
2-1416001-0 1-1416001-4 V23072-A1061-A303 V23072-A PCB relays Single relays Mini power relay K (open and sealed)
Tyco Electronics
SR6A4012 SR6A4024 SR6A4005 SR6A4048 SR6A4021 SR6C4 General Purpose Relays, Force Guided Relays
Tyco Electronics
4-1415410-8 1670685 General Purpose Relays PCB Relays
Tyco Electronics
3-1393240-9 General Purpose Relays PCB Relays
Tyco Electronics
RY531012R General Purpose Relays PCB Relays
Tyco
 
 Related keyword From Full Text Search System
GSC34063 cmos GSC34063 semiconductor GSC34063 Serial GSC34063 Planar GSC34063 amplifier
GSC34063 serial GSC34063 samsung GSC34063 Processors GSC34063 Pass GSC34063 voltage vgs
 

 

Price & Availability of GSC34063

All Rights Reserved © IC-ON-LINE 2003 - 2022  

[Add Bookmark] [Contact Us] [Link exchange] [Privacy policy]
Mirror Sites :  [www.datasheet.hk]   [www.maxim4u.com]  [www.ic-on-line.cn] [www.ic-on-line.com] [www.ic-on-line.net] [www.alldatasheet.com.cn] [www.gdcy.com]  [www.gdcy.net]


 . . . . .
  We use cookies to deliver the best possible web experience and assist with our advertising efforts. By continuing to use this site, you consent to the use of cookies. For more information on cookies, please take a look at our Privacy Policy. X
0.039298057556152