Part Number Hot Search : 
AN8086 FDD8796 LM2575BN 170M1310 AD518 SWSS0 3HXXX CS534308
Product Description
Full Text Search

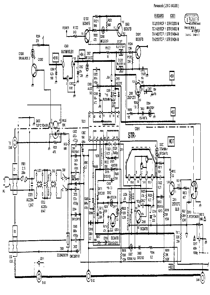
STR51424 - POWER SUPPLY

STR51424_4509106.PDF Datasheet


 Full text search : POWER SUPPLY
 Product Description search : POWER SUPPLY


 Related Part Number
PART Description Maker
ASM809TEUR-T ASM810TEUR ASM810SEUR ASM810REUR ASM8 4.00 V, 3 pin microcontroller power supply supervisor
4 V, 3 pin microcontroller power supply supervisor
2.93 V, 3 pin microcontroller power supply supervisor
3.08 V, 3 pin microcontroller power supply supervisor
2.63 V, 3 pin microcontroller power supply supervisor
4.38 V, 3 pin microcontroller power supply supervisor
4.63 V, 3 pin microcontroller power supply supervisor
3 Pin Microcontroller Power Supply Supervisor 1-CHANNEL POWER SUPPLY SUPPORT CKT, PDSO3
Low Power CPU Supervisors
Alliance Semiconductor, Corp.
ALSC
Alliance Semiconductor Corporation
Alliance Semiconductor Corp...
TRANS-STK084 TRANS-STK085 TRANS-STK086 TRANS-STK0 Aluminum Electrolytic Radial Lead Extremely Low Impedance Capacitor; Capacitance: 2200uF; Voltage: 16V; Case Size: 12.5x31.5 mm; Packaging: Bulk
IMST, 1 Channel by 2 Power Supply
(STK0xx) IMST 1 Channel by 2 Power Supply
IMST/ 1 Channel by 2 Power Supply
JT 21C 21#16 SKT RECP
N.A.
ETC[ETC]
List of Unclassifed Manufacturers
Electronic Theatre Controls, Inc.
List of Unclassifed Manufac...
ADM709SAN ADM709TAN ADM709TAR ADM709MARZ-REEL ADM7 Power Supply Monitor with Resst
Power Supply Monitor with Reset; Package: PDIP; No of Pins: 8; Temperature Range: Industrial
Power Supply Monitor with Reset; Package: SOIC; No of Pins: 8; Temperature Range: Industrial 1-CHANNEL POWER SUPPLY SUPPORT CKT, PDSO8
Power Supply Monitor with Reset 1-CHANNEL POWER SUPPLY SUPPORT CKT, PDSO8
ANALOG DEVICES INC
Analog Devices, Inc.
NCP112P Supervisory IC for Desktop Power Supply Monitoring 3-CHANNEL POWER SUPPLY SUPPORT CKT, PDIP14
ON Semiconductor
CAT853 CAT853CTBI-G CAT853FTBI-G CAT853MTBI-G CAT8 Supervisor, Open drain, Act low 1-CHANNEL POWER SUPPLY SUPPORT CKT, PDSO3
3-Pin Microprocessor Power Supply Supervisors
ON Semiconductor
S8VM-10005 S8VM-10005C S8VM-10005D S8VM-10005CD S8 Power Supply Featuring OMRON’s Unique, New Undervoltage Alarm Function with Compact Body Contributing to Machine Downsizing
Switch Mode Power Supply
Omron Electronics LLC
SG6518 SG6518DZ SG6518SZ 4-CHANNEL POWER SUPPLY SUPPORT CKT, PDSO16
LCD Power Supply Supervisor
FAIRCHILD SEMICONDUCTOR CORP
S8VS-09024 S8VS-06024 S8VS-06024A S8VS-09024B S8VS Switch mode Power Supply (Visible and Slim New Din Rail Power Supply)
OMRON[Omron Electronics LLC]
KTD921 Darlington Transistor
TRIPLE DIFFUSED NPN TRANSISTOR (COLOR & B/W TV POWER SUPPLY, INDUSTRIAL USE POWER SUPPLY, GENERAL PURPOSE POWER AMPLIFIER DARLINGRON TRANSISTOR)
Korea Electronics (KEC)
KEC[KEC(Korea Electronics)]
MB3771PF-G-BND-JNE1 ASSP For power supply applications BIPOLAR Power Supply Monitor
Fujitsu Component Limited.
STK401-020 STK401-140 STK401-010 STK401-340 STK400 2ch AF Power Amplifier (Split Power Supply) 30W 30 W, THD = 0.08%
AF Power Amplifier (Split Power Supply) (50 W 50 W 50W min THD = 0.08%)
3ch AF Power Amplifier (Split Power Supply) (25 W 25 W 25 W THD = 0.4%)
AF Power Amplifier (Split Power Supply) (15 W 15 W min THD = 0.4%)
SANYO[Sanyo Semicon Device]
 
 Related keyword From Full Text Search System
STR51424 atmel STR51424 instruments STR51424 battery mcu STR51424 synchronous STR51424 Voltage
STR51424 siemens STR51424 speed STR51424 filetype:pdf STR51424 microchip STR51424 查询
 

 

Price & Availability of STR51424

All Rights Reserved © IC-ON-LINE 2003 - 2022  

[Add Bookmark] [Contact Us] [Link exchange] [Privacy policy]
Mirror Sites :  [www.datasheet.hk]   [www.maxim4u.com]  [www.ic-on-line.cn] [www.ic-on-line.com] [www.ic-on-line.net] [www.alldatasheet.com.cn] [www.gdcy.com]  [www.gdcy.net]


 . . . . .
  We use cookies to deliver the best possible web experience and assist with our advertising efforts. By continuing to use this site, you consent to the use of cookies. For more information on cookies, please take a look at our Privacy Policy. X
0.085146903991699