Part Number Hot Search : 
10900 2SD728 514400C P14NF 2A104M V1N4133 2SK2559 2SC23
Product Description
Full Text Search

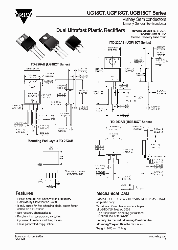
UG18CCT - Dual Ultrafast Plastic Rectifiers, Forward Current 18A, Reverse Recovery Time 20ns

UG18CCT_4448552.PDF Datasheet


 Full text search : Dual Ultrafast Plastic Rectifiers, Forward Current 18A, Reverse Recovery Time 20ns
 Product Description search : Dual Ultrafast Plastic Rectifiers, Forward Current 18A, Reverse Recovery Time 20ns


 Related Part Number
PART Description Maker
MURF1620CT Dual Ultrafast Plastic Rectifiers
EIC discrete Semiconductors
BYV29F-400 BYV29F-300 BYV29F Dual Ultrafast Plastic Rectifiers
EIC[EIC discrete Semiconductors]
U30DCT-E3_4W UB30DCT-E3_4W UB30DCT-E3_8W U30DCT-E3 Dual Common-Cathode Ultrafast Plastic Rectifier
Vishay Siliconix
UG30DPT-E3-45 UG30CPT UG30BPT Dual Common-Cathode Ultrafast Plastic Rectifier
http://
Vishay Siliconix
UGB18ACT UG18DCT-E3_45 UGF18DCT-E3_45 UGB18DCT-E3_ Dual Common-Cathode Ultrafast Plastic Rectifier
Vishay Siliconix
URF1650 Switchmode Full Plastic Dual Ultrafast Power Rectifiers
MOSPEC SEMICONDUCTOR CORP.
URF1620 URF1605 URF1610 URF1615 Switchmode Full Plastic Dual Ultrafast Power Rectifiers
MOSPEC[Mospec Semiconductor]
UG30APT UG30BPT UG30CPT (UG30APT - UG30DPT) Dual Common-Cathode Ultrafast Plastic Rectifier
Vishay Siliconix
UF3001 UF3002 UF3003 UF3004 UF3005 UF3006 UF3007 Ultra Fast Recovery Pack: DO-201AD
ULTRAFAST EFFICIENT PLASTIC SILICON RECTIFIER VOLTAGE拢潞50 TO 1000V CURRENT拢潞 3.0A
ULTRAFAST EFFICIENT PLASTIC SILICON RECTIFIER VOLTAGE?0 TO 1000V CURRENT 3.0A
ULTRAFAST EFFICIENT PLASTIC SILICON RECTIFIER VOLTAGE?0 TO 1000V CURRENT?/a> 3.0A
ULTRAFAST EFFICIENT PLASTIC SILICON RECTIFIER VOLTAGE?0 TO 1000V CURRENT?3.0A
Gulf Semiconductor
GI2404 GI2404/45 16 A, 200 V, SILICON, RECTIFIER DIODE, TO-220AB
Dual Ultrafast Plastic Rectifier
VISHAY SEMICONDUCTORS
 
 Related keyword From Full Text Search System
UG18CCT corp UG18CCT Volt UG18CCT 应用线路 UG18CCT battery charger circuit UG18CCT specification
UG18CCT Digital UG18CCT max UG18CCT huck UG18CCT Interrupt UG18CCT interface
 

 

Price & Availability of UG18CCT

All Rights Reserved © IC-ON-LINE 2003 - 2022  

[Add Bookmark] [Contact Us] [Link exchange] [Privacy policy]
Mirror Sites :  [www.datasheet.hk]   [www.maxim4u.com]  [www.ic-on-line.cn] [www.ic-on-line.com] [www.ic-on-line.net] [www.alldatasheet.com.cn] [www.gdcy.com]  [www.gdcy.net]


 . . . . .
  We use cookies to deliver the best possible web experience and assist with our advertising efforts. By continuing to use this site, you consent to the use of cookies. For more information on cookies, please take a look at our Privacy Policy. X
0.060312986373901