Part Number Hot Search : 
BFXXXX HD63266 STK4040V 80CNQ 92610 CEB14G04 BUW11AF SDR3000
Product Description
Full Text Search

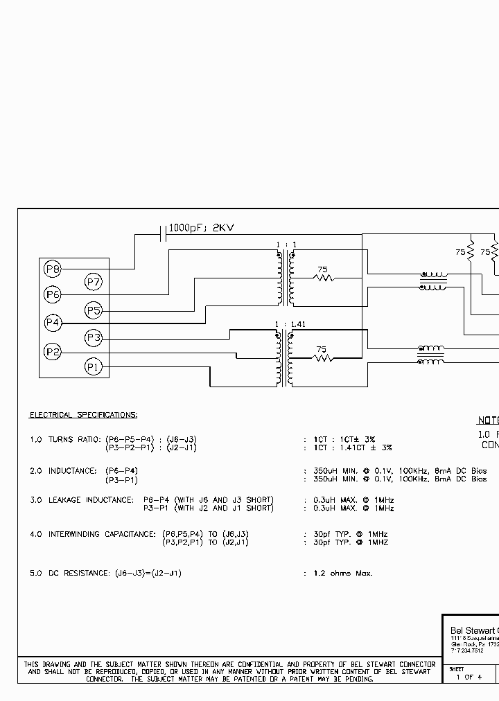
SI-40235 - SI-40235 DATACOM TRANSFORMER FOR GENERAL PURPOSE APPLICATION(S)

SI-40235_4177523.PDF Datasheet


 Full text search : SI-40235 DATACOM TRANSFORMER FOR GENERAL PURPOSE APPLICATION(S)
 Product Description search : SI-40235 DATACOM TRANSFORMER FOR GENERAL PURPOSE APPLICATION(S)


 Related Part Number
PART Description Maker
HS00 HS00-99540 HS00-99159 HS00-05133 HS00-04119 H Gigabit Ethernet Networking Products DATACOM TRANSFORMER FOR 10/100 APPLICATION(S)
Gigabit Ethernet Networking Products DATACOM TRANSFORMER FOR 10/100/1000 APPLICATION(S)
Gigabit Ethernet Networking Products DATACOM TRANSFORMER FOR 10/100; ETHERNET APPLICATION(S)
Gigabit Ethernet Networking Products DATACOM TRANSFORMER FOR 10 BASE-T APPLICATION(S)
BI Technologies Corporation
BI Technologies, Corp.
CLP42B-101 DATACOM TRANSFORMER FOR LAN APPLICATION(S)
SUMIDA CORP
PT23303L DATACOM TRANSFORMER FOR ISDN APPLICATION(S)
BOURNS INC
RLUE1060-P1-B DATACOM TRANSFORMER FOR LAN APPLICATION(S)

78250MVC-R DATACOM TRANSFORMER FOR GENERAL PURPOSE APPLICATION(S)
C&D TECHNOLOGIES INC
E828B-2F02U4 E828B-2F02U5 E828B-2F02U3 E828B-2F02U DATACOM TRANSFORMER FOR GENERAL PURPOSE APPLICATION(S)
Pulse Electronics, Corp.
PULSE ELECTRONICS CORP
AH1603CI H1609CS DATACOM TRANSFORMER FOR 10/100 BASE-T APPLICATION(S)
ALLIED COMPONENTS INTERNATIONAL
E5TAB-G80111 E5TAB-G40411 E5TAB-G40413 DATACOM TRANSFORMER FOR 10/100 BASE-TX APPLICATION(S)
PULSE ELECTRONICS CORP
PM-DB2791S DATACOM TRANSFORMER FOR GENERAL PURPOSE APPLICATION(S)
Holt Integrated Circuits, Inc.
000-7382-35R-LF1 DATACOM TRANSFORMER FOR GENERAL PURPOSE APPLICATION(S)
WURTH ELEKTRONIK GMBH & CO KG
E5TAB-GQCT02 DATACOM TRANSFORMER FOR 10/100 BASE-TX APPLICATION(S)
PULSE ELECTRONICS CORP
 
 Related keyword From Full Text Search System
SI-40235 temperature SI-40235 Pin SI-40235 table SI-40235 found SI-40235 usb charger circuit
SI-40235 Dropout SI-40235 wire SI-40235 Specification SI-40235 circuit SI-40235 protection ic
 

 

Price & Availability of SI-40235

All Rights Reserved © IC-ON-LINE 2003 - 2022  

[Add Bookmark] [Contact Us] [Link exchange] [Privacy policy]
Mirror Sites :  [www.datasheet.hk]   [www.maxim4u.com]  [www.ic-on-line.cn] [www.ic-on-line.com] [www.ic-on-line.net] [www.alldatasheet.com.cn] [www.gdcy.com]  [www.gdcy.net]


 . . . . .
  We use cookies to deliver the best possible web experience and assist with our advertising efforts. By continuing to use this site, you consent to the use of cookies. For more information on cookies, please take a look at our Privacy Policy. X
0.37133002281189