Part Number Hot Search : 
3PSFXYY 1128CJ8 39112 2SB1490 2SK951 S10C35 232002 ISL6421A
Product Description
Full Text Search

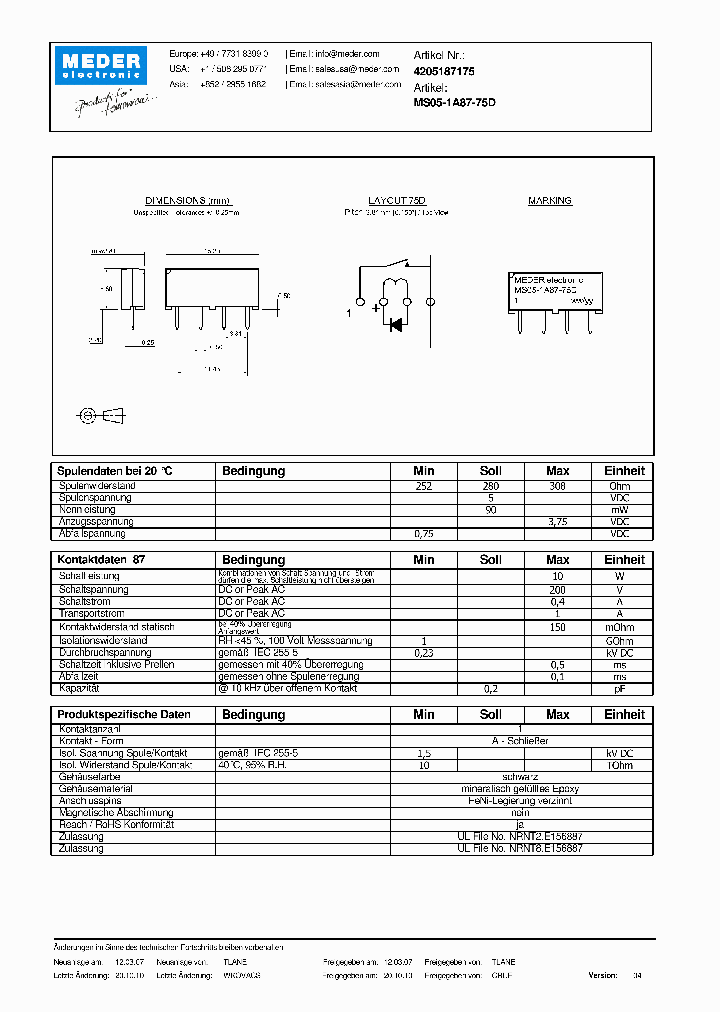
MS05-1A87-75DDE - (deutsch) MS Reed Relay

MS05-1A87-75DDE_4242497.PDF Datasheet


 Full text search : (deutsch) MS Reed Relay
 Product Description search : (deutsch) MS Reed Relay


 Related Part Number
PART Description Maker
NP24-1C90-2500-250 NP24-1C90-2500-250DE NP Reed Relays
(deutsch) NP Reed Relay
Meder Electronic
NP24-1A71-5000-213 NP24-1A66-5000-213 NP24-1A66-50 NP Reed Relays
(deutsch) NP Reed Relay
Meder Electronic
http://
BE12-1A85-P BE12-1A85-PDE BE Reed Relays
(deutsch) BE Reed Relay
Meder Electronic
BE12-2B71-M BE12-2B66-M BE12-2B66-MDE BE12-2B71-MD BE Reed Relays
(deutsch) BE Reed Relay
Meder Electronic
NP05-1C90-500-250 NP05-1C90-500-250DE NP Reed Relays
(deutsch) NP Reed Relay
Meder Electronic
BE24-1B71-V BE24-1B66-V BE24-1B66-VDE BE24-1B71-VD BE Reed Relays
(deutsch) BE Reed Relay
Meder Electronic
HM05-1A69-02DE (deutsch) HM Reed Relay
Meder Electronic
HE24-1A69-02DE (deutsch) HE Reed Relay
Meder Electronic
H12-1B69DE (deutsch) H Reed Relay
Meder Electronic
H12-1B83DE (deutsch) H Reed Relay
Meder Electronic
HM12-1E69-150DE (deutsch) HM Reed Relay
Meder Electronic
 
 Related keyword From Full Text Search System
MS05-1A87-75DDE cost MS05-1A87-75DDE pulse MS05-1A87-75DDE hlmp MS05-1A87-75DDE Bandwidth MS05-1A87-75DDE availability
MS05-1A87-75DDE Description MS05-1A87-75DDE ethernet transceiver MS05-1A87-75DDE 替换 MS05-1A87-75DDE vdd MS05-1A87-75DDE Controller
 

 

Price & Availability of MS05-1A87-75DDE

All Rights Reserved © IC-ON-LINE 2003 - 2022  

[Add Bookmark] [Contact Us] [Link exchange] [Privacy policy]
Mirror Sites :  [www.datasheet.hk]   [www.maxim4u.com]  [www.ic-on-line.cn] [www.ic-on-line.com] [www.ic-on-line.net] [www.alldatasheet.com.cn] [www.gdcy.com]  [www.gdcy.net]


 . . . . .
  We use cookies to deliver the best possible web experience and assist with our advertising efforts. By continuing to use this site, you consent to the use of cookies. For more information on cookies, please take a look at our Privacy Policy. X
0.032618999481201