Part Number Hot Search : 
TIP11 WFF730 MF0MOU21 CA723E 40015 43001 ISL62 4S5116
Product Description
Full Text Search

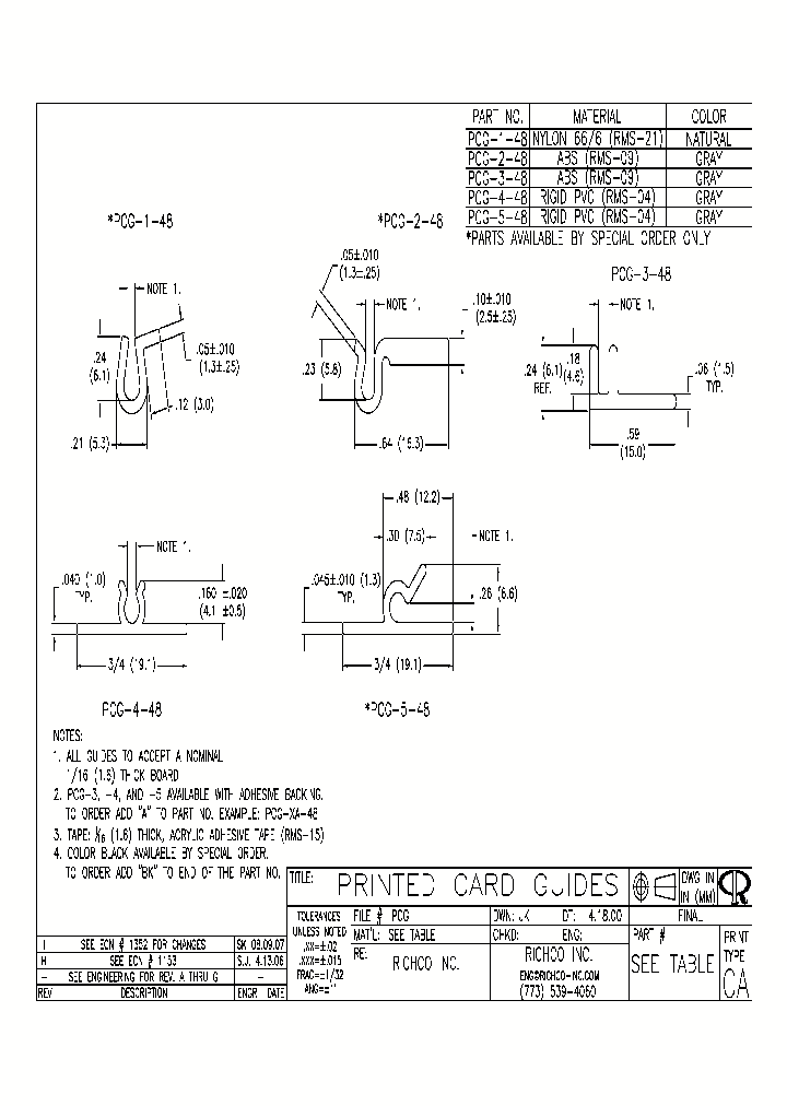
PCG-5-48 - PRINTED CARD GUIDES

PCG-5-48_3769767.PDF Datasheet


 Full text search : PRINTED CARD GUIDES
 Product Description search : PRINTED CARD GUIDES


 Related Part Number
PART Description Maker
LCBA6SG LCBA6SG-V1AB-2J8L Coupling into light guides
OSRAM GmbH
LSGT77K-JL-1HK-1 coupling into light guides
OSRAM GmbH
SST48CF048-C1 SST48CF024-C1 SST48CF032-C1 SST48CF0 CAP ROUND W/SHUTTER WINDOW BLU
CompactFlash Card 4M X 16 FLASH 3.3V PROM CARD, 100 ns, XMA50
CompactFlash Card CF
Silicon Storage Technology, Inc.
2202313 Light guides, can be used for the ME, ME-MAX, ME-IO, ME PLC, and EH housing ranges (housing must be processed), color: transparent
PHOENIX CONTACT
MAX1741EUB MAX1741 MAX1740EUB MAX1740 SIM/Smart Card Level Translators in ??AX
SIM/Smart-Card Level Translators in µMAX
SIM/Smart Card Level Translators in MAX
SIM/Smart Card Level Translators in μMAX
SIM/Smart Card Level Translators in レMAX
SIM/Smart Card Level Translators in uMAX
Digital Signal Processors 144-LQFP
MAXIM INTEGRATED PRODUCTS INC
Maxim Integrated Products, Inc.
MAXIM - Dallas Semiconductor
Maixm
MAXIM[Maxim Integrated Products]
KL195W01 LED, SMD
Etremely Wde viewing angle; ideal for backlighting and Coupling light guides Etremely Wde视角,适用于背光和光耦合指南
COSMO[COSMO Electronics Corporation]
Cosmo Electronics
DS8007-ENG DS800711 Multiprotocol Dual Smart Card Interface 8kV (min) ESD Protection on Card Interfaces
Maxim Integrated Products
TC6374AF PC Card ATA to SD Memory Card, MultiMediaCard and SmartMedia-TM Controller
TOSHIBA[Toshiba Semiconductor]
0671550001 1.27mm (.050) Pitch CF Card Header - Low Profile, Right Angle, SMT Bottom Mount for Type II Card, Tray Packaging
Molex Electronics Ltd.
CE22A-1.00 CE22E-1.00 CO21Q-1.00 CO21Q-1.00-T CO21 Model 7020 Digital I/O Card w/ 40 Inputs, 40 Outputs and Mass-Terminated 96-Pin Connector (for Models 7001 and 7002)
Model 7035 9-Bank, 1x4 Mux Card (for Models 7001 and 7002)
Model 7038 75 Ohm, 2GHz Mux Card (for Models 7001 and 7002)
Model 7065 Hall Effect Card (for Models 7001 and 7002)
Crystal Oscillator 晶体振荡
Model 3750-ST Screw Terminal Block 晶体振荡
SCHURTER AG
HIROSE ELECTRIC Co., Ltd.
Honeywell International, Inc.
Microchip Technology, Inc.
 
 Related keyword From Full Text Search System
PCG-5-48 Fairchild PCG-5-48 Micropower PCG-5-48 usb charger circuit PCG-5-48 filetype:pdf PCG-5-48 Data
PCG-5-48 Filter PCG-5-48 pitch PCG-5-48 surface PCG-5-48 components PCG-5-48 Rectifier
 

 

Price & Availability of PCG-5-48

All Rights Reserved © IC-ON-LINE 2003 - 2022  

[Add Bookmark] [Contact Us] [Link exchange] [Privacy policy]
Mirror Sites :  [www.datasheet.hk]   [www.maxim4u.com]  [www.ic-on-line.cn] [www.ic-on-line.com] [www.ic-on-line.net] [www.alldatasheet.com.cn] [www.gdcy.com]  [www.gdcy.net]


 . . . . .
  We use cookies to deliver the best possible web experience and assist with our advertising efforts. By continuing to use this site, you consent to the use of cookies. For more information on cookies, please take a look at our Privacy Policy. X
0.038544893264771