Part Number Hot Search : 
T1010H BSO305N ILE4270G 87832 ADUM4160 D3Z6V2BF LBS13402 TDA7266
Product Description
Full Text Search

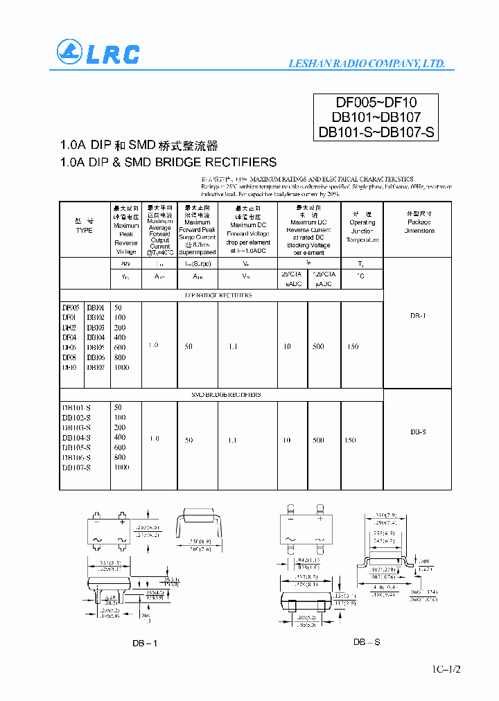
DB171-S - 1.0A DIP & SMD BRIDGE RECTIFIERS

DB171-S_3377907.PDF Datasheet


 Full text search : 1.0A DIP & SMD BRIDGE RECTIFIERS
 Product Description search : 1.0A DIP & SMD BRIDGE RECTIFIERS


 Related Part Number
PART Description Maker
DB171-S 1.0A DIP & SMD BRIDGE RECTIFIERS
Leshan Radio Company
SF10A01 SF10A02 SF10A04 SF10A03 SF10A05 SF10A06 Glass Passivated Super Fast Recovery Rectifie
YENYO TECHNOLOGY Co., Ltd
1BQ40 1BQ20    1A SINGLE PHASE D.I.L SCHOTTKY BRIDGE
40V 1A Schottky BRIDGE Diode in a D-70 (Bridge) package
20V 1A Schottky BRIDGE Diode in a D-70 (Bridge) package
1 A, 40 V, SILICON, BRIDGE RECTIFIER DIODE
DIODE 1 A, 20 V, SILICON, BRIDGE RECTIFIER DIODE, PLASTIC, DIP-4, Bridge Rectifier Diode
IRF[International Rectifier]
Vishay Semiconductors
GBPC1210 GBPC2501 GBPC35005 GBPC3510 GBPC25005 GBP    GLASS PASSIVATED SINGLE-PHASE BRIDGE RECTIFIER
3 A, Wide Input Non-Isolated, Wide Negative Output Adjust Module 7-DIP MODULE -40 to 85
Glass Passivated Single-Phase Bridge Rectifier(钝化玻璃单相桥整流器) 玻璃钝化单相桥式整流器(钝化玻璃单相桥整流器
ECONOLINE: RSZ/P - 1kVDC ECONOLINE:RSZ / P - 1kVDC 2kVDC隔离UL94V - 0封装材料所需的散热片,无外置。组件所需的环形磁ContinuousShort电路保护 P的后缀
3 A, Wide Input Non-Isolated, Wide Output Adjust Module 7-DIP MODULE -40 to 85 玻璃钝化单相桥式整流
6-W, 3.3/5-V Input, Wide Adjust Output Positive-to-Negative Converter 5-DIP MODULE
0.8 to 1.8 V 16-A, 12-V Input, Non-Isolated Wide-Adjust SIP Module 12-SIP MODULE -40 to 85
6-A Wide-Input Voltage Adjustable Switching Regulator 7-DIP MODULE -40 to 85
50-A, 8-V to 14-V Input, Non-Isolated, Wide-Output Adjust, Vertical Power Module 21-DIP MODULE -40 to 85
HIGH CURRENT SILICON BRIDGE RECTIFIER(VOLTAGE - 50 to 800 Volts CURRENT - 35 Amperes)
Isolated Flyback Switching Regulator with 9V Output
GE Security, Inc.
Pan Jit International Inc.
GE[General Semiconductor]
GP02-17A    High Voltage 1.0A Sintered Glass Passivated Rectifie
Olitech Electronics Co....
2042110LPSRTRN 204211ESRTRN 2042112LPSRTRN 204212E SMD DIP SWITCH
CTS Corporation
G301 SMD & DIP RF/PULSE TRANSFORMERS
VITEC ELECTRONICS CORPORATION
ETC[ETC]
List of Unclassifed Manufacturers
218-02LPST 218-2LPSTR 218-12LPSTJRF SMT Half Pitch DIP Switch?Auto Placeable
Half Pitch, SMD DIP Switch
CTS Corporation
1W10GM 1W005GM 1W01GM 1W02GM 1W04GM 1W06GM 1W08GM Single Phase 1.0 AMP. Glass Passivated Bridge Rectifiers
6-PIN,DIP,0.3''''WIDE,STAMPED,TIN
TSC[Taiwan Semiconductor Company, Ltd]
Taiwan Semiconductor Co., Ltd.
SDHH-8-TR SDHH SDHH-4-TR Half Pitch SMD DIP Switch
BOURNS[Bourns Electronic Solutions]
SDHH-8-TR SDHH-4-TR Half Pitch SMD DIP Switch
Bourns Inc.
 
 Related keyword From Full Text Search System
DB171-S linear DB171-S 替换 DB171-S Rectifier DB171-S components DB171-S m85049
DB171-S table DB171-S eeprom pdf DB171-S barrier DB171-S usb-hs otg DB171-S usb charger circuit
 

 

Price & Availability of DB171-S

All Rights Reserved © IC-ON-LINE 2003 - 2022  

[Add Bookmark] [Contact Us] [Link exchange] [Privacy policy]
Mirror Sites :  [www.datasheet.hk]   [www.maxim4u.com]  [www.ic-on-line.cn] [www.ic-on-line.com] [www.ic-on-line.net] [www.alldatasheet.com.cn] [www.gdcy.com]  [www.gdcy.net]


 . . . . .
  We use cookies to deliver the best possible web experience and assist with our advertising efforts. By continuing to use this site, you consent to the use of cookies. For more information on cookies, please take a look at our Privacy Policy. X
0.35245895385742