Part Number Hot Search : 
82000 SR418 STG719 57088 63701 SF2098E M36N2 4V12T
Product Description
Full Text Search

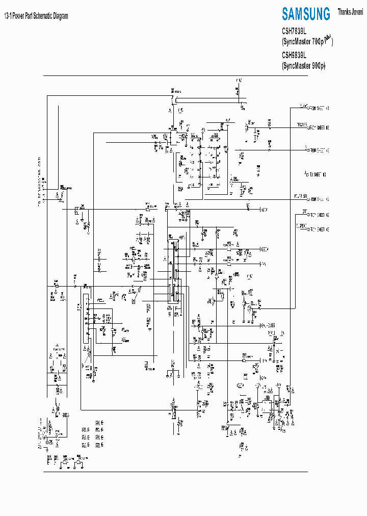
SYNCMASTER700PCSH7839L - Monitor_ICs:TDA9110 ST72E75 M52748SP M52759SP

SYNCMASTER700PCSH7839L_2905576.PDF Datasheet


 Full text search : Monitor_ICs:TDA9110 ST72E75 M52748SP M52759SP
 Product Description search : Monitor_ICs:TDA9110 ST72E75 M52748SP M52759SP


 Related Part Number
PART Description Maker
 
 Related keyword From Full Text Search System
SYNCMASTER700PCSH7839L temperature SYNCMASTER700PCSH7839L poliester SYNCMASTER700PCSH7839L 接腳圖 SYNCMASTER700PCSH7839L Flash SYNCMASTER700PCSH7839L ic equivalent
SYNCMASTER700PCSH7839L table SYNCMASTER700PCSH7839L mhz SYNCMASTER700PCSH7839L 0pam SYNCMASTER700PCSH7839L differential SYNCMASTER700PCSH7839L timer
 

 

Price & Availability of SYNCMASTER700PCSH7839L

All Rights Reserved © IC-ON-LINE 2003 - 2022  

[Add Bookmark] [Contact Us] [Link exchange] [Privacy policy]
Mirror Sites :  [www.datasheet.hk]   [www.maxim4u.com]  [www.ic-on-line.cn] [www.ic-on-line.com] [www.ic-on-line.net] [www.alldatasheet.com.cn] [www.gdcy.com]  [www.gdcy.net]


 . . . . .
  We use cookies to deliver the best possible web experience and assist with our advertising efforts. By continuing to use this site, you consent to the use of cookies. For more information on cookies, please take a look at our Privacy Policy. X
0.29729509353638