Part Number Hot Search : 
20600 SP802REN RH129 MC6833 20192 50810 SIS43 VEC2607
Product Description
Full Text Search

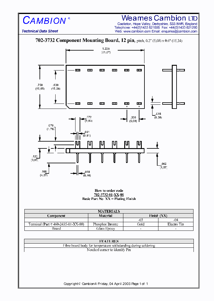
702-3732 - Component Mounting Board, 12 pin

702-3732_2381641.PDF Datasheet


 Full text search : Component Mounting Board, 12 pin
 Product Description search : Component Mounting Board, 12 pin


 Related Part Number
PART Description Maker
702-3735 Component Mounting Board, 20 pin
CAMBION Electronic Components
702-3734 Component Mounting Board, 18 pin
CAMBION Electronic Components
702-3732 Component Mounting Board, 12 pin
CAMBION Electronic Components
1330 1330-2 Double Banana Plug With Component Mounting Area
Pomona Electronics
NVF4-1A NVF4-1U NVF4-2A NVF4-2U NVF4-2C NVF4-1C PC board mounting and direct insert mounting available
Small size and light weight
HuaXinAn Electronics CO...
PP60 PP20 PP10 PP05 PP40 SINGLE - PHASE FULL WAVE BRIDGE 6.0 AMPERES HEAT SINK MOUNTING 3.0 AMPERES FOR P.C BOARD MOUNTING
DIODE RECTIFIER BRIDGE SINGLE 50 PER LEGV 2A
Electronic devices inc.
Electronic Devices, Inc.
PB32HQ MOUNTING BOARD
Crydom Inc.,
PB8 MOUNTING BOARD
Crydom Inc.,
09-52-4064 PC Board Connector; No. of Contacts:6; Pitch Spacing:3.96mm; No. of Rows:1; Mounting Type:PCB Thru-hole; Body Material:PA Polyamide (Nylon); Gender:Female; Series:2145/3258 6 CONTACT(S), FEMALE, TWO PART BOARD CONNECTOR, CRIMP
Molex, Inc.
55560-0807 Board-to-board plug; No. of Contacts:80; Pitch Spacing:0.4mm; No. of Rows:2; Mounting Type:PCB SMT; Connector Style:Vertical; Current Rating:0.5A; Gender:Plug; Series:SlimStack; Voltage Rating:50V RoHS Compliant: Yes
MOLEX INC
IE-703003-MC-EM1 I/O board unit mounting connecter connected with target
NEC
 
 Related keyword From Full Text Search System
702-3732 什么封装 702-3732 Package 702-3732 maker 702-3732 appreciate 702-3732 rectifier
702-3732 Voltage 702-3732 hot 702-3732 max 702-3732 reference 702-3732 Positive
 

 

Price & Availability of 702-3732

All Rights Reserved © IC-ON-LINE 2003 - 2022  

[Add Bookmark] [Contact Us] [Link exchange] [Privacy policy]
Mirror Sites :  [www.datasheet.hk]   [www.maxim4u.com]  [www.ic-on-line.cn] [www.ic-on-line.com] [www.ic-on-line.net] [www.alldatasheet.com.cn] [www.gdcy.com]  [www.gdcy.net]


 . . . . .
  We use cookies to deliver the best possible web experience and assist with our advertising efforts. By continuing to use this site, you consent to the use of cookies. For more information on cookies, please take a look at our Privacy Policy. X
0.04668402671814