Part Number Hot Search : 
1936X234 MSU6N70 TDA2556 3KP12 MSK4422G LM610 1N6634US 25AA16
Product Description
Full Text Search

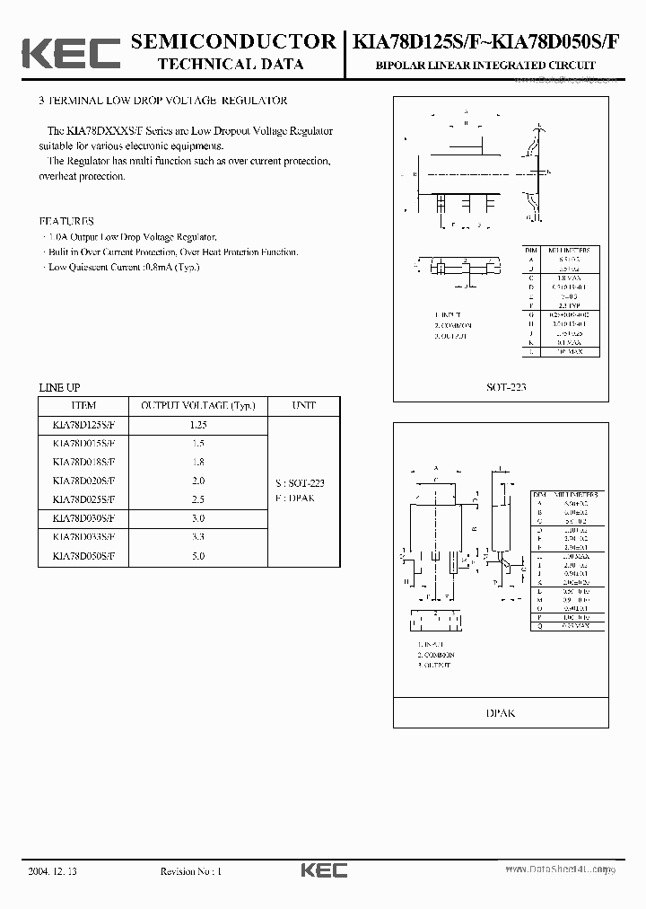
KIA78D033F - 3 TERMINAL LOW DROP VOLTAGE REGULATOR

KIA78D033F_1993428.PDF Datasheet


 Full text search : 3 TERMINAL LOW DROP VOLTAGE REGULATOR
 Product Description search : 3 TERMINAL LOW DROP VOLTAGE REGULATOR


 Related Part Number
PART Description Maker
KIA78R05 KIA78R05F KIA78R15F KIA78R06F KIA78R08F K Quadruple 2-Input Positive-OR Gates 14-TSSOP -40 to 85 正输入或14-TSSOP封装40℃到85
BIPOLAR LINEAR INTEGRATED CIRCUIT (5 TERMINAL LOW DROP VOLTAGE REGULATOR)
BIPOLAR LINEAR INTEGRATED CIRCUIT (5 TERMINAL LOW DROP VOLTAGE REGULATOR)
1A 5-Terminal Low Drop(ON/OFF Controllable)
TE Connectivity, Ltd.
KEC[KEC(Korea Electronics)]
Korea Electronics (KEC)
KIA378R25PI KIA378R30PI KIA378R33PI KIA378R35PI KI BIPOLAR LINEAR INTEGRATED CIRCUIT (4 TERMINAL 3A OUTPUT LOW DROP VOLTAGE REGULATOR) 双极线性集成电路(4码头3A输出低压差稳压器
3A 4-Terminal Low Drop(ON/OFF Controllable)
KEC Holdings
KEC[KEC(Korea Electronics)]
Korea Electronics (KEC)
KIA78R06API KIA78R08API KIA78R05API KIA78R09API KI 1A 4-Terminal Low Drop(ON/OFF Controllable)
Quadruple 2-Input Positive-OR Gates 14-TSSOP -40 to 85
BIPOLAR LINEAR INTEGRATED CIRCUIT (4 TERMINAL LOW DROP VOLTAGE REGULATOR)
Korea Electronics (KEC)
KEC Holdings
KIA378R05 KIA378R05PI KIA378R06PI KIA378R08PI KIA3    BIPOLAR LINEAR INTEGRATED CIRCUIT (4 TERMINAL 3A OUTPUT LOW DROP VOLTAGE REGULATOR)
3A 4-Terminal Low Drop(ON/OFF Controllable)
RES SM 100 OHM 1/16W 1% 0402
BIPOLAR LINEAR INTEGRATED CIRCUIT (4 TERMINAL 3A OUTPUT LOW DROP VOLTAGE REGULATOR) 双极线性集成电路(4码头3A输出低压差稳压器
Korea Electronics (KEC)
KEC[KEC(Korea Electronics)]
KEC Holdings
378R05G-TF4-T 378R05L-TF4-T 378R06G-TF4-T 4 TERMINAL 3A OUTPUT LOW DROP VOLTAGE REGULATOR
Unisonic Technologies
LD2979XX50 LD2979XX38 LD2979XX33 LD2979XX32 LD2979 VERY LOW DROP VOLTAGE REGULATOR WITH INHIBIT 很好低压差电压调节器抑制研究
From old datasheet system
VERY LOW DROP VOLTAGE REGULATOR WITH INHIBIT
STMicroelectronics
ST Microelectronics
KIA7815AP KIA7810API KIA7808AP KIA7812API KIA7805A Three Terminal 10V Positve Voltage Regulator(三端0V正电压输出稳压器)
Three Terminal 12V Positve Voltage Regulator(三端2V正电压输出稳压器)
Three Terminal 5V Positve Voltage Regulator(三端V正电压输出稳压器)
Three Terminal 6V Positve Voltage Regulator(三端V正电压输出稳压器)
Three Terminal 18V Positve Voltage Regulator(三端8V正电压输出稳压器)
Three Terminal 5V Positve Voltage Regulator(三端5V正电压输出稳压器)
Three Terminal 6V Positve Voltage Regulator(三端6V正电压输出稳压器)
Three Terminal 8V Positve Voltage Regulator(三端V正电压输出稳压器) 三端8V的Positve稳压器(三端V的正电压输出稳压器)
Three Terminal 15V Positve Voltage Regulator(三端5V正电压输出稳压器) 三端15VPositve稳压器(三端5V的正电压输出稳压器)
Three Terminal 15V Positve Voltage Regulator(涓????5V姝g?????虹ǔ???)
Three Terminal 8V Positve Voltage Regulator(涓????V姝g?????虹ǔ???)
KEC Holdings
20KDA10 Miniature Size, Low Forward Voltage drop
Low Forward Voltage drop Diode
Miniature Size / Low Forward Voltage drop
NIEC[Nihon Inter Electronics Corporation]
RE027 RE027 [Updated 2/03. 9 Pages] RE027 is a low drop out (LDO) voltage regulator macrocell with a fixed 2.8V output voltage. rated for loads up to 130
A Low Drop Out (LDO) voltage regulator macrocell with a fixed 2.8V output voltage, rated for loads of up to 130 mA. A typical application is radio section supply in mobile terminals.
Atmel
TS9000 TS9000ANCX TS9000ANCY TS9000ASCT TS9000AVCT Analog IC: Low Drop Out Voltage Regulators
300mA CMOS Low Dropout Voltage Regulator
TSC[Taiwan Semiconductor Company, Ltd]
TLE4250G TLE4250 Voltage Regulator - Low Drop Voltage Tracker
Low-Drop Voltage Tracker
INFINEON[Infineon Technologies AG]
 
 Related keyword From Full Text Search System
KIA78D033F GaAs Hall Device KIA78D033F Phase KIA78D033F eeprom KIA78D033F microsemi KIA78D033F usb circuit diagram
KIA78D033F Instrument KIA78D033F series KIA78D033F purpose KIA78D033F 中文简介 KIA78D033F Stereo
 

 

Price & Availability of KIA78D033F

All Rights Reserved © IC-ON-LINE 2003 - 2022  

[Add Bookmark] [Contact Us] [Link exchange] [Privacy policy]
Mirror Sites :  [www.datasheet.hk]   [www.maxim4u.com]  [www.ic-on-line.cn] [www.ic-on-line.com] [www.ic-on-line.net] [www.alldatasheet.com.cn] [www.gdcy.com]  [www.gdcy.net]


 . . . . .
  We use cookies to deliver the best possible web experience and assist with our advertising efforts. By continuing to use this site, you consent to the use of cookies. For more information on cookies, please take a look at our Privacy Policy. X
0.053720951080322