Part Number Hot Search : 
MAX2244 UPD6144 C908JB16 LV1410E 12K09 73228MC U1ZB24 MF312
Product Description
Full Text Search

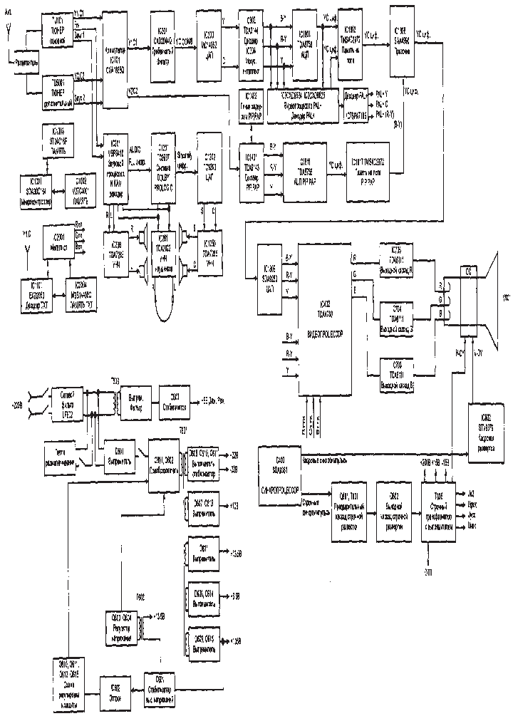
KV-28WS4R - TV_ICs:

KV-28WS4R_1578650.PDF Datasheet


 Full text search : TV_ICs:
 Product Description search : TV_ICs:


 Related Part Number
PART Description Maker
 
 Related keyword From Full Text Search System
KV-28WS4R Controller KV-28WS4R 的参数 KV-28WS4R Programmable KV-28WS4R mosfet KV-28WS4R Interface
KV-28WS4R Package KV-28WS4R protection KV-28WS4R Interface KV-28WS4R oscillator KV-28WS4R 価格
 

 

Price & Availability of KV-28WS4R

All Rights Reserved © IC-ON-LINE 2003 - 2022  

[Add Bookmark] [Contact Us] [Link exchange] [Privacy policy]
Mirror Sites :  [www.datasheet.hk]   [www.maxim4u.com]  [www.ic-on-line.cn] [www.ic-on-line.com] [www.ic-on-line.net] [www.alldatasheet.com.cn] [www.gdcy.com]  [www.gdcy.net]


 . . . . .
  We use cookies to deliver the best possible web experience and assist with our advertising efforts. By continuing to use this site, you consent to the use of cookies. For more information on cookies, please take a look at our Privacy Policy. X
0.69805693626404