Part Number Hot Search : 
KBPC35 MJE130 NE687M13 0542MN 128YS V460TLE 41NJR10E 1N4082
Product Description
Full Text Search

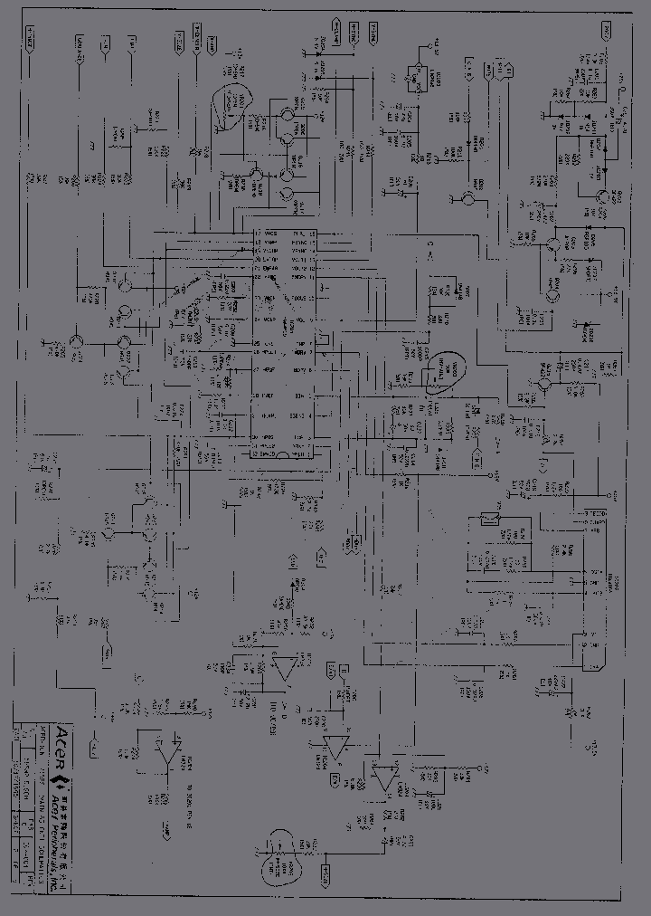
7156S - 1 Cell, Step-Up Two-Way Pager System IC

7156S_1361747.PDF Datasheet


 Full text search : 1 Cell, Step-Up Two-Way Pager System IC
 Product Description search : 1 Cell, Step-Up Two-Way Pager System IC


 Related Part Number
PART Description Maker
AS1323 AS1323-27 1.6uA Quiescent Current, Single Cell, DC-DC Step-up Converter
ams AG
AS1323 1.6μA Quiescent Current, Single Cell, DC-DC Step-up Converter
ams AG
MAX1705/MAX1706 1-to 3-Cell High-Current Low-Noise Step-Up DC-DC Converters w
Maxim Integrated Products, Inc.
STCF01PMR STCF01 Step-up Converter for Cell Phone Camera Flash LEDs
STMICROELECTRONICS[STMicroelectronics]
AIC1633 AIC1633-3CN AIC1633-3CS AIC1633-5CN AIC163 2-Cell, 200mA, Step-Up DC/DC Converter 2节电池,200毫安,升压型DC / DC转换
Analog Integrations, Corp.
AIC[Analog Intergrations Corporation]
Analog Integrations Corporation
SP6645 SP6645EU SP6644 SP6644EU SP6644EU-L SP6644E From old datasheet system
Single/Dual Alkaline Cell, High Efficiency Step-Up DC-DC Converter
Single/Dual Alkaline Cell, High Efficiency Boost DC-DC Regulator
SIPEX[Sipex Corporation]
SI9731 渭P Controlled Li-ion Battery Charger Pulse Charges 1 to 3 Cells Integrated MOSFETs
UP Controlled Battery Charger For 1-Cell Li-ion or 1-Cell to 3-Cell NiCd/NiMH Batteries
μP Controlled Battery Charger For 1-Cell Li-ion or 1-Cell to 3-Cell NiCd/NiMH Batteries(用于1节锂电池-3节镍镍镉电池的μP控制的电池充电器)
Vishay Siliconix
Vishay Intertechnology,Inc.
LT1618 LT1618EMS LTC3216 LTC3490EDD LTC3490ES8 LTC Constant-Current/ Constant-Voltage 1.4MHz Step-Up DC/DC Converter
SINGLE CELL 350MA LED DRIVER
Linear Technology Corporation
LINER[Linear Technology]
LT1610 LT1610CMS8 LT1610CS8 LT1610IS8 LT1610IS8PBF    1.7MHz, Single Cell Micropower DC/DC Converter
Constant-Current/ Constant-Voltage 1.4MHz Step-Up DC/DC Converter
1.7MHz, Single Cell Micropower DC/DC Converter; Package: SO; No of Pins: 8; Temperature Range: -40°C to 85°C 0.9 A SWITCHING REGULATOR, 2000 kHz SWITCHING FREQ-MAX, PDSO8
1.7MHz, Single Cell Micropower DC/DC Converter; Package: MSOP; No of Pins: 8; Temperature Range: 0°C to 70°C
LINER[Linear Technology]
Linear Technology, Corp.
LINEAR TECHNOLOGY CORP
ILC6382 ILC6382CIR-33 ILC6382CIR-50 ILC6382CIR-ADJ 1-CELL TO 3-CELL BOOST WITH TRUE LOAD DISCONNECT, 3.3V, 5V OR ADJUSTABLE OUTPUT 1节至3与真正的负载断开.3V或可调输V的电池升
IMPALA[Impala Linear Corporation]
UAA3500 UAA3500HL Pager receiver
NXP Semiconductors
PHILIPS[Philips Semiconductors]
 
 Related keyword From Full Text Search System
7156S Battery MCU 7156S Control 7156S driver 7156S differential 7156S differential
7156S Stereo 7156S filter 7156S Reference 7156S rectifier 7156S fairchild
 

 

Price & Availability of 7156S

All Rights Reserved © IC-ON-LINE 2003 - 2022  

[Add Bookmark] [Contact Us] [Link exchange] [Privacy policy]
Mirror Sites :  [www.datasheet.hk]   [www.maxim4u.com]  [www.ic-on-line.cn] [www.ic-on-line.com] [www.ic-on-line.net] [www.alldatasheet.com.cn] [www.gdcy.com]  [www.gdcy.net]


 . . . . .
  We use cookies to deliver the best possible web experience and assist with our advertising efforts. By continuing to use this site, you consent to the use of cookies. For more information on cookies, please take a look at our Privacy Policy. X
0.19527387619019