Part Number Hot Search : 
ACS758 3H1ETP MX887P 54FCT T6311A ADP2102 70653 ADV7162
Product Description
Full Text Search

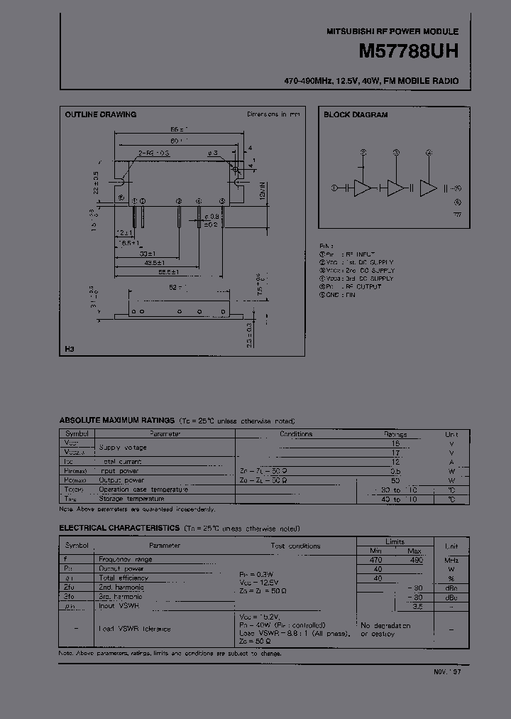
M57788UH - 470-490 MHz 12.5V, 40W, FM MOBILE RADIO

M57788UH_1693486.PDF Datasheet


 Full text search : 470-490 MHz 12.5V, 40W, FM MOBILE RADIO
 Product Description search : 470-490 MHz 12.5V, 40W, FM MOBILE RADIO


 Related Part Number
PART Description Maker
M57729SH 490-512 MHz, 12.5V, 30W, FM MOBILE RADIO
Mitsubishi Electric Corporation
LFE3-95EA-6FN672C LFE3-95EA-8FN672C LFE3-150EA-7FN FPGA, 375 MHz, PBGA672 27 X 27 MM, LEAD FREE, FPBGA-672
FPGA, 500 MHz, PBGA672 27 X 27 MM, LEAD FREE, FPBGA-672
FPGA, 420 MHz, PBGA672 27 X 27 MM, LEAD FREE, FPBGA-672
Field Programmable Gate Arrays - FPGAs 92K LUTs, 490 I/O 7 Speed FPGA, 420 MHz, PBGA1156
Field Programmable Gate Arrays - FPGAs 66.5K LUTs, 490 I/O 8 Speed FPGA, 500 MHz, PBGA1156
FPGA, 500 MHz, PBGA484 23 X 23 MM, LEAD FREE, FPBGA-484
FPGA, 375 MHz, PBGA1156
FPGA, PBGA256
Lattice Semiconductor, Corp.
LATTICE SEMICONDUCTOR CORP
STK433-040-E 2-channel class AB audio power IC, 40W 40W
Sanyo Semicon Device
PH0814-40 Linear Power Transistor, 40W 850 - 1450 MHz
Tyco Electronics
UF2840P RF Power MOSFET Transistor 40W, 100-500 MHz, 28V
M/A-COM Technology Solutions, Inc.
M57729H 450-470 MHz, 12.5V, 30W, FM MOBILE RADIO
Mitsubishi Electric Corporation
TPV8100BD TPV8100B 470-860 MHz, 150 W, 28 V RF Power Transistor - Archived
Motorola
MRF377MRF377R3MRF377R5 470–860 MHz, 240 W, 32 V Lateral N–Channel RF Power MOSFET
Motorola
PTB20101 175 Watts P-Sync, 470-860 MHz UHF TV Power Transistor
ERICSSON[Ericsson]
UTV120 UHF TV 470-860 MHz, Class A, Common Emitter; fO (MHz): 860; P(out) (W): 12; Gain (dB): 8.9; Vcc (V): 26.5; ICQ (A): 1.7; IMD Type (dB): -52; Case Style: 55JT-2 2 CHANNEL, UHF BAND, Si, NPN, RF POWER TRANSISTOR
Microsemi, Corp.
 
 Related keyword From Full Text Search System
M57788UH Memory M57788UH Cirkuit diagram M57788UH Fixed M57788UH Derating Rule M57788UH hot
M57788UH audio M57788UH mosfet M57788UH transistor M57788UH appreciate M57788UH Product
 

 

Price & Availability of M57788UH

All Rights Reserved © IC-ON-LINE 2003 - 2022  

[Add Bookmark] [Contact Us] [Link exchange] [Privacy policy]
Mirror Sites :  [www.datasheet.hk]   [www.maxim4u.com]  [www.ic-on-line.cn] [www.ic-on-line.com] [www.ic-on-line.net] [www.alldatasheet.com.cn] [www.gdcy.com]  [www.gdcy.net]


 . . . . .
  We use cookies to deliver the best possible web experience and assist with our advertising efforts. By continuing to use this site, you consent to the use of cookies. For more information on cookies, please take a look at our Privacy Policy. X
0.47772979736328