Part Number Hot Search : 
KIA8225H 120000G C2323 5236B MINIASM UMTS250 E470M KK2901
Product Description
Full Text Search

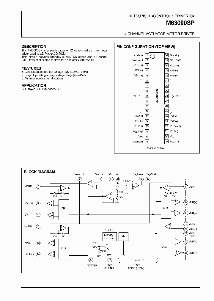
M63000SP - 4-CHANNEL ACTUATOR MOTOR DRIVER

M63000SP_1236444.PDF Datasheet


 Full text search : 4-CHANNEL ACTUATOR MOTOR DRIVER
 Product Description search : 4-CHANNEL ACTUATOR MOTOR DRIVER


 Related Part Number
PART Description Maker
M63016FP Spindle Motor AND 4CH ACTUATOR Drive IC
Mitsubishi Electric Semiconductor
2SK296802 2SK2968 Field Effect Transistor Silicon N Channel MOS Type (pi-MOSIII) Relay Drive, DC .DC Converter and Motor Drive Applications
DC−DC Converter, Relay Drive and Motor Drive Applications
Toshiba Semiconductor
BA6193 A5800796    2-channel reversible-motor driver
From old datasheet system
Optical Disc LSIs > Motor/Actuator driver > Loading motor driver
ROHM[Rohm]
2SK291606 2SK2916 Silicon N Channel MOS Type DC−DC Converter, Relay Drive and Motor Drive Applications
Toshiba Semiconductor
2SK286206 2SK2862 Silicon N Channel MOS Type DC−DC Converter, Relay Drive and Motor Drive Applications
Toshiba Semiconductor
2SK299606 2SK2996 Silicon N Channel MOS Type DC−DC Converter, Relay Drive and Motor Drive Applications
Toshiba Semiconductor
2SK296706 2SK2967 Silicon N Channel MOS Type DC−DC Converter, Relay Drive and Motor Drive Applications
Toshiba Semiconductor
2SK2961 N CHANNEL MOS TYPE (HIGH SPEED SWITCHING, RELAY DRIVE MOTOR DRIVE AND DC-DC CONVERTER APPLICATIONS)
Toshiba Semiconductor
2SK1381 N CHANNEL MOS TYPE (HIGH SPEED SWITCHNG, RELAY DRIVE, MOTOR DRIVE AND DC-DC CONVERTER APPLICATIONS)
Toshiba Semiconductor
AM5954AM28TR-E1 4-CHANNEL MOTOR DRIVER FOR DVD PLAYER DISK DRIVE MOTOR CONTROLLER, PDSO28
BCD Semiconductor Manufacturing, Ltd.
2SJ401 Field Effect Transistor Silicon P Channel MOS Type (L2-pi-MOSV) DC .DC Converter, Relay Drive and Motor Drive Applications
TOSHIBA
 
 Related keyword From Full Text Search System
M63000SP Engine M63000SP FRE DOUNLODE M63000SP serial M63000SP Ic on line M63000SP power suppiy
M63000SP DATASHEET PDF M63000SP configuration M63000SP Bandwidth M63000SP 资料查找 M63000SP Drain
 

 

Price & Availability of M63000SP

All Rights Reserved © IC-ON-LINE 2003 - 2022  

[Add Bookmark] [Contact Us] [Link exchange] [Privacy policy]
Mirror Sites :  [www.datasheet.hk]   [www.maxim4u.com]  [www.ic-on-line.cn] [www.ic-on-line.com] [www.ic-on-line.net] [www.alldatasheet.com.cn] [www.gdcy.com]  [www.gdcy.net]


 . . . . .
  We use cookies to deliver the best possible web experience and assist with our advertising efforts. By continuing to use this site, you consent to the use of cookies. For more information on cookies, please take a look at our Privacy Policy. X
0.071776151657104