Part Number Hot Search : 
CY7C616 US5881 A1036 12350 04A55AD MB89174L C124E AM26LS32
Product Description
Full Text Search

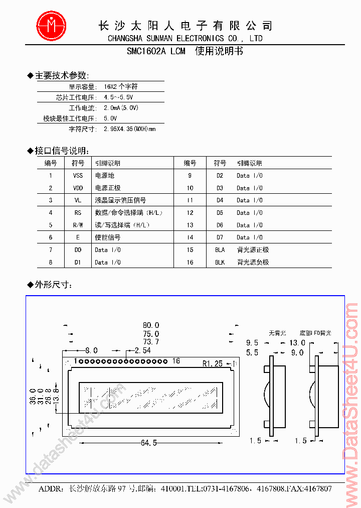
LCD-1602A - LCD Module

LCD-1602A_933971.PDF Datasheet


 Full text search : LCD Module
 Product Description search : LCD Module


 Related Part Number
PART Description Maker
DMC5001NYL DMF5001NYL 0.3-7.0V 13.4mA LCD module
160 x 128dots;Dot size: 0.54 x 0.54mm; 0.3-7.0V; 1.0mA LCD module
Optrex Corporation
F-51167NCU-FW-AA 320 x 240dots; dot size:0.10 x 0.34mm; 0.3-7.0V 20.0mA LCD module
LCD Module Specification
OPTREX[OPTREX CORPORATION]
C-51505NFJ-SLG-AB C-51505NFJ-SLW-AC 20characters x 2lines; 0.3-7.0V 2.0mA LCD module
LCD Module Technical Specification
Optrex Corporation
Optrex America, Inc.
ENH050Q1-650 Display size: 13cm; No. of pixels: 74,880; dot format: 320xRGBx234; dot pitch: 0.1065x0.3195; color TFT-LCD module feature
ENH050Q1-650 COLOR THT-LCD MODULE FEATURES
White Electronic Designs
List of Unclassifed Manufacturers
LQ6BW12K Color TFT-LCD Module for AV/Car Navigation(LCD TV/PDA/Car Navigation) 彩色TFT - LCD模块的AV /汽车导航系统(液晶电掌上电脑/汽车导航
Color TFT-LCD Module for AV/Car Navigation (LCD TV/PDA/Car Navigation)
Sharp, Corp.
Sharp Corporation
LQ5AW116 Color TFT-LCD Module for AV/Car Navigation (Digital still camera/LCD camcorder/LCD TV)
Color TFT-LCD Module for AV/Car Navigation(Digital still camera/LCD camcorder/LCD TV)
Sharp Electrionic Components
Sharp Corporation
B200-9 EA017-2UKE EA9907-DIP EADIP162J-DN3LW EADIP LCD-MODULE 2x16 - 6.68mm
LCD-MODULE 2x16 - 6.68mm INCL. CONTROLLER HD44780
   LCD-MODULE 2x16 - 6.68mm
List of Unclassifed Manufac...
List of Unclassifed Man...
B201SW01V0 B201SW01-V0 LCD Module
Color TFT-LCD
AUO
B156XW01-V0 B156XW01V0 Color TFT-LCD
LCD Module
AUO
B154EW08-V0 B154EW08V0 Color TFT-LCD
LCD Module
AUO
MB203LCD MB203LCD-1 /- 5 1/2 Digit DVM (Digital Voltmeter) Boards
16 x 2 LCD Character Display Module for the MB203 module board
Advanced Linear Devices
NL8060AC26-17 TFT Color LCD Module(TFT彩色液晶显示器模
TFT Color LCD Module(TFT褰╄?娑叉??剧ず?ㄦā??
NEC Corp.
 
 Related keyword From Full Text Search System
LCD-1602A ethernet transceiver LCD-1602A 参数 封装 LCD-1602A resistor LCD-1602A Planar LCD-1602A Mixed
LCD-1602A Integrate LCD-1602A 13MHz LCD-1602A 替换 LCD-1602A free down LCD-1602A device
 

 

Price & Availability of LCD-1602A

All Rights Reserved © IC-ON-LINE 2003 - 2022  

[Add Bookmark] [Contact Us] [Link exchange] [Privacy policy]
Mirror Sites :  [www.datasheet.hk]   [www.maxim4u.com]  [www.ic-on-line.cn] [www.ic-on-line.com] [www.ic-on-line.net] [www.alldatasheet.com.cn] [www.gdcy.com]  [www.gdcy.net]


 . . . . .
  We use cookies to deliver the best possible web experience and assist with our advertising efforts. By continuing to use this site, you consent to the use of cookies. For more information on cookies, please take a look at our Privacy Policy. X
0.03158712387085