Part Number Hot Search : 
2903000 T24C0 060152MA SRB320 150A7 S7476F HCT57 AE04047
Product Description
Full Text Search

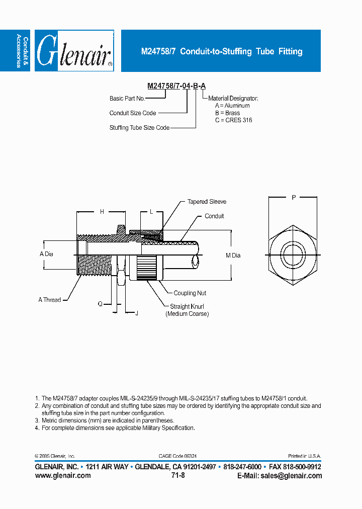
M24758-7-04-B-A - Conduit-to-Stuffing Tube Fitting

M24758-7-04-B-A_1124126.PDF Datasheet


 Full text search : Conduit-to-Stuffing Tube Fitting
 Product Description search : Conduit-to-Stuffing Tube Fitting


 Related Part Number
PART Description Maker
EG3012 Power MOS tube / IGBT gate driver chip tube
EGmicro
M24753-06-A M24753-06-B M24753-06-C M24758-16-B M2 Conduit Fitting
Glenair, Inc.
RED20 RED25 BS20 BS20-L BS25-H BS25-L EC20 Conduit Accessories
List of Unclassifed Manufacturers
List of Unclassifed Manufac...
XP2206 A tube for hot environment, 10-stage, 51mm (2) tube
List of Unclassifed Manufacturers
750-032-16 Flexible Metal-Core Conduit
Glenair, Inc.
750-031-16 Flexible Metal-Core Conduit
Glenair, Inc.
M24758-1-16 EMI/EMP Shielding Conduit
Glenair, Inc.
637-094 637-B094XM04062CB Composite Box Conduit or Cable
Glenair, Inc.
750-095-16 Flexible Metal-Core Conduit
Glenair, Inc.
2SA1432 TRANSISTOR (HIGH VOLTAGE CONTROL, PLASMA DISPLAY, NIXIE TUBE DRIVER, CATHODE RAY TUBE BRIGHTNESS CONTROL APPLICATIONS)
TOSHIBA[Toshiba Semiconductor]
OV7411N OV7635 OV9630 OV7648 OV7431 MCU CMOS 18LD 4MHZ 1K EPRM, 0C to 70C, 18-PDIP, TUBE
MCU CMOS 18LD 20MHZ 1K EPRM, 0C to 70C, 18-SOIC 300mil, TUBE
MCU CMOS 18LD 20MHZ 1K EPRM, -40C to 85C, 18-PDIP, TUBE
MCU CMOS 20LD 20MHZ 1K EPRM, -40C to 85C, 20-SSOP 208mil, TUBE
packaging specifications
MCU CMOS 18LD 4MHZ 1K EPRM, -40C to 85C, 18-PDIP, TUBE /黑白| NTSC制式| 508 × 492 |模拟|的CameraChip |技术报
Omnivision Technologies Inc.
 
 Related keyword From Full Text Search System
M24758-7-04-B-A Reference M24758-7-04-B-A Operation M24758-7-04-B-A regulation M24758-7-04-B-A array M24758-7-04-B-A optical
M24758-7-04-B-A Bipolar M24758-7-04-B-A hlmp M24758-7-04-B-A application M24758-7-04-B-A Voltage M24758-7-04-B-A poliester
 

 

Price & Availability of M24758-7-04-B-A

All Rights Reserved © IC-ON-LINE 2003 - 2022  

[Add Bookmark] [Contact Us] [Link exchange] [Privacy policy]
Mirror Sites :  [www.datasheet.hk]   [www.maxim4u.com]  [www.ic-on-line.cn] [www.ic-on-line.com] [www.ic-on-line.net] [www.alldatasheet.com.cn] [www.gdcy.com]  [www.gdcy.net]


 . . . . .
  We use cookies to deliver the best possible web experience and assist with our advertising efforts. By continuing to use this site, you consent to the use of cookies. For more information on cookies, please take a look at our Privacy Policy. X
0.43609499931335