Part Number Hot Search : 
MDF5N50F 7SZ12 HSB20A MAX1279 KB6282 PE4917 CS48500 P8204
Product Description
Full Text Search

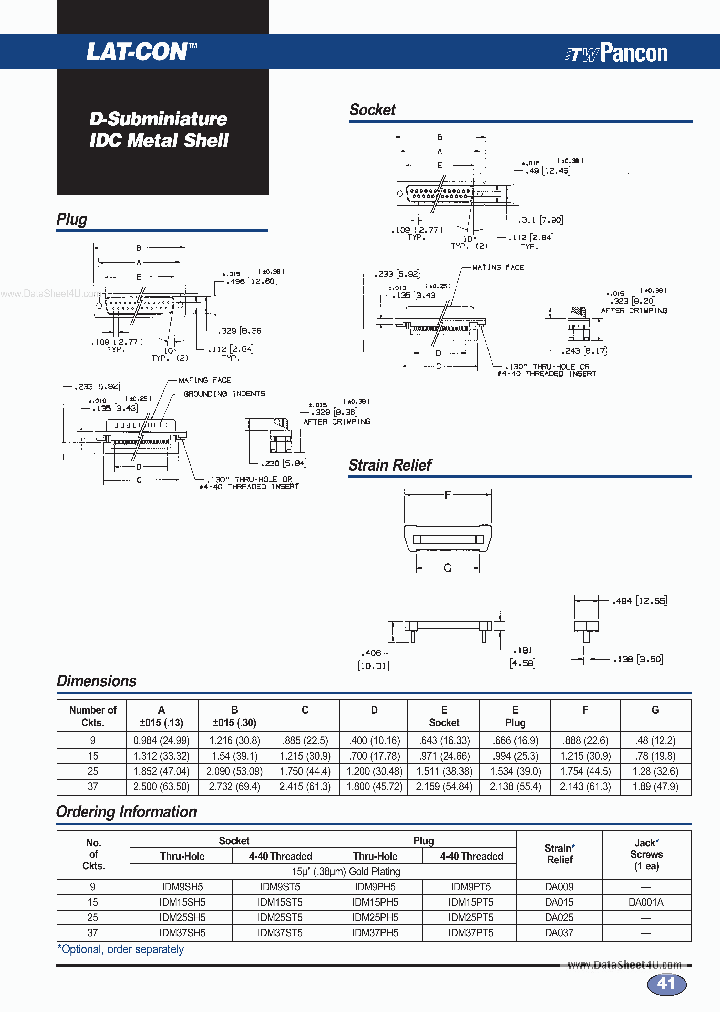
IDM25PH5 - (IDMxxxx5) D-Subminiature IDC Metal Shell

IDM25PH5_828327.PDF Datasheet


 Full text search : (IDMxxxx5) D-Subminiature IDC Metal Shell
 Product Description search : (IDMxxxx5) D-Subminiature IDC Metal Shell


 Related Part Number
PART Description Maker
636-25SMP001 25 CONTACT(S), FEMALE, D SUBMINIATURE CONNECTOR, IDC
THOMAS & BETTS CORP
A-DFF37LPIII/Z 37 CONTACT(S), FEMALE, D SUBMINIATURE CONNECTOR, IDC
Diodes, Inc.
APC12G03-9MAJ APC12Y03-9MAJ APC12J03-91 APC12G03-9 CHOKE,AXIAL,CONFORMAL,33uH, 5% INDUCTIVE TOL,370 IDC,
CHOKE,AXIAL,CONFORMAL,1uH, 10% INDUCTIVE TOL,385 IDC,
CHOKE,AXIAL,CONFORMAL,82uH, 5% INDUCTIVE TOL,290 IDC,
CHOKE,AXIAL,CONFORMAL,27uH, 10% INDUCTIVE TOL,390 IDC,
CHOKE,AXIAL,CONFORMAL,120uH, 5% INDUCTIVE TOL,100 IDC,
SOCKET,SHORT BLKS,BLK,OPEN -10
CHOKE,AXIAL,CONFORMAL,390uH, 5% INDUCTIVE TOL,133 IDC,
CHOKE,AXIAL,CONFORMAL,22uH, 5% INDUCTIVE TOL,140 IDC,
CHOKE,AXIAL,CONFORMAL,10uH, 5% INDUCTIVE TOL,130 IDC,
CHOKE,AXIAL,CONFORMAL,100uH, 5% INDUCTIVE TOL,275 IDC,
SOCKET,SHORT BLKS,BLK,CLOSE, (10)
CHOKE,AXIAL,CONFORMAL,1000uH, 5% INDUCTIVE TOL,100 IDC,
CHOKE,AXIAL,CONFORMAL,47uH, 5% INDUCTIVE TOL,340 IDC,
CHOKE,AXIAL,CONFORMAL,100uH, 5% INDUCTIVE TOL,125 IDC,
Astec America, Inc
71600-120 71600-160 71600-140 71600-110 71600-126 Low-Noise, Regulated, Negative Charge Pump Power Supplies for GaAsFET Bias
SOCKET IDC W/OUT S/RELIEF 60 WAY
SOCKET IDC W/OUT S/RELIEF 40 WAY
SOCKET IDC W/OUT S/RELIEF 26 WAY
SOCKET IDC W/OUT S/RELIEF 34 WAY
SOCKET IDC WITH S/RELIEF 16 WAY
SOCKET IDC WITH S/RELIEF 40 WAY
SOCKET IDC WITH S/RELIEF 60 WAY
插座IDC公司与S /14未来
插座IDC的瓦/输出的S /26未来
插座IDC的瓦/输出的S /宽道40
插座IDC的瓦/输出的S /60未来
插座IDC的瓦/输出的S /14未来
SOCKET IDC W/OUT S/RELIEF 50 WAY 插座IDC的瓦/输出的S /50未来
PWM Buck Converters with Bypass FET for N-CDMA/W-CDMA Handsets 插座IDC公司与S /0未来
PWM Step-Down DC-DC Converters with 75m Bypass FET for WCDMA and cdmaOne Handsets 插座IDC公司与S /0
DC/DC变换
Glenair, Inc.
DBCIDCDIP200 DBCIDCA11A24BG1 DBCIDCA11A24BS1 DBCID IDC IDC DIP PLUG (TRANSITION) 2.0mm
Dubilier
DBCIDC1150AS1 DBCIDC1110AS1 DBCIDC1126AS1 DBCIDC11 IDC IDC DIP PLUG (TRANSITION)
Dubilier
LPP-100-13.5 LPP-100-12 LPP-100-48 LPP-100-27 LPP- CHOKE,AXIAL,MOLDED RF,0.15uH, 10% INDUCTIVE TOL,1100 IDC
100W Single Output with PFC Function
CHOKE,AXIAL,MOLDED RF,0.56uH, 10% INDUCTIVE TOL,495 IDC
CHOKE,AXIAL,MOLDED RF,0.47uH, 10% INDUCTIVE TOL,590 IDC
CHOKE,AXIAL,MOLDED RF,0.39uH, 10% INDUCTIVE TOL,640 IDC
Astrodyne, Inc.
FRT250T 7100.1125.XX 7100.1017.XX 7100.1117.XX 710 TIME LAG BLOW ELECTRIC FUSE, 0.5A, 250VAC, 250VDC, 35A (IR), THROUGH HOLE
Subminiature Fuse, 11.5 x 5 mm, Tr?e T
Subminiature Fuse, 11.5 x 5 mm, Tr庐e T
Subminiature Fuse, 11.5 x 5 mm, Tr盲ge T
Schurter Inc.
266 7312 7868 377 7377 8708 3152 334 334LSV 336 33 T-1 3/4 subminiature, miniature grooved lamp. 2.5 volts, 0.35 amps.
T-1 3/4 subminiature, midget screw lamp. 2.5 volts, 0.35 amps.
T-1 3/4 subminiature, bi-pin lamp. 2.5 volts, 0.35 amps.
T-1 3/4 subminiature, miniature flanged lamp. 6.3 volts, 0.075 amps.
T-1 3/4 subminiature, bi-pin lamp. 6.3 volts, 0.075 amps.
T-1 3/4 subminiature, miniature grooved lamp. 6.3 volts, 0.075 amps.
T-1 3/4 subminiature, miniature grooved lamp. 5.0 volts, 0.06 amps.
T-1 3/4 subminiature, miniature grooved lamp. 28.0 volts, 0.04 amps.
T-1 3/4 subminiature, miniature grooved lamp. 28.0 volts, 0.06 amps.
T-1 3/4 subminiature, miniature grooved lamp. 14.0 volts, 0.08 amps.
T-1 3/4 subminiature, miniature grooved lamp. 6.0 volts, 0.20 amps.
T-1 3/4 subminiature, miniature grooved lamp. 6.0 volts, 0.22 amps.
T-1 3/4 subminiature, miniature grooved lamp. 18.0 volts, 0.04 amps.
T-1 3/4 subminiature, miniature grooved lamp. 6.3 volts, 0.20 amps.
T-1 3/4 subminiature, miniature grooved lamp. 3.0 volts, 0.015 amps.
T-1 3/4 subminiature, miniature grooved lamp. 14.0 volts, 0.100 amps.
T-1 3/4 subminiature, miniature grooved lamp. 22.0 volts, 0.04 amps.
T-1 3/4 subminiature, miniature grooved lamp. 1.35 volts, 0.06 amps.
T-1 3/4 subminiature, miniature grooved lamp. 10.0 volts, 0.014 amps.
T-1 3/4 subminiature, miniature grooved lamp. 4.5 volts, 0.120 amps.
T-1 3/4 subminiature, miniature grooved lamp. 5.0 volts, 0.115 amps.
T-1 3/4 subminiature, miniature grooved lamp. 5.0 volts, 0.19 amps.
T-1 3/4 subminiature, miniature grooved lamp. 6.3 volts, 0.04 amps.
T-1 3/4 subminiature, miniature grooved lamp. 6.3 volts, 0.15 amps.
T-1 3/4 subminiature, miniature grooved lamp. 11.0 volts, 0.022 amps.
T-1 3/4 subminiature, miniature grooved lamp. 12.0 volts, 0.04 amps.
T-1 3/4 subminiature, miniature grooved lamp. 28.0 volts, 0.065 amps.
T-1 3/4 subminiature, midget screw lamp. 6.0 volts, 0.22 amps.
T-1 3/4 subminiature, miniature flanged lamp. 6.0 volts, 0.22 amps.
T-1 3/4 subminiature, bi-pin lamp. 6.0 volts, 0.22 amps.
T-1 3/4 subminiature, midget screw lamp. 6.0 volts, 0.20 amps.
T-1 3/4 subminiature, midget screw lamp. 2.5 volts, 0.20 amps.
T-1 3/4 subminiature, miniature flanged lamp. 14.0 volts, 0.08 amps.
T-1 3/4 subminiature, midget screw lamp. 14.0 volts, 0.08 amps.
T-1 3/4 subminiature, midget screw lamp. 5.0 volts, 0.19 amps.
T-1 3/4 subminiature, miniature flanged lamp. 5.0 volts, 0.19 amps.
T-1 3/4 subminiature, bi-pin lamp. 5.0 volts, 0.19 amps.
T-1 3/4 subminiature, midget screw lamp. 5.0 volts, 0.06 amps.
T-1 3/4 subminiature, midget screw lamp. 28.0 volts, 0.04 amps.
T-1 3/4 subminiature, midget screw lamp. 28.0 volts, 0.06 amps.
T-1 3/4 subminiature, midget screw lamp. 6.0 volts, 0.04 amps.
T-1 3/4 subminiature, midget screw lamp. 6.3 volts, 0.20 amps.
T-1 3/4 subminiature, miniature flanged lamp. 22.0 volts, 0.04 amps.
T-1 3/4 subminiature, midget screw lamp. 22.0 volts, 0.04 amps.
T-1 3/4 subminiature, miniature flanged lamp. 6.3 volts, 0.15 amps.
T-1 3/4 subminiature, miniature flanged lamp. 6.3 volts, 0.20 amps.
T-1 3/4 subminiature, miniature flanged lamp. 6.0 volts, 0.04 amps.
T-1 3/4 subminiature, miniature flanged lamp. 28.0 volts, 0.04 amps.
T-1 3/4 subminiature, midget screw lamp. 1.35 volts, 0.06 amps.
T-1 3/4 subminiature, bi-pin lamp. 1.35 volts, 0.06 amps.
T-1 3/4 subminiature, miniature flanged lamp. 48.0 volts, 0.030 amps.
T-1 3/4 subminiature, bi-pin lamp. 48.0 volts, 0.030amps.
T-1 3/4 subminiature, miniature flanged lamp. 28.0 volts, 0.065 amps.
T-1 3/4 subminiature, midget screw lamp. 28.0 volts, 0.065 amps.
T-1 3/4 subminiature, miniature flanged lamp. 6.0 volts, 0.20 amps.
T-1 3/4 subminiature, miniature flanged lamp. 2.5 volts, 0.40 amps.
Gilway Technical Lamp
HLMA-QG00-S0011 HLMA-QG00-S0021 HLMA-QG00-TV000 HL HLMA-QG00-S0011 · Subminiature High Performance AS AlInGaP Red LED Lamps, Gull Wing, 7 inch reel
HLMA-QG00-S0021 · Subminiature High Performance AS AlInGaP Red LED Lamps
HLMA-QG00-TV000 · Subminiature High Performance AS AlInGaP Red LED Lamps
HLMT-QG00-T0000 · Subminiature High Performance TS AlInGaP Red LED Lamps
HLMA-QH00-T0011 · Subminiature High Performance AlInGaP LED Lamps
HLMA-QL00-UV000 · Subminiature High Performance AlInGaP LED Lamps
HLMA-QL00-UV011 · Subminiature High Performance AlInGaP LED Lamps
HLMA-QJ00-S0000 · Subminiature High Performance AS AlInGaP Orange LED Lamps
HLMA-PL00-PRR11 · Subminiature High Performance AlInGaP LED Lamps
HLMA-PL00-PRX11 · Subminiature High Performance AlInGaP LED Lamps
HLMA-QL00-TU011 · Subminiature High Performance AlInGaP LED Lamps
HLMA-QL00-TUK31 · Subminiature High Performance AlInGaP LED Lamps
HLMA-PJ00-N0000 · Subminiature AlInGaP Lamps
HLMA-PL00-QRX11 · Subminiature High Performance AlInGaP LED Lamps
HLMA-QL00-UVR11 · Subminiature High Performance AlInGaP LED Lamps
HLMA-PF00-N0000 · Subminiature High Performance AlInGaP LED Lamps
HLMA-PG00-N0011 · Subminiature High Performance AlInGaP LED Lamps
HLMT-PG00-P0000 · Subminiature High Performance TS AlInGaP Red LED Lamps
HLMT-PG00-P0031 · Subminiature High Performance TS AlInGaP Red LED Lamps
HLMA-QL00-S0011 · Subminiature High Performance AlInGaP LED Lamps
HLMA-QL00-S0012 · Subminiature High Performance AlInGaP LED Lamps
HLMA-QL00-S0021 · Subminiature High Performance AlInGaP LED Lamps
HLMA-QL00-S0031 · Subminiature High Performance AlInGaP LED Lamps
HLMA-QL00-S0034 · Subminiature High Performance AlInGaP LED Lamps
HLMA-QL00-TVB11 · Subminiature High Performance AlInGaP LED Lamps
HLMA-QL00-TVK11 · Subminiature High Performance AlInGaP LED Lamps
HLMA-QH00-S0011 · Subminiature High Performance AS AlInGaP Red Orange LED Lamps, Gull Wing, 7 inch Reel
HLMA-QH00-S0012 · Subminiature High Performance AS AlInGaP Red Orange LED Lamps, Gull Wing, Bulk
HLMA-QH00-S0021 · Subminiature High Performance AlInGaP LED Lamps
HLMA-QH00-S0031 · Subminiature High Performance AlInGaP LED Lamps
HLMA-QH00-UW011 · Subminiature High Performance AlInGaP LED Lamps
HLMT-QH00-T0011 · Subminiature High Performance AlInGaP LED Lamps
HLMT-QH00-T0021 · Subminiature High Performance AlInGaP LED Lamps
HLMT-QH00-T0031 · Subminiature High Performance AlInGaP LED Lamps
HLMT-QH00-WX000 · Subminiature High Performance AlInGaP LED Lamps
HLMT-QH00-WX011 · Subminiature High Performance AlInGaP LED Lamps
HLMA-QL00-UWB11 · Subminiature High Performance AlInGaP LED Lamps
HLMA-PH00-N0011 · Subminiature High Performance AlInGaP LED Lamps
HLMA-PH00-N0014 · Subminiature High Performance AlInGaP LED Lamps
HLMA-PL00-N0011 · Subminiature High Performance AlInGaP LED Lamps
HLMA-PL00-N0012 · Subminiature High Performance AlInGaP LED Lamps
HLMA-PL00-N0021 · Subminiature High Performance AlInGaP LED Lamps
HLMA-PL00-N0031 · Subminiature High Performance AlInGaP LED Lamps
HLMT-PH00-P0011 · Subminiature High Performance TS AlInGaP Red Orange LED Lamps
HLMT-PH00-P0012 · Subminiature High Performance TS AlInGaP Red Orange LED Lamps
HLMT-PH00-P0021 · Subminiature High Performance AlInGaP LED Lamps
HLMT-PH00-P0022 · Subminiature High Performance AlInGaP LED Lamps
HLMT-PL00-P0W11 · Subminiature High Performance AlInGaP LED Lamps
HLMT-PL00-P0W12 · Subminiature High Performance AlInGaP LED Lamps
HLMT-PL00-P0W22 · Subminiature High Performance AlInGaP LED Lamps
HLMT-PL00-P0W31 · Subminiature High Performance AlInGaP LED Lamps
HLMT-QL00-T0011 · Subminiature High Performance AlInGaP LED Lamps
HLMT-QL00-T0021 · Subminiature High Performance AlInGaP LED Lamps
HLMT-QL00-T0024 · Subminiature High Performance AlInGaP LED Lamps
HLMT-QL00-T0031 · Subminiature High Performance AlInGaP LED Lamps
HLMA-QF00-S0000 · Subminiature High Performance AS AlInGaP Red LED Lamps
Agilent (Hewlett-Packard)
ATH15 ATH12 ATH06 ATH06T033 CHOKE,AXIAL,CONFORMAL,0.68uH, 10% INDUCTIVE TOL,495 IDC,
CHOKE,AXIAL,CONFORMAL,8.2uH, 5% INDUCTIVE TOL,155 IDC,
CHOKE,AXIAL,CONFORMAL,47uH, 10% INDUCTIVE TOL,167 IDC,
CHOKE,AXIAL,CONFORMAL,470uH, 5% INDUCTIVE TOL,53 IDC,
Astec America, Inc
15-24-3052 15-24-3053 15-24-3000 4 CKT PWR CONN - BLACK A701565002 4 CONTACT(S), FEMALE, POWER CONNECTOR, IDC
4CKT TIN PWR CONN W/YELLO 701565003 4 CONTACT(S), FEMALE, POWER CONNECTOR, IDC
Disk Drive Pwr IDT Fem V2 16awg Strnd 4 CONTACT(S), FEMALE, POWER CONNECTOR, IDC
Molex, Inc.
 
 Related keyword From Full Text Search System
IDM25PH5 module IDM25PH5 supply IDM25PH5 preis IDM25PH5 series IDM25PH5 Dropout
IDM25PH5 driver IDM25PH5 infineon IDM25PH5 resistor IDM25PH5 complimentary against IDM25PH5 Mixed
 

 

Price & Availability of IDM25PH5

All Rights Reserved © IC-ON-LINE 2003 - 2022  

[Add Bookmark] [Contact Us] [Link exchange] [Privacy policy]
Mirror Sites :  [www.datasheet.hk]   [www.maxim4u.com]  [www.ic-on-line.cn] [www.ic-on-line.com] [www.ic-on-line.net] [www.alldatasheet.com.cn] [www.gdcy.com]  [www.gdcy.net]


 . . . . .
  We use cookies to deliver the best possible web experience and assist with our advertising efforts. By continuing to use this site, you consent to the use of cookies. For more information on cookies, please take a look at our Privacy Policy. X
0.31431698799133