Part Number Hot Search : 
235003P 71000 ADB2506 1N5274UR NLI142P GUF20B 001000 AD536
Product Description
Full Text Search

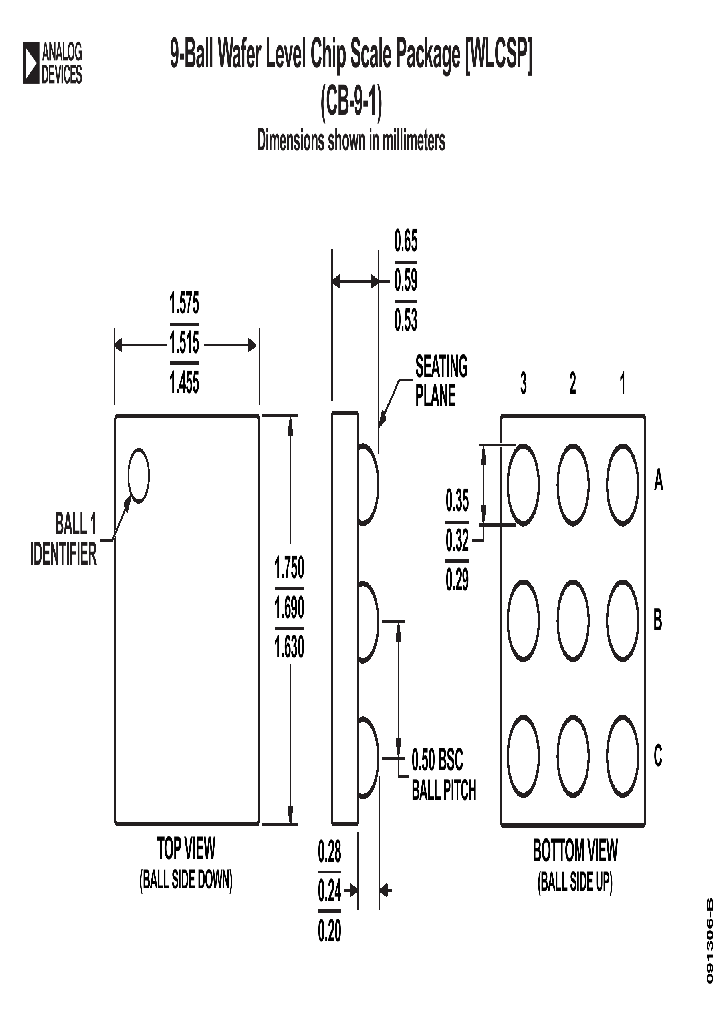
CB-9-1 - 9-Ball Wafer Level Chip Scale Package [WLCSP] Dimensions shown in millimeters

CB-9-1_966549.PDF Datasheet


 Full text search : 9-Ball Wafer Level Chip Scale Package [WLCSP] Dimensions shown in millimeters
 Product Description search : 9-Ball Wafer Level Chip Scale Package [WLCSP] Dimensions shown in millimeters


 Related Part Number
PART Description Maker
CS280 Ball Chip Scale Package - CS280
XILINX[Xilinx, Inc]
UPD16488A UPD16488AP UPD16488AW 1/92 DUTY LCD CONTROLLER/DRIVER WITH FOUR-LEVEL GRAY SCALE, ON-CHIP RAM
http://
UPD16498 UPD16498W UPD16498P 1/128 DUTY LCD CONTROLLER/DRIVER WITH FOUR-LEVEL GRAY SCALE, ON-CHIP RAM
NEC[NEC]
CSPEMI204 CSPEMI204G 2 Channel Headset EMI Filter with ESD Protection @ ±8kV (IEC61000-4-2 Level 4 Contact Discharge), Chip Scale Package
California Micro Devices Corp
BA6125 A5800779 LED Display Driver
LED level meter driver, 5-point, linear scale
From old datasheet system
LED Level Meter Driver, 5-point,Linear Scale(LED电平表驱动器,5线刻
LED Level Meter Driver, 5-point,Linear Scale(LED?靛钩琛ㄩ┍?ㄥ?,5??绾垮?搴?
Rohm CO.,LTD.
BA6137 A5801044 LED level meter driver, 5-point,VU scale(LED电平表驱动器,5UV刻度)
From old datasheet system
LED level meter driver, 5-point, VU scale
Rohm CO.,LTD.
LC6527C_H LC6528C_H LC6528H LC6528C LC6527C LC6527 SINGLE CHIP 4 BIT MICROCOMPUTERS FOR SMALL SCALE CONTROL ORIENTED APPLICATIONS 4位单片微机的小规模控制为导向的应
CMOS LSI SINGLE - CHIP 4-BIT MICROCOMPUTERS FOR SMALL - SCALE CONTROL-ORIENTED APPLICATIONS
CMOS LSI SINGLE-CHIP 4-BIT MICROCOMPUTERS FOR SMALL-SCALE CONTROL-ORIENTED APPLICATIONS
RES,Metal Film,1.24MOhms,250WV,1 /-% Tol,-250,250ppm-TC RoHS Compliant: Yes
Sanyo Electric Co., Ltd.
Sanyo Electric Co.,Ltd.
VMMK-2303-TR1G 0.5 to 6 GHz 1.8 V E-pHEMT Shutdown LNA in Wafer Level Package
AVAGO TECHNOLOGIES LIMI...
VMMK-2203 0.9-11 GHz E-pHEMT Wideband Amplifier in Wafer Level Package
Broadcom Corporation.
AVAGO TECHNOLOGIES LIMI...
VMMK-2103-15 0.5 to 6 GHz Bypass E-pHEMT LNA in Wafer Level Package
AVAGO TECHNOLOGIES LIMI...
ST7586S 4-Level Gray Scale Dot Matrix LCD Controller/Driver
Sitronix Technology Co., Ltd.
 
 Related keyword From Full Text Search System
CB-9-1 outputs CB-9-1 processor CB-9-1 upload CB-9-1 series CB-9-1 poliester
CB-9-1 Specification CB-9-1 bridge CB-9-1 Engine CB-9-1 Fairchild CB-9-1 integrated gigabit
 

 

Price & Availability of CB-9-1

All Rights Reserved © IC-ON-LINE 2003 - 2022  

[Add Bookmark] [Contact Us] [Link exchange] [Privacy policy]
Mirror Sites :  [www.datasheet.hk]   [www.maxim4u.com]  [www.ic-on-line.cn] [www.ic-on-line.com] [www.ic-on-line.net] [www.alldatasheet.com.cn] [www.gdcy.com]  [www.gdcy.net]


 . . . . .
  We use cookies to deliver the best possible web experience and assist with our advertising efforts. By continuing to use this site, you consent to the use of cookies. For more information on cookies, please take a look at our Privacy Policy. X
0.04106593132019