Part Number Hot Search : 
2N2906A HGTP1 SCD320H TFR433G1 CER0023A KTC3911 N83605M TUQ1E82
Product Description
Full Text Search

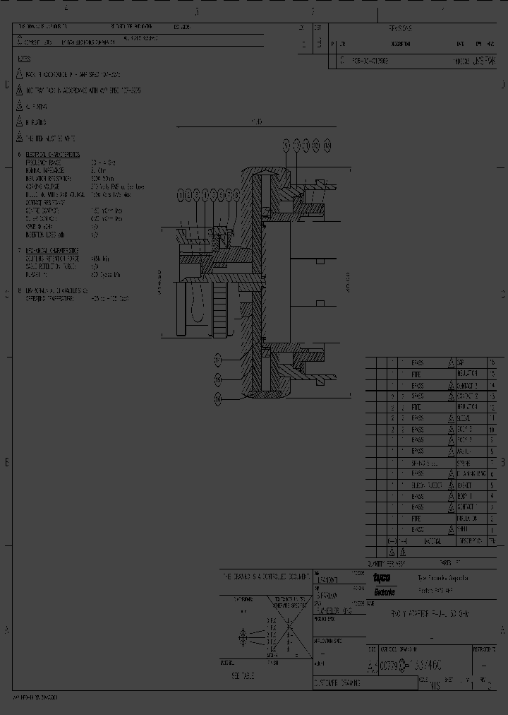
1-1337460-0 - BNC; BNC Y Adp PJJ 50Ohm Nickel Pltd ( Greenpar )

1-1337460-0_226986.PDF Datasheet


 Full text search : BNC; BNC Y Adp PJJ 50Ohm Nickel Pltd ( Greenpar )
 Product Description search : BNC; BNC Y Adp PJJ 50Ohm Nickel Pltd ( Greenpar )


 Related Part Number
PART Description Maker
1-1337544-0 BNC; BNC R/A Plg Hex 50Ohm Nickel Pltd RG58C/ ( Greenpar )
Tyco Electronics
1-1337427-0 BNC; BNC Str Plg Hex 50Ohm Silver Pltd RG58C/ ( Greenpar )
Tyco Electronics
1-1337504-0 6-1337504-0 BNC CONNECTOR, SOCKET
BNC; BNC BHSkt Tag 75Ohm Silver Pltd ( Greenpar )
Tyco Electronics
PE7000-20 20 dB Fixed Attenuator, BNC Male To BNC Female Rated To 1 Watt Up To 2 GHz
Pasternack Enterprises, Inc.
PE3450LF CABLE ASSEMBLY RG213/U BNC MALE TO BNC FEMALE BULKHEAD
Pasternack Enterprises,...
1274566-3 BNC; PLUG KIT, RIGHT ANGLE, MINI BNC ( Tyco Electronics )
Tyco Electronics
1-1337429-0 BNC; BNC Str Plg Hex 75Ohm Silver Pltd RG59B/ ( Greenpar )
Tyco Electronics
221123-3 BNC; JACK,PCB,VERT,COMMERCIAL BNC ( AMP )
Tyco Electronics
PE9361 75 Ohm BNC Male to BNC Female Right Angle Adapter
Pasternack Enterprises,...
 
 Related keyword From Full Text Search System
1-1337460-0 Sipat 1-1337460-0 semiconductor 1-1337460-0 rohm 1-1337460-0 channel 1-1337460-0 Instruments
1-1337460-0 circuit board 1-1337460-0 gate 1-1337460-0 display 1-1337460-0 Octal 1-1337460-0 Positive
 

 

Price & Availability of 1-1337460-0

All Rights Reserved © IC-ON-LINE 2003 - 2022  

[Add Bookmark] [Contact Us] [Link exchange] [Privacy policy]
Mirror Sites :  [www.datasheet.hk]   [www.maxim4u.com]  [www.ic-on-line.cn] [www.ic-on-line.com] [www.ic-on-line.net] [www.alldatasheet.com.cn] [www.gdcy.com]  [www.gdcy.net]


 . . . . .
  We use cookies to deliver the best possible web experience and assist with our advertising efforts. By continuing to use this site, you consent to the use of cookies. For more information on cookies, please take a look at our Privacy Policy. X
0.24097299575806