Part Number Hot Search : 
RFP064N MP3120DJ TLPGE247 ECG87MP U4477B UPD17053 R2868 C2919HM
Product Description
Full Text Search

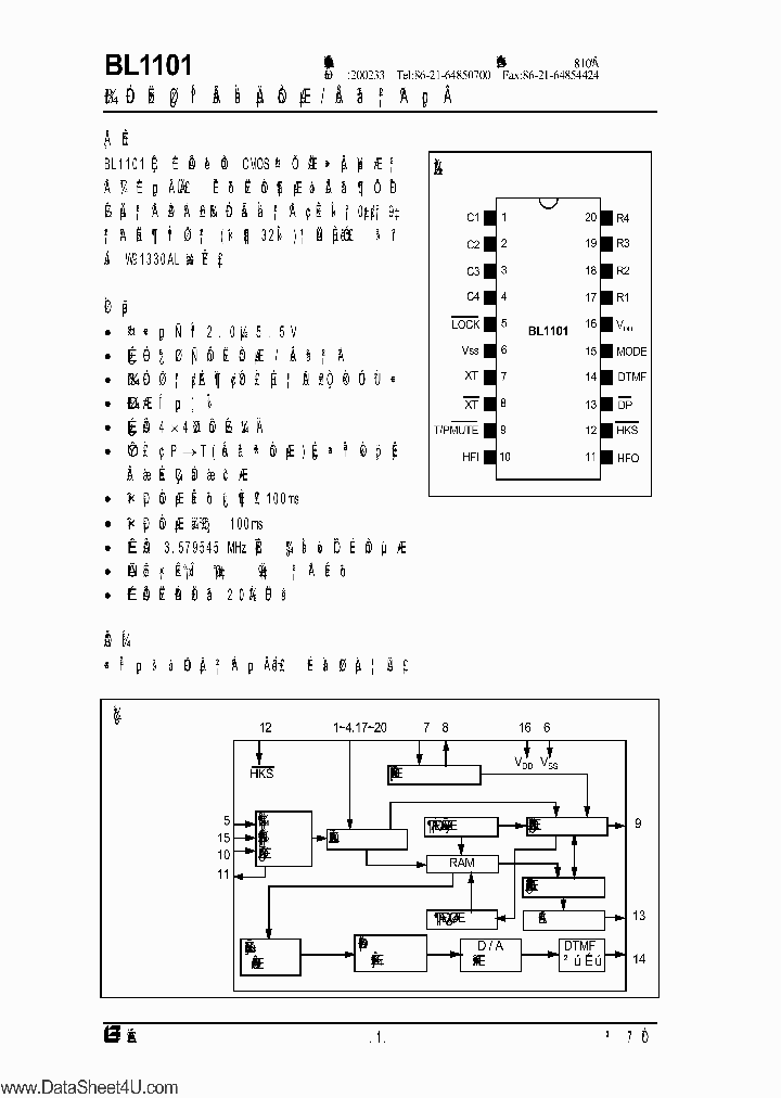
BL1101 - Tone/Pulse Dialer (CH Version)

BL1101_146474.PDF Datasheet

 
Part No. BL1101
Description Tone/Pulse Dialer (CH Version)

File Size 117.68K  /  8 Page  

Maker

Shanghai



JITONG TECHNOLOGY
(CHINA HK & SZ)
Datasheet.hk's Sponsor

Part: BL1101L
Maker: BL
Pack: DIP
Stock: 94
Unit price for :
    50: $2.40
  100: $2.28
1000: $2.16

Email: oulindz@gmail.com

Contact us

Homepage
Download [ ]
[ BL1101 Datasheet PDF Downlaod from Datasheet.HK ]
[BL1101 Datasheet PDF Downlaod from Maxim4U.com ] :-)


[ View it Online ]   [ Search more for BL1101 ]

[ Price & Availability of BL1101 by FindChips.com ]

 Full text search : Tone/Pulse Dialer (CH Version)
 Product Description search : Tone/Pulse Dialer (CH Version)


 Related Part Number
PART Description Maker
HT9320A HT9320H HT9320L-X HT9320K    22-Memory Tone/Pulse Dialer
22-Memory Tone/Pulse Dialer With keytone function(22个存储单元、音脉冲拨号器,具有主音键功 22内存音频/脉冲京辕道营销功能22个存储单元,音频拨号脉冲拨号器,具有主音键功能)
22-Memory Tone/Pulse Dialer With on-hook store function(22个存储单元、音脉冲拨号器,具有在线异常分支功能)
Holtek Semiconductor In...
Holtek Semiconductor, Inc.
Holtek Semiconductor Inc.
W91460N W91462N W91466N W91460NSERIES From old datasheet system
3-memory tone/pulse dialer with handfree and hold functions
3-MEMORY TONE/PULSE DIALER WITH SAVE FUNCTION
WINBOND[Winbond]
W91810 W91810ALN W91810AN W91810LN W91810N W91811A 23-MEMORY TONE/PULSE DIALER WITH HANDSFREE, LOCK AND HOLD FUNCTIONS
23-MEMORY TONE/PULSE DIALER WITH HANDFREE, LOCK AND HOLD FUNCTIONS
23-memory tone/pulse dialer with autoredial rtc and lcd display functions
Winbond Electronics
WINBOND[Winbond]
W91331N W91330ALN W91330LN W91331AN W91330N W91330 TONE/PULSE DIALER WITH HANDFREE LOCK AND KEY TONE FUNCTION
TONE/PULSE DIALER WITH HANDSFREE LOCK AND KEY TONE FUNCTIONS
Winbond Electronics
W91352N W91350AN W91352AN W91354AN W91350N 13-MEMORY TONE/PULSE DIALER WITH HANDFREE AND HOLD FUNCTION
13 Memory Tone/Pulse Dialer with Handsfree and Hold Functions
Winbond Electronics
W91432N W91444 W91434G W91433N W91430N W91435G W91 Telephone Dialer
13-MEMORY TONE/PULSE DIALER WITH SAVE FUNCTION
Winbond Electronics Corp
MC145412P MC145413P MC145512P MC145413 Pulse/Tone Repertory Dialer Low Power SIilicon-Gate CMOS TELEPHONE DIALER CKT, PDIP18
Motorola Mobility Holdings, Inc.
MOTOROLA[Motorola Inc]
Motorola, Inc
EM91410 TONE/PULSE SWITCHABLE DIALER WITH LCD INTERFACE AND DUAL-TONE MELODY GENERATOR
ELAN Microelctronics Corp .
NT91214 NT91214A NT91214B NT91214C NT91214D NT9121 Tone/Pulse Dialer
List of Unclassifed Manufacturers
IL91210E Tone/Pulse Dialer
IK Semiconductor
 
 Related keyword From Full Text Search System
BL1101 中文网站 BL1101 byte BL1101 register BL1101 gdcy BL1101 read
BL1101 Download BL1101 Price BL1101 quad op amp BL1101 中文简介 BL1101 Port
 

 

Price & Availability of BL1101

All Rights Reserved © IC-ON-LINE 2003 - 2022  

[Add Bookmark] [Contact Us] [Link exchange] [Privacy policy]
Mirror Sites :  [www.datasheet.hk]   [www.maxim4u.com]  [www.ic-on-line.cn] [www.ic-on-line.com] [www.ic-on-line.net] [www.alldatasheet.com.cn] [www.gdcy.com]  [www.gdcy.net]


 . . . . .
  We use cookies to deliver the best possible web experience and assist with our advertising efforts. By continuing to use this site, you consent to the use of cookies. For more information on cookies, please take a look at our Privacy Policy. X
0.053348064422607