Part Number Hot Search : 
1212D 830MHZ MSK153 CA888 MSM7512 D3L20U N74F620N DBS154G
Product Description
Full Text Search

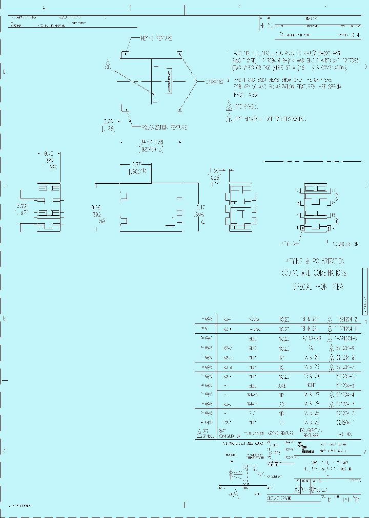
521204-5 - Positive Lock Connectors; HSG,POS LOC,MARKIII,250 SRS,2P ( AMP )

521204-5_104687.PDF Datasheet


 Full text search : Positive Lock Connectors; HSG,POS LOC,MARKIII,250 SRS,2P ( AMP )
 Product Description search : Positive Lock Connectors; HSG,POS LOC,MARKIII,250 SRS,2P ( AMP )


 Related Part Number
PART Description Maker
142685-3 Positive Lock Connectors; TERMINAL REC POS LOCK LIF 5 MM ( AMP )
Tyco Electronics
142685-1 Positive Lock Connectors; TERMINAL REC POS LOCK LIF 5 MM ( AMP )
Tyco Electronics
142681-2 Positive Lock Connectors; HOUSING POS LOCK MK III 3 P RED ( AMP )
Tyco Electronics
142686-1 Positive Lock Connectors; POS LOCK LIF 500 ( AMP )
Tyco Electronics
1-1971840-5 TYCOELECTRONICS-2-1971840-5 Positive Lock Connectors
Tyco Electronics
4-521384-2 Positive Lock Connectors; ASSY PL R/A RAST5 HEADER 02-G ( AMP )
Tyco Electronics
4-521382-4 Positive Lock Connectors; ASSY PL VERT RAST5 HEADER 04-G ( AMP )
Tyco Electronics
142502-2 MIC ( Multiple Interlock Connectors ); MIC HSG ASSY CAP 17 POS. ( AMP )
Tyco Electronics
142502-1 MIC ( Multiple Interlock Connectors ); MIC HSG ASSY CAP 17 POS. ( AMP )
Tyco Electronics
925471-1 Timer Connectors; 25P MINI TIMER HSG ( AMP )
Tyco Electronics
521115-1 Timer Connectors; 24 POSN TIMER HSG G1NBLK ( AMP )
Tyco Electronics
 
 Related keyword From Full Text Search System
521204-5 zener 521204-5 Vcc 521204-5 Positive 521204-5 noise 521204-5 frequency
521204-5 521204-5 pnp 521204-5 Bandwidth 521204-5 specifications 521204-5 transistor
 

 

Price & Availability of 521204-5

All Rights Reserved © IC-ON-LINE 2003 - 2022  

[Add Bookmark] [Contact Us] [Link exchange] [Privacy policy]
Mirror Sites :  [www.datasheet.hk]   [www.maxim4u.com]  [www.ic-on-line.cn] [www.ic-on-line.com] [www.ic-on-line.net] [www.alldatasheet.com.cn] [www.gdcy.com]  [www.gdcy.net]


 . . . . .
  We use cookies to deliver the best possible web experience and assist with our advertising efforts. By continuing to use this site, you consent to the use of cookies. For more information on cookies, please take a look at our Privacy Policy. X
0.37782502174377