Part Number Hot Search : 
ON2550 TFS525 TR3D157 LTU455I2 71547 HQFN36V EU02J LDZ125ES
Product Description
Full Text Search

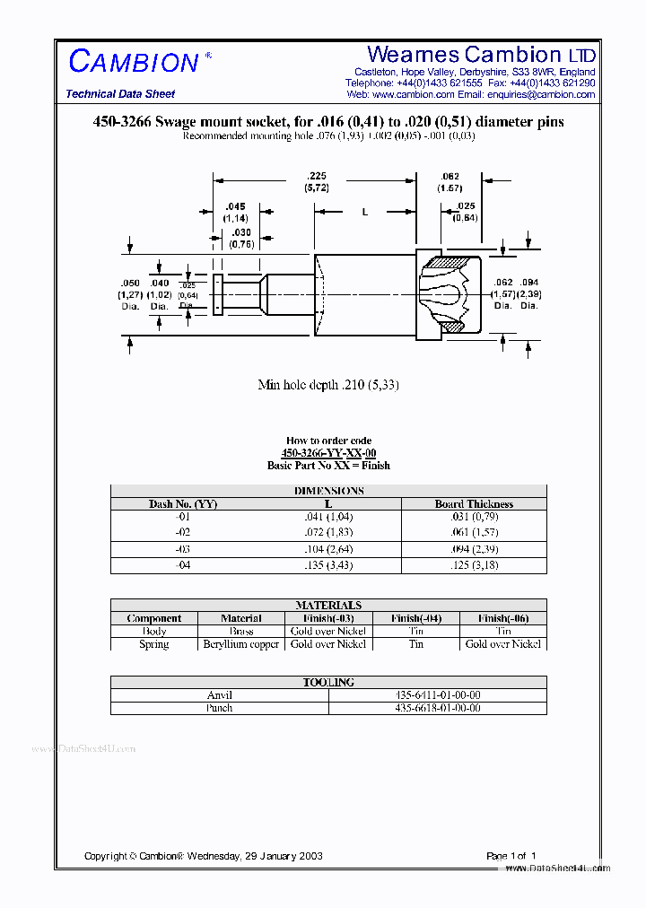
450-3266 - Swage mount socket

450-3266_71934.PDF Datasheet


 Full text search : Swage mount socket
 Product Description search : Swage mount socket


 Related Part Number
PART Description Maker
GSM293-7C35A6-V GSM040-1F1141-V GSM142-7F1341-V GS PGA293, IC SOCKET
PGA40, IC SOCKET
PGA142, IC SOCKET
PGA80, IC SOCKET
PGA300, IC SOCKET
PGA122, IC SOCKET
PGA156, IC SOCKET
PGA591, IC SOCKET
PGA155, IC SOCKET
PGA124, IC SOCKET
PGA169, IC SOCKET
PGA72, IC SOCKET
PGA241, IC SOCKET
PGA391, IC SOCKET
PGA320, IC SOCKET
PGA761, IC SOCKET
PGA319, IC SOCKET
PGA223, IC SOCKET
PGA200, IC SOCKET
PGA207, IC SOCKET
PGA209, IC SOCKET
PGA400, IC SOCKET
PGA321, IC SOCKET
PGA447, IC SOCKET
PGA240, IC SOCKET
PGA189, IC SOCKET
PGA225, IC SOCKET
PGA133, IC SOCKET
THOMAS & BETTS CORP
XTSH937-752GGYC XTSH660-754GGYH XTSG404-659GGYH XT BGA937, IC SOCKET
BGA660, IC SOCKET
BGA404, IC SOCKET
BGA696, IC SOCKET
BGA673, IC SOCKET
BGA1088, IC SOCKET
BGA160, IC SOCKET
BGA316, IC SOCKET
BGA225, IC SOCKET
BGA648, IC SOCKET
BGA503, IC SOCKET
BGA348, IC SOCKET
BGA675, IC SOCKET
BGA353, IC SOCKET
BGA900, IC SOCKET
BGA385, IC SOCKET
BGA615, IC SOCKET
BGA600, IC SOCKET
BGA84, IC SOCKET
BGA153, IC SOCKET
BGA400, IC SOCKET
BGA360, IC SOCKET
BGA1225, IC SOCKET
ADVANCED INTERCONNECTIONS CORP
0605-GT-14-L SST-1209-ST-02-L SST-1209-ST-10-L SST PGA30, IC SOCKET
PGA108, IC SOCKET
PGA160, IC SOCKET
DIP20, IC SOCKET
PGA60, IC SOCKET
PGA130, IC SOCKET
PGA75, IC SOCKET
DIP4, IC SOCKET
PGA28, IC SOCKET
PGA48, IC SOCKET
PGA255, IC SOCKET
PGA24, IC SOCKET
PGA187, IC SOCKET
PGA12, IC SOCKET
SIP17, IC SOCKET
PGA63, IC SOCKET
PGA144, IC SOCKET
DIP26, IC SOCKET
DIP14, IC SOCKET
SIP4, IC SOCKET
SIP3, IC SOCKET
SIP1, IC SOCKET
SIP7, IC SOCKET
SAMTEC INC
0605-G-14-L SST-1209-S-15-L SST-1209-S-32-L SST-12 PGA30, IC SOCKET
PGA108, IC SOCKET
PGA20, IC SOCKET
DIP10, IC SOCKET
PGA96, IC SOCKET
SIP1, IC SOCKET
PGA84, IC SOCKET
PGA80, IC SOCKET
PGA225, IC SOCKET
PGA98, IC SOCKET
SIP14, IC SOCKET
PGA28, IC SOCKET
PGA126, IC SOCKET
PGA18, IC SOCKET
PGA180, IC SOCKET
PGA15, IC SOCKET
SIP3, IC SOCKET
SIP12, IC SOCKET
PGA270, IC SOCKET
DIP24, IC SOCKET
SAMTEC INC
9148 614-13-156-15-06112 614-13-089-13-06112 614-1 PGA225, IC SOCKET
PGA156, IC SOCKET
PGA89, IC SOCKET
PGA72, IC SOCKET
PGA447, IC SOCKET
PGA176, IC SOCKET
PGA124, IC SOCKET
PGA296, IC SOCKET
PGA88, IC SOCKET
PGA154, IC SOCKET
PGA181, IC SOCKET
PGA145, IC SOCKET
PGA391, IC SOCKET
PGA32, IC SOCKET
PGA114, IC SOCKET
PGA132, IC SOCKET
PGA81, IC SOCKET
MILL-MAX MFG CORP
8HCA084-08T 8HCA084-08G 1HCA262-68G 1HCA262-185G 1 PGA84, IC SOCKET
PGA262, IC SOCKET
128 POS PEEL-A-WAY® PGA ADAPTER PGA128, IC SOCKET
42 POS PEEL-A-WAY® PGA ADAPTER PGA42, IC SOCKET
144 POS PEEL-A-WAY® PGA ADAPTER PGA144, IC SOCKET
145 POS MOLDED PGA ADAPTER PGA145, IC SOCKET
181 POS MOLDED PGA ADAPTER PGA181, IC SOCKET
132 POS PEEL-A-WAY® PGA ADAPTER PGA132, IC SOCKET
PGA76, IC SOCKET
PGA121, IC SOCKET
PGA70, IC SOCKET
PGA384, IC SOCKET
PGA229, IC SOCKET
PGA44, IC SOCKET
PGA116, IC SOCKET
PGA29, IC SOCKET
PGA256, IC SOCKET
PGA100, IC SOCKET
PGA339, IC SOCKET
PGA148, IC SOCKET
PGA64, IC SOCKET
PGA326, IC SOCKET
PGA193, IC SOCKET
PGA153, IC SOCKET
PGA304, IC SOCKET
PGA196, IC SOCKET
PGA324, IC SOCKET
PGA68, IC SOCKET
PGA80, IC SOCKET
PGA28, IC SOCKET
PGA136, IC SOCKET
PGA165, IC SOCKET
PGA65, IC SOCKET
PGA230, IC SOCKET
PGA173, IC SOCKET
PGA431, IC SOCKET
PGA188, IC SOCKET
PGA83, IC SOCKET
PGA172, IC SOCKET
PGA88, IC SOCKET
PGA171, IC SOCKET
PGA211, IC SOCKET
PGA264, IC SOCKET
PGA301, IC SOCKET
PGA125, IC SOCKET
PGA257, IC SOCKET
PGA36, IC SOCKET
PGA32, IC SOCKET
PGA200, IC SOCKET
PGA299, IC SOCKET
PGA239, IC SOCKET
PGA133, IC SOCKET
PGA184, IC SOCKET
PGA149, IC SOCKET
Advanced Interconnections, Corp.
ADVANCED INTERCONNECTIONS CORP
460-8452 Connectaball, swage mount
CAMBION Electronic Components
310-93-120-41-001000 311-44-117-41-001000 315-43-1 SINGLE-IN-LINE SOCKETS .100 Grid Solder Tail Single Row
SIP17, IC SOCKET
SIP22, IC SOCKET
SIP27, IC SOCKET
SIP43, IC SOCKET
SIP11, IC SOCKET
SIP53, IC SOCKET
SIP3, IC SOCKET
SIP15, IC SOCKET
SIP10, IC SOCKET
Mill-Max Mfg. Corp.
MILL-MAX MFG CORP
460-2625 Swage mount, .025 (0,64) diameter pins
CAMBION Electronic Components
 
 Related keyword From Full Text Search System
450-3266 Epitaxial 450-3266 Megabit 450-3266 Controller 450-3266 Specification of 450-3266 Test
450-3266 state diagram 450-3266 text 450-3266 DATASHEET PDF 450-3266 Silicon 450-3266 Description
 

 

Price & Availability of 450-3266

All Rights Reserved © IC-ON-LINE 2003 - 2022  

[Add Bookmark] [Contact Us] [Link exchange] [Privacy policy]
Mirror Sites :  [www.datasheet.hk]   [www.maxim4u.com]  [www.ic-on-line.cn] [www.ic-on-line.com] [www.ic-on-line.net] [www.alldatasheet.com.cn] [www.gdcy.com]  [www.gdcy.net]


 . . . . .
  We use cookies to deliver the best possible web experience and assist with our advertising efforts. By continuing to use this site, you consent to the use of cookies. For more information on cookies, please take a look at our Privacy Policy. X
0.35159206390381