Part Number Hot Search : 
25U7AFR PTZTF18B 41851 MPX4101 HTU21D AN874 EA09070 MMSZ6V2B
Product Description
Full Text Search

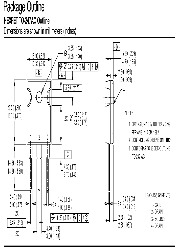
TO247 - HEXFET TO-247AC Outline Dimensions are shown in millimeters (inches)

TO247_36648.PDF Datasheet


 Full text search : HEXFET TO-247AC Outline Dimensions are shown in millimeters (inches)
 Product Description search : HEXFET TO-247AC Outline Dimensions are shown in millimeters (inches)


 Related Part Number
PART Description Maker
IRFP2907ZPBF IRFP2907Z 75V Single N-Channel HEXFET Power MOSFET in a TO-247AC package
International Rectifier
IRFP140 100V Single N-Channel HEXFET Power MOSFET in a TO-247AC package
International Rectifier
IRFP450LCPBF 500V Single N-Channel HEXFET Power MOSFET in a TO-247AC package
International Rectifier
IRFP22N60KPBF 600V Single N-Channel HEXFET Power MOSFET in a TO-247AC package
International Rectifier
40TPS08 40TPS08A 40TPS12A 40TPS12 Silicon Controlled Rectifier, 55 A, 1200 V, SCR, TO-247AC, TO-247AC, 3 PIN
1200V 35A Phase Control SCR in a TO-247AC package
800V 35A Phase Control SCR in a TO-247AC package
Vishay Semiconductors
International Rectifier
IRFP254 Power MOSFET(Vdss = 250 V, Rds(on)=0.14ohm, Id=23A) 功率MOSFET(减振钢板基本\u003d 250伏,的Rdson)\u003d 0.14ohm,身份证\u003d 23A条)
HEXFET? Power MOSFET
250V Single N-Channel HEXFET Power MOSFET in a TO-247AC package
International Rectifier, Corp.
Samsung semiconductor
IRFP32N50K IRFP32N50 IRFP32N50KPBF 500V Single N-Channel HEXFET Power MOSFET in a TO-247AC package
From old datasheet system
HEXFET? Power MOSFET
Power MOSFET(Vdss=500V, Rds(on)typ.=0.135ohm, Id=32A) 功率MOSFET(减振钢板基本\u003d 500V及的Rdson)典\u003d 0.135ohm,身份证\u003d 32A条)
IRF[International Rectifier]
International Rectifier, Corp.
IRFP240 IRFP250NPBF IRFP240PBF Power MOSFET(Vdss=200V, Rds(on)=0.18ohm, Id=20A) 功率MOSFET(减振钢板基本\u003d 200V的电压,的Rdson)\u003d 0.18ohm,身份证\u003d 20A条)
HEXFET? Power MOSFET
200V Single N-Channel HEXFET Power MOSFET in a TO-247AC package
International Rectifier, Corp.
IRF[International Rectifier]
IRFP3077PBF IRFP3077PBF-15 High Efficiency Synchronous Rectification in SMPS
HEXFET Power MOSFET
120 A, 75 V, 0.0033 ohm, N-CHANNEL, Si, POWER, MOSFET, TO-247AC
International Rectifier
IRFP4110PBF High Efficiency Synchronous Rectification in SMPS
HEXFET Power MOSFET
180 A, 100 V, 0.0045 ohm, N-CHANNEL, Si, POWER, MOSFET, TO-247AC
International Rectifier
IRFP460P IRFP460PPBF 500V Single N-Channel HEXFET Power MOSFET in a TO-247AC package
Power MOSFET(Vdss=500V, Rds(on)=0.27ohm, Id=20A)
IRF[International Rectifier]
IRFP044 60V Single N-Channel HEXFET Power MOSFET in a TO-247AC package
Power MOSFET(Vdss=60V, Rds(on)=0.028ohm, Id=57A)
International Rectifier
Power MOSFET
 
 Related keyword From Full Text Search System
TO247 rohm TO247 microcontroller TO247 timer TO247 Signal TO247 Mosfet
TO247 volts TO247 filetype:pdf TO247 components TO247 maxim TO247 Manufacturer
 

 

Price & Availability of TO247

All Rights Reserved © IC-ON-LINE 2003 - 2022  

[Add Bookmark] [Contact Us] [Link exchange] [Privacy policy]
Mirror Sites :  [www.datasheet.hk]   [www.maxim4u.com]  [www.ic-on-line.cn] [www.ic-on-line.com] [www.ic-on-line.net] [www.alldatasheet.com.cn] [www.gdcy.com]  [www.gdcy.net]


 . . . . .
  We use cookies to deliver the best possible web experience and assist with our advertising efforts. By continuing to use this site, you consent to the use of cookies. For more information on cookies, please take a look at our Privacy Policy. X
0.036306858062744