Part Number Hot Search : 
VAL1Z 133AC TT690MOV UMA10N MC1460 2SC3568 HY5118 2SK2700
Product Description
Full Text Search

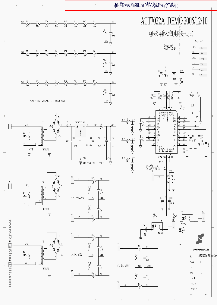
ATT7022A - Demo

ATT7022A_39142.PDF Datasheet


 Full text search : Demo
 Product Description search : Demo


 Related Part Number
PART Description Maker
MSM9802DEMOBOARD DEMO(机内掩膜ROM话音合成芯片(DEMO))
OKI SEMICONDUCTOR CO., LTD.
DEMO-ATF-5X143C DEMO-ATF-5X1431 DEMO-ATF5X14-3A AT DEMO-ATF-5X143C · Demonstration circuit board for ATF-54143, ATF-55143 and ATF-58143 (2 GHz)
DEMO-ATF-5X1431 · Demonstration circuit board for ATF-54143 and ATF-55143 (5 GHz)
DEMO-ATF5X14-3A · Demonstration circuit board for the ATF-54143 and ATF-55143 (900 MHz)
ATF-54143 · Single Voltage E-pHEMT Low Noise 36 dBm OIP3 in SC-70
Agilent (Hewlett-Packard)
KIT2 demo kit
List of Unclassifed Man...
IRMD22141SS Demo Board
International Rectifier
FB80XED-KEYPAD 7-Segment Demo board
List of Unclassifed Manufacturers
FB80XED-FND 7-Segment Demo board
List of Unclassifed Manufacturers
FB80XED-SENSOR 7-Segment Demo board
List of Unclassifed Manufacturers
List of Unclassifed Manufac...
MSM6722DEMOBOARD DEMO(用于语音信号的节距控制芯DEMO)) 演示(用于语音信号的节距控制芯片(演示)
OKI SEMICONDUCTOR CO., LTD.
MC56F8006 Demo board user’s guide
Freescale Semiconductor...
KIT10 Demo Board Operating Instruction
List of Unclassifed Man...
SI4311-DB Si4311 DEMO BOARD USER’S GUIDE
Silicon Laboratories
LXD975A LXD975A Demo Board for 10/100 Applications
Intel
 
 Related keyword From Full Text Search System
ATT7022A npn transistor ATT7022A microchip ATT7022A dropout ATT7022A Positive ATT7022A cost
ATT7022A products ATT7022A analog devices ATT7022A band ATT7022A Cirkuit diagram ATT7022A search
 

 

Price & Availability of ATT7022A

All Rights Reserved © IC-ON-LINE 2003 - 2022  

[Add Bookmark] [Contact Us] [Link exchange] [Privacy policy]
Mirror Sites :  [www.datasheet.hk]   [www.maxim4u.com]  [www.ic-on-line.cn] [www.ic-on-line.com] [www.ic-on-line.net] [www.alldatasheet.com.cn] [www.gdcy.com]  [www.gdcy.net]


 . . . . .
  We use cookies to deliver the best possible web experience and assist with our advertising efforts. By continuing to use this site, you consent to the use of cookies. For more information on cookies, please take a look at our Privacy Policy. X
0.059328079223633