Part Number Hot Search : 
13395 ADR02AR D8052AH 3SK17 SST14P2 LC78856V 2SJ50807 ZC0805P
Product Description
Full Text Search

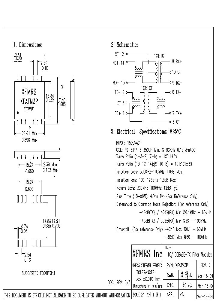
XFATM3P - 10/100BASE-TX Filter Modules

XFATM3P_4947403.PDF Datasheet


 Full text search : 10/100BASE-TX Filter Modules
 Product Description search : 10/100BASE-TX Filter Modules


 Related Part Number
PART Description Maker
XFATM3B XFATM2B XFATM8B XFATM7B XFATM6B HIGH SPEED SMT MAGNETIC MODULES FOR 10/100BASE-TX APPLICATIONS
10/100BASE-TX MAGNETICS
XFMRS Inc.
0811-2X8T-30 0811-2X8T-28 0811-2X8T-18 16port.No LEDs.RJ45 10/100Base-TX 16port.No LEDs.RJ450/100Base-TX
INTEGRATED CONNECTOR MODULES BM01815 10/100Base-TX belStack⑩
ECM Electronics, Ltd.
BEL[Bel Fuse Inc.]
0811-1XX1-01 0811-1XX1-02 0811-1XX1-03 1port.No LEDs.RJ45 10/100Base-TX 1port.No LEDs.RJ450/100Base-TX
INTEGRATED CONNECTOR MODULES 10/100Base-TX belMag
Bel Fuse Inc.
EPJ9103 Dual USB / RJ-45 Filter Port Jack with 10/100Base-TX 双USB /个RJ - 45端口过滤杰克与个10/100Base-TX
PCA Electronics, Inc.
0812-1X1T-36 1port.Y/GO LEDs.RJ45 10/100Base-TX
INTEGRATED CONNECTOR MODULES 10/100Base-TX Extended Temp belCombo⑩ with LEDs
INTEGRATED CONNECTOR MODULES 10/100Base-TX Extended Temp belCombo with LEDs
Bel Fuse Inc.
0810-1G1T-06 INTEGRATED CONNECTOR MODULES 10/100Base-TX AutoMDIX belMag with LEDs
INTEGRATED CONNECTOR MODULES 10/100Base-TX AutoMDIX belMagwith LEDs
INTEGRATED CONNECTOR MODULES 10/100Base-TX AutoMDIX belMag⑩ with LEDs
Bel Fuse Inc.
XFATM3B 10/100BASE-T MAGNETICS MODULES
XFMRS Inc.
H2019 H2005A H2009 H1180 H2017 H2006A H2008 H1187 10/100BASE-TX VoIP Magnetics Modules
Pulse A Technitrol Company
16ST1038 10/100BASE-T SINGLE PORT TRANSFORMER MODULES
Bothhand USA, LP.
0811-2X8R-19 INTEGRATED CONNECTOR MODULES 10/100Base-TX MagJack 2 x 8
BEL[Bel Fuse Inc.]
 
 Related keyword From Full Text Search System
XFATM3P precision XFATM3P battery mcu XFATM3P Stmicroelectronic XFATM3P ic查找网站 XFATM3P filetype:pdf
XFATM3P Supply XFATM3P bridge XFATM3P voltage XFATM3P ohm XFATM3P Lead forming
 

 

Price & Availability of XFATM3P

All Rights Reserved © IC-ON-LINE 2003 - 2022  

[Add Bookmark] [Contact Us] [Link exchange] [Privacy policy]
Mirror Sites :  [www.datasheet.hk]   [www.maxim4u.com]  [www.ic-on-line.cn] [www.ic-on-line.com] [www.ic-on-line.net] [www.alldatasheet.com.cn] [www.gdcy.com]  [www.gdcy.net]


 . . . . .
  We use cookies to deliver the best possible web experience and assist with our advertising efforts. By continuing to use this site, you consent to the use of cookies. For more information on cookies, please take a look at our Privacy Policy. X
0.033610820770264