Part Number Hot Search : 
P78A1R5 400002 1N5986 MR6T1G 10466 FGH50N3 46477 R60R030
Product Description
Full Text Search

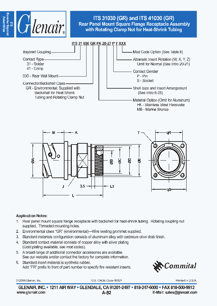
ITS31030GR - Rear Panel Mount Square Flange Receptacle Assembly

ITS31030GR_4815687.PDF Datasheet


 Full text search : Rear Panel Mount Square Flange Receptacle Assembly
 Product Description search : Rear Panel Mount Square Flange Receptacle Assembly


 Related Part Number
PART Description Maker
ITS31030GR ITS41030GR Rear Panel Mount Square Flange Receptacle Assembly
Glenair, Inc.
ITS31038A ITS31038R Rear Panel Mount Square Flange Receptacle Assembly
Glenair, Inc.
ITS31030SP ITS41030SP Rear Panel Mount Square Flange Receptacle Assembly
Glenair, Inc.
10-101949-22-S-10 10-101949-22-S-12 10-101949-22-S Square Flange Panel Mount
Glenair, Inc.
ITS4102YFK ITS4102YMB ITS3102YFK Front Panel Mount Square Flange Receptacle
Glenair, Inc.
IPT00M18-11SZC Front Panel Mount Square Flange Receptacle
Glenair, Inc.
IPT00MSE18-11SZC Front Panel Mount Square Flange Receptacle
Glenair, Inc.
IPT00E18-11SZC Front Panel Mount Square Flange Receptacle
Glenair, Inc.
ITS-3102-Y    Front Panel Mount Square Flange Receptacle
Glenair, Inc.
ITS-3100-RS    Front Panel Mount Square Flange Receptacle
Glenair, Inc.
SD-19435-008 0194350812 194350812 MX150L 8 Circuit Rear Mount Flange Plug for 18-22 AWG Wire
Molex Electronics Ltd.
 
 Related keyword From Full Text Search System
ITS31030GR pci endian mode ITS31030GR Technolog ITS31030GR gain ITS31030GR filetype:pdf ITS31030GR Detector
ITS31030GR corp ITS31030GR cantherm ITS31030GR 参数 封装 ITS31030GR Temperature ITS31030GR texas
 

 

Price & Availability of ITS31030GR

All Rights Reserved © IC-ON-LINE 2003 - 2022  

[Add Bookmark] [Contact Us] [Link exchange] [Privacy policy]
Mirror Sites :  [www.datasheet.hk]   [www.maxim4u.com]  [www.ic-on-line.cn] [www.ic-on-line.com] [www.ic-on-line.net] [www.alldatasheet.com.cn] [www.gdcy.com]  [www.gdcy.net]


 . . . . .
  We use cookies to deliver the best possible web experience and assist with our advertising efforts. By continuing to use this site, you consent to the use of cookies. For more information on cookies, please take a look at our Privacy Policy. X
0.34694409370422