Part Number Hot Search : 
TBC50DS ALR10010 2SD2178 E10CA 13202 PT31401 YD22241 PJ3MM
Product Description
Full Text Search

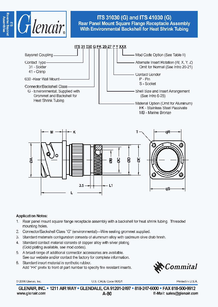
ITS31030G - Rear Panel Mount Square Flange Receptacle Assembly

ITS31030G_4815686.PDF Datasheet


 Full text search : Rear Panel Mount Square Flange Receptacle Assembly
 Product Description search : Rear Panel Mount Square Flange Receptacle Assembly


 Related Part Number
PART Description Maker
ITS3103YFK ITS4103YFK ITS4103YMB ITS3103YMB Rear Panel Mount Square Flange Receptacle
Glenair, Inc.
ITS31030GR ITS41030GR Rear Panel Mount Square Flange Receptacle Assembly
Glenair, Inc.
ITS31030R ITS31030A ITS41030R ITS41030A Rear Panel Mount Square Flange Receptacle Assembly
Glenair, Inc.
ITS31030RS ITS41030RS Rear Panel Mount Square Flange Receptacle Assembly
Glenair, Inc.
IPT02SE18-11SZ Rear Box Mount Square Flange Receptacle
Glenair, Inc.
IPT02OO18-11P-S Rear Box Mount Square Flange Receptacle
Glenair, Inc.
FRITS4100RG Front Panel Mount Square Flange Receptacle
Glenair, Inc.
ITS-3100-A-PHM-EMI67 Front Panel Mount Square Flange Receptacle Assembly
Glenair, Inc.
M712-3241942R M712-3261942R HDMI Connector, Horizontal SMT, Panel mount flange, Type A, Straight (normal) location pegs, With rear plastic lugs, selective gold tin 19 CONTACT(S), FEMALE, RIGHT ANGLE TELECOM AND DATACOM CONNECTOR, SURFACE MOUNT
HDMI Connector, Horizontal SMT, Panel mount flange, Type A, Retaining (hook) location pegs, With rear plastic lugs, selective gold tin 19 CONTACT(S), FEMALE, RIGHT ANGLE TELECOM AND DATACOM CONNECTOR, SURFACE MOUNT
Harwin PLC
TE Connectivity, Ltd.
ITS-3100-A-M    Front Panel Mount Square Flange Receptacle Assembly
Glenair, Inc.
ITS-3100-A-BR    Front Panel Mount Square Flange Receptacle Assembly
Glenair, Inc.
 
 Related keyword From Full Text Search System
ITS31030G Band ITS31030G 13MHz ITS31030G 应用线路 ITS31030G corp ITS31030G C代码
ITS31030G Level ITS31030G Noise ITS31030G interrupt ITS31030G availability ITS31030G Server
 

 

Price & Availability of ITS31030G

All Rights Reserved © IC-ON-LINE 2003 - 2022  

[Add Bookmark] [Contact Us] [Link exchange] [Privacy policy]
Mirror Sites :  [www.datasheet.hk]   [www.maxim4u.com]  [www.ic-on-line.cn] [www.ic-on-line.com] [www.ic-on-line.net] [www.alldatasheet.com.cn] [www.gdcy.com]  [www.gdcy.net]


 . . . . .
  We use cookies to deliver the best possible web experience and assist with our advertising efforts. By continuing to use this site, you consent to the use of cookies. For more information on cookies, please take a look at our Privacy Policy. X
0.52180004119873