Part Number Hot Search : 
6CWQ09F 625JN DM74A P431PB LED12 36000 HGT1S 322RTP02
Product Description
Full Text Search

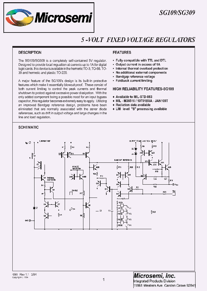
SG109R883B - 5 -VOLT FIXED VOLTAGE REGULATORS

SG109R883B_4781453.PDF Datasheet


 Full text search : 5 -VOLT FIXED VOLTAGE REGULATORS
 Product Description search : 5 -VOLT FIXED VOLTAGE REGULATORS


 Related Part Number
PART Description Maker
SG120 SG120A-8T_883B SG120-12IG SG120-12IG_883B SG Negative Fixed Linear Voltage Regulators
BOX 4.94X2.75X1.275 AA W/CLP ALMOND
NEGATIVE FIXED VOLTAGE REGULATOR 8 V FIXED NEGATIVE REGULATOR, MBFM2
NEGATIVE FIXED VOLTAGE REGULATOR 负固定电压调节器
NEGATIVE FIXED VOLTAGE REGULATOR 18 V FIXED NEGATIVE REGULATOR, MBFM2
NEGATIVE FIXED VOLTAGE REGULATOR 15 V FIXED NEGATIVE REGULATOR, CQCC20
NEGATIVE FIXED VOLTAGE REGULATOR 12 V FIXED NEGATIVE REGULATOR, MBCY3
NEGATIVE FIXED VOLTAGE REGULATOR 15 V FIXED NEGATIVE REGULATOR, MBCY3
NEGATIVE FIXED VOLTAGE REGULATOR 12 V FIXED NEGATIVE REGULATOR, CQCC20
NEGATIVE FIXED VOLTAGE REGULATOR 20 V FIXED NEGATIVE REGULATOR, MBFM2
NEGATIVE FIXED VOLTAGE REGULATOR 15 V FIXED NEGATIVE REGULATOR, MSFM3
NEGATIVE FIXED VOLTAGE REGULATOR 18 V FIXED NEGATIVE REGULATOR, MSFM3
HIGH SURGE CARBON COMP REPLACEMENT RESISTOR , 1K, 5% 负固定电压调节器
NEGATIVE FIXED VOLTAGE REGULATOR 12 V FIXED NEGATIVE REGULATOR, MSFM3
NEGATIVE FIXED VOLTAGE REGULATOR 5.2 V FIXED NEGATIVE REGULATOR, MBFM2
NEGATIVE FIXED VOLTAGE REGULATOR 5.2 V FIXED NEGATIVE REGULATOR, MBCY3
NEGATIVE FIXED VOLTAGE REGULATOR 18 V FIXED NEGATIVE REGULATOR, CQCC20
NEGATIVE FIXED VOLTAGE REGULATOR 18 V FIXED NEGATIVE REGULATOR, MBCY3
MICROSEMI CORP-ANALOG MIXED SIGNAL GROUP
MICROSEMI[Microsemi Corporation]
Microsemi, Corp.
WEJ78L08-SOT-32-L Three-terminal positive voltage regulato
SHENZHEN YONGERJIA INDUSTRY CO.,LTD
ZSR300GTA ZSR500GTA ZSR1000GTA ZSR285GTA ZSR485GTA 3.0 to 12 volt fixed positive local voltage regulator
Diodes Incorporated
Zetex Semiconductors
UA7805 UA78H05 UA78H05A UA78H05ASC UA78H05ASM UA78 5-Volt 5-Amp Voltage Regulators 5 V FIXED POSITIVE REGULATOR, MBFM2
Fairchild Semiconductor, Corp.
ZMR330FTA ZMR500FTA ZMR330F-7 ZMR250FTA ZMR25HFTA FIXED 2.5, 3.3 AND 5 VOLT MINIATURE VOLTAGE REGULATORS
   FIXED 2.5, 3.3 AND 5 VOLT MINIATURE VOLTAGE REGULATORS
Diodes Incorporated
MC78T05ABT MC78T15ACT MC78T05CD2TR4 MC78T00 MC78T1 THREE-AMPERE POSITIVE FIXED VOLTAGE REGULATORS
THREE-TERMINAL POSITIVE FIXED VOLTAGE REGULATORS 12 V FIXED POSITIVE REGULATOR, PSFM3
THREE-TERMINAL POSITIVE FIXED VOLTAGE REGULATORS 三端固定电压调节
THREE-TERMINAL POSITIVE FIXED VOLTAGE REGULATORS 5 V FIXED POSITIVE REGULATOR, PSSO2
Replaced by PTH05030W,PTH05T210W : 1.3 TO 3.5VOUT 32AMP 5V-INPUT 'SLEDGE HAMMER' PROGRAMMABLE ISR 27-SIP MODULE
MS (MIL-C-5015)/97 SERIES 3102A BOX MOUNTING RECEPTACLES, STRAIGHT BODY STYLE, SOLDER TERMINATION, 22 SHELL SIZE, 22-22 INSERT ARRANGEMENT
Motorola Mobility Holdings, Inc.
Motorola, Inc.
ON Semiconductor
ZR78L05N8 ZR78L06G ZR78L07C ZR78L07G Voltage Regulator
2.85 TO 12 VOLT FIXED POSITIVE LOCAL VOLTAGE REGULATOR
Zetex Semiconductors
LX432CSET LX432CSCT VOLT REGULATOR|FIXED| 1.24 TO 20V|BIPOLAR|TSOP|6PIN|PLASTIC
1-OUTPUT TWO TERM VOLTAGE REFERENCE, 1.24 V, PDSO3
MICROSEMI CORP-ANALOG MIXED SIGNAL GROUP
MIC37152 MIC37150 MIC37150-1.5BR MIC37150-1.65BR M FPGA 2000000 SYSTEM GATE 1.8 VOLT - NOT RECOMMENDED for NEW DESIGN 1.65 V FIXED POSITIVE LDO REGULATOR, 0.5 V DROPOUT, PSSO5
1.5 A LOW VOLTAGE UCAP LDO REGULATOR 1.8 V FIXED POSITIVE LDO REGULATOR, 0.5 V DROPOUT, PSSO3
; Leaded Process Compatible:No; Peak Reflow Compatible (260 C):No RoHS Compliant: No
MICREL INC
Micrel Semiconductor, Inc.
Micrel Semiconductor,Inc.
COM7805T COM7815T COM7812 COM7812T Three Terminal, Fixed Voltage, 1.5 AmpVPrecision Positive Regulator(1.5A,5V,固定电压,精密型三端正输出稳压 三端,固定电压,1.5安培V的,精密正稳压器1.5A的,5V的,固定电压,精密型三端正输出稳压器
Three Terminal, Fixed Voltage, 1.5 Amp12VPrecision Positive Regulator(1.5A,12V,固定电压,精密型三端正输出稳压 三端,固定电压,1.5安培12V的,精密正稳压器1.5A的,12V的,固定电压,精密型三端正输出稳压器
COMMERCIAL OFF-THE-SHELF POSITIVE FIXED VOLTAGE REGULATORS IN TO-257 PAC K
Hi-Rel Fixed Voltage 3-Terminal Positive Regulator
Three Terminal, Fixed Voltage, 1.5 Amp Precision Positive Regulators In Hermetic 三端固定电压1.5安培 在密封的精密正稳压器
Three Terminal, Fixed Voltage, 1.5 AmpVPrecision Positive Regulator 三端,固定电压,1.5安培V的,精密正稳压器
List of Unclassifed Manufacturers
ETC[ETC]
Omnirel
International Rectifier
Electronic Theatre Controls, Inc.
MC79L15ABD MC79L15ABP MC79L15CP MC79L00 MC79L00ACP From old datasheet system
THREE-TERMINAL LOW CURRENT NEGATIVE FIXED VOLTAGE REGULATORS 12 V FIXED NEGATIVE REGULATOR, PDSO8
THREE-TERMINAL LOW CURRENT NEGATIVE FIXED VOLTAGE REGULATORS 18 V FIXED NEGATIVE REGULATOR, PDSO8
THREE-TERMINAL LOW CURRENT NEGATIVE FIXED VOLTAGE REGULATORS 12 V FIXED NEGATIVE REGULATOR, PBCY3
COVER, PSU; Length / Height, external:42.1mm; Width, external:96.5mm; Depth, external:172.7mm; Material:Aluminium; Series:HUL RoHS Compliant: Yes 5 V FIXED NEGATIVE REGULATOR, PBCY3
MOTOROLA[Motorola, Inc]
MOTOROLA[Motorola Inc]
ON Semiconductor
Motorola Mobility Holdings, Inc.
RQ5RW RQ5RW29BA RQ5RW28AB-TR RQ5RW29AB-TR RQ5RW24A FAN 24VDC BISCUIT BD24A3
LED Lamp; Bulb Size:T-3; LED Color:Blue; Luminous Intensity:1500ucd; Viewing Angle:10 ; Forward Current:20mA; Forward Voltage:3.8V; Operating Temperature Range:-40 C to C; Color:Blue; Leaded Process Compatible:Yes RoHS Compliant: Yes
CAP Tantalum-Wet Miniature 6V 27.0 uF /-20% Silver can Axial , TPC - Hilton
SMALL PACKAGE VOLTAGE REGULATOR FIXED POSITIVE REGULATOR, PDSO4
SMALL PACKAGE VOLTAGE REGULATOR 2.8 V FIXED POSITIVE LDO REGULATOR, 0.06 V DROPOUT, PDSO4
SMALL PACKAGE VOLTAGE REGULATOR 4.8 V FIXED POSITIVE LDO REGULATOR, 0.04 V DROPOUT, PDSO4
1.3V 3.9W 24V-Input Isolated DC/DC Converter 10-SIP MODULE -40 to 85 FIXED POSITIVE REGULATOR, PDSO4
12V 10W 24V-Input Isolated DC/DC Converter 10-SIP MODULE -40 to 85 FIXED POSITIVE REGULATOR, PDSO4
SMALL PACKAGE VOLTAGE REGULATOR 2.3 V FIXED POSITIVE LDO REGULATOR, 0.09 V DROPOUT, PDSO4
SMALL PACKAGE VOLTAGE REGULATOR 4 V FIXED POSITIVE LDO REGULATOR, 0.04 V DROPOUT, PDSO4
SMALL PACKAGE VOLTAGE REGULATOR 4.6 V FIXED POSITIVE LDO REGULATOR, 0.04 V DROPOUT, PDSO4
SMALL PACKAGE VOLTAGE REGULATOR 4.5 V FIXED POSITIVE LDO REGULATOR, 0.04 V DROPOUT, PDSO4
SMALL PACKAGE VOLTAGE REGULATOR 3.1 V FIXED POSITIVE LDO REGULATOR, 0.06 V DROPOUT, PDSO4
Ricoh Co., Ltd.
http://
RICOH COMPANY LTD
RICOH electronics devic...
 
 Related keyword From Full Text Search System
SG109R883B vsen gate SG109R883B Engine SG109R883B epitaxial SG109R883B switching SG109R883B igbt
SG109R883B port SG109R883B Microelectronic SG109R883B application SG109R883B integrated SG109R883B 参数 封装
 

 

Price & Availability of SG109R883B

All Rights Reserved © IC-ON-LINE 2003 - 2022  

[Add Bookmark] [Contact Us] [Link exchange] [Privacy policy]
Mirror Sites :  [www.datasheet.hk]   [www.maxim4u.com]  [www.ic-on-line.cn] [www.ic-on-line.com] [www.ic-on-line.net] [www.alldatasheet.com.cn] [www.gdcy.com]  [www.gdcy.net]


 . . . . .
  We use cookies to deliver the best possible web experience and assist with our advertising efforts. By continuing to use this site, you consent to the use of cookies. For more information on cookies, please take a look at our Privacy Policy. X
0.041800022125244