Part Number Hot Search : 
58388 MAX3969E 95M009 RS08K CDEP134C CEPFZ44 73ADW AS368
Product Description
Full Text Search

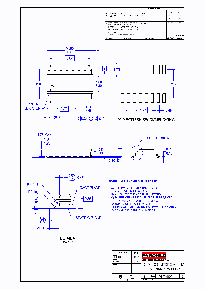
MKT-M16A - 16LD, SOIC, JEDEC MS-012 .150" NARROW BODY 16LD, SOIC, JEDEC MS-012 .150 NARROW BODY

MKT-M16A_4648266.PDF Datasheet


 Full text search : 16LD, SOIC, JEDEC MS-012 .150" NARROW BODY 16LD, SOIC, JEDEC MS-012 .150 NARROW BODY
 Product Description search : 16LD, SOIC, JEDEC MS-012 .150" NARROW BODY 16LD, SOIC, JEDEC MS-012 .150 NARROW BODY


 Related Part Number
PART Description Maker
MKT-N16E 16LD MDIP JEDEC MS-001 300 WIDE
Fairchild Semiconductor
CY241V08-11 CY241V08SC-11T Clocks and Buffers
54 MHz, OTHER CLOCK GENERATOR, PDSO8 0.150 INCH, MS-012, SOIC-8
Cypress Semiconductor, Corp.
ICS9112YG-27LF-T ICS9112YM-27-T ICS9112YM-27LF-T LOW SKEW CLOCK DRIVER, 4 TRUE OUTPUT(S), 0 INVERTED OUTPUT(S), PDSO8 0.173 INCH, MO-153, LEAD FREE, TSSOP-8
LOW SKEW CLOCK DRIVER, 4 TRUE OUTPUT(S), 0 INVERTED OUTPUT(S), PDSO8 0.150 INCH, MS-012, SOIC-8
LOW SKEW CLOCK DRIVER, 4 TRUE OUTPUT(S), 0 INVERTED OUTPUT(S), PDSO8 0.150 INCH, MS-012, LEAD FREE, SOIC-8
Integrated Device Technology, Inc.
74FR1074 74FR1074SCX FR/FASTR SERIES, DUAL NEGATIVE EDGE TRIGGERED D FLIP-FLOP, COMPLEMENTARY OUTPUT, PDSO14 0.150 INCH, MS-012, SOIC-14
From old datasheet system
Dual D-Type Flip-Flop
Fairchild Semiconductor, Corp.
18013RC RoHs/WEEE-Compliant SOIC-to-JEDEC TO Adapter
Aries Electronics, Inc.
CAT150169JWI-GT3 CAT150169LWI-GT3 CAT150161JWI-GT3 8K X 1 SPI BUS SERIAL EEPROM, PDSO8 0.150 INCH, HALOGEN FREE AND ROHS COMPLIANT, MS-012, SOIC-8
Supervisor with 16 k SPI EEPROM 16K X 1 SPI BUS SERIAL EEPROM, PDSO8
Voltage Supervisor with 8-Kb and 16-Kb SPI Serial CMOS EEPROM
ON Semiconductor
502250-3591 5022503591 0.30mm (.012) Pitch Easy-On BackFlip FPC Connector, Right Angle, SMT,Dual Contact Style, 0.90mm (.012) Mated Height, 35 Circuits
Molex Electronics Ltd.
21-0111 PACKAGE OUTLINE, 8L SOIC,150 EXPOSED PAD
Maxim Integrated Products
IXTH130N15T IXTQ130N15T 130 A, 150 V, 0.012 ohm, N-CHANNEL, Si, POWER, MOSFET, TO-247AD TO-247AD, 3 PIN
N-Channel Enhancement Mode
IXYS, Corp.
IXYS Corporation
90-0097 PACKAGE LAND PATTERN, (S16) 0.150 SOIC, 16 LEADS
Maxim Integrated Products
ASM5P2309NZG-08-ST ASM5I2309NZF-08-SR ASM5I2309NZF 2309 SERIES, LOW SKEW CLOCK DRIVER, 9 TRUE OUTPUT(S), 0 INVERTED OUTPUT(S), PDSO16 0.150 INCH, GREEN, SOIC-16
2309 SERIES, LOW SKEW CLOCK DRIVER, 9 TRUE OUTPUT(S), 0 INVERTED OUTPUT(S), PDSO16 0.150 INCH, ROHS COMPLIANT, SOIC-16
Nine Output 3.3V Buffer 九输.3V的缓冲区
Mini-Circuits
Alliance Semiconductor, Corp.
ALSC[Alliance Semiconductor Corporation]
 
 Related keyword From Full Text Search System
MKT-M16A 查询 MKT-M16A igbt MKT-M16A isa bus MKT-M16A fairchild MKT-M16A informacion de
MKT-M16A optical MKT-M16A Byte MKT-M16A fairchild MKT-M16A operation MKT-M16A Circuit
 

 

Price & Availability of MKT-M16A

All Rights Reserved © IC-ON-LINE 2003 - 2022  

[Add Bookmark] [Contact Us] [Link exchange] [Privacy policy]
Mirror Sites :  [www.datasheet.hk]   [www.maxim4u.com]  [www.ic-on-line.cn] [www.ic-on-line.com] [www.ic-on-line.net] [www.alldatasheet.com.cn] [www.gdcy.com]  [www.gdcy.net]


 . . . . .
  We use cookies to deliver the best possible web experience and assist with our advertising efforts. By continuing to use this site, you consent to the use of cookies. For more information on cookies, please take a look at our Privacy Policy. X
0.054328203201294