Part Number Hot Search : 
BAT54 SBL13003 2SK38 167358 2SK876 2SB889FR 74LCX54 ARS50D
Product Description
Full Text Search

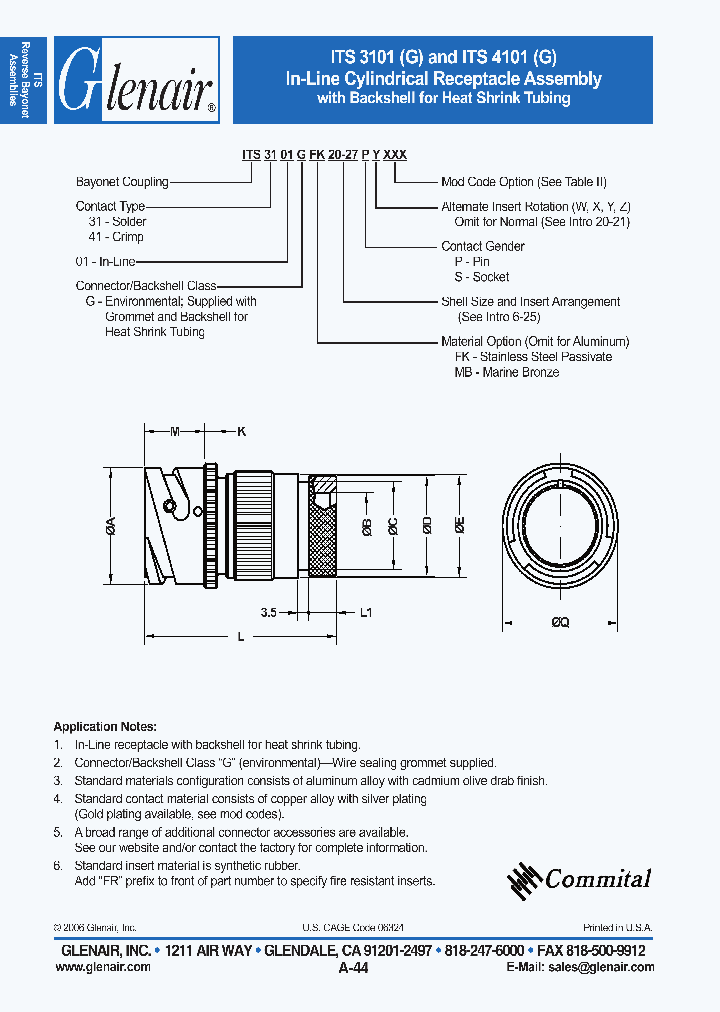
ITS3101GFK - In-Line Cylindrical Receptacle Assembly

ITS3101GFK_4534893.PDF Datasheet


 Full text search : In-Line Cylindrical Receptacle Assembly
 Product Description search : In-Line Cylindrical Receptacle Assembly


 Related Part Number
PART Description Maker
ITS3101AFK ITS3101AMB ITS3101RFK ITS3101RMB ITS410 In-Line Cylindrical Receptacle with Accessory Backshell
Glenair, Inc.
MCM63P631A MCM63P631ATQ75R 64K x 32 Bit Pipelined BurstRAM Synchronous Fast Static RAM
MS/STANDARD CYLINDRICAL MIL-C-5015 SERIES 3102E ENVIRONMENTAL RESISTING BOX MOUNT RECEPTACLES, STRAIGHT BODY STYLE, SOLDER TERMINATION, 18 SHELL SIZE, 18-11 INSERT ARRANGEMENT, RECEPTACLE GENDER, 5 CONTACTS
Motorola, Inc.
880-026R In-Line Receptacle
Glenair, Inc.
IPT01G18-11SZC In-Line Receptacle Connector
Glenair, Inc.
IPT01A18-11SZCPG16 In-Line Receptacle Connector
Glenair, Inc.
IPT01J18-11SZC In-Line Receptacle Connector
Glenair, Inc.
IPT01SE18-11SZSR In-Line Receptacle Connector
Glenair, Inc.
233-105-05XW21 233-105-05XW21L 233-105-05XW23 233- In-Line Environmental Receptacle Connector
Glenair, Inc.
E3F2-7C4-P1 E3F2-DS10C4-P1 E3F2-7B4-M1-S E3F2-3Z2 M18 Cylindrical Photoelectric 株M18圆柱型光
M18 Cylindrical Photoelectric M18圆柱型光
Omron Electronics, LLC
33472-0706 6 CONTACT(S), FEMALE, COMBINATION LINE CONNECTOR, RECEPTACLE
MOLEX INC
SMS6RIP20 6 CONTACT(S), MALE, COMBINATION LINE CONNECTOR, RECEPTACLE
SOURIAU INC
 
 Related keyword From Full Text Search System
ITS3101GFK vsen gate ITS3101GFK 制造商 ITS3101GFK fet ITS3101GFK data ITS3101GFK Integrated
ITS3101GFK module ITS3101GFK fet ITS3101GFK mosfet ITS3101GFK toshiba ITS3101GFK differential
 

 

Price & Availability of ITS3101GFK

All Rights Reserved © IC-ON-LINE 2003 - 2022  

[Add Bookmark] [Contact Us] [Link exchange] [Privacy policy]
Mirror Sites :  [www.datasheet.hk]   [www.maxim4u.com]  [www.ic-on-line.cn] [www.ic-on-line.com] [www.ic-on-line.net] [www.alldatasheet.com.cn] [www.gdcy.com]  [www.gdcy.net]


 . . . . .
  We use cookies to deliver the best possible web experience and assist with our advertising efforts. By continuing to use this site, you consent to the use of cookies. For more information on cookies, please take a look at our Privacy Policy. X
0.38337802886963