Part Number Hot Search : 
MAX2602 SML20S67 F156MPMT ZMMC91 HSZ560 MJF47 GL34A08 D4148
Product Description
Full Text Search

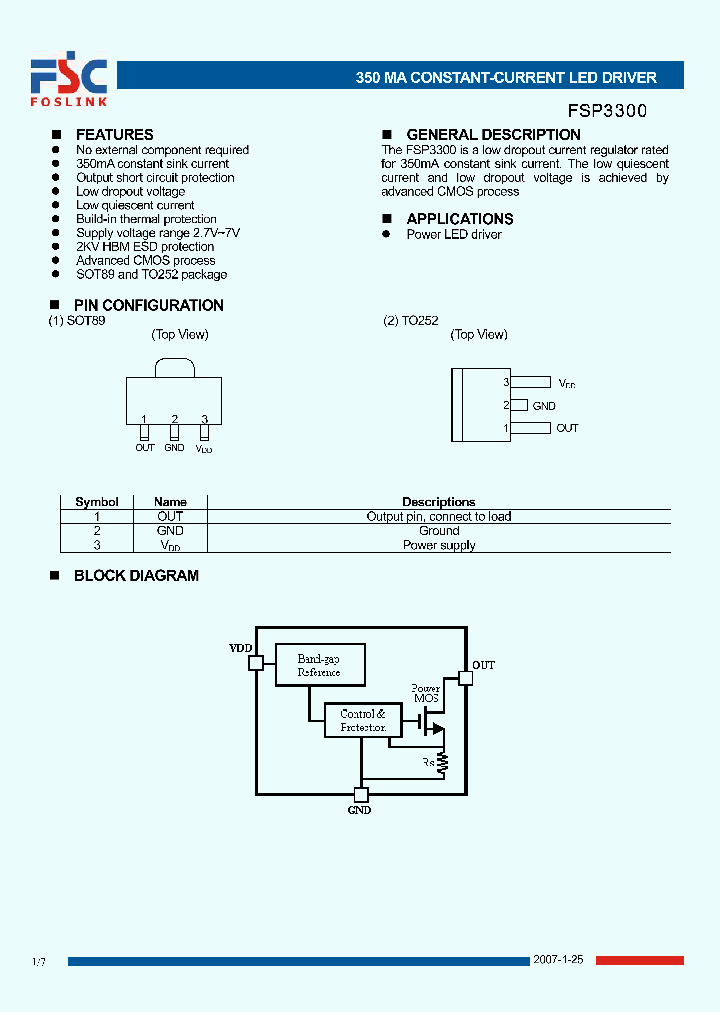
FSP3300DAD - 350 MA CONSTANT-CURRENT LED DRIVER

FSP3300DAD_4258966.PDF Datasheet


 Full text search : 350 MA CONSTANT-CURRENT LED DRIVER
 Product Description search : 350 MA CONSTANT-CURRENT LED DRIVER


 Related Part Number
PART Description Maker
FSP3300DAD FSP3300DD FSP3300YAD FSP3300YD FSP3300 350 MA CONSTANT-CURRENT LED DRIVER
FOSLINK SEMICONDUCTOR CO.,LTD
CAT4004VP2-GT3 CAT400408 CAT4004 CAT4004VP2-T3 LED DISPLAY DRIVER, DSO8
4-Channel Constant Current LED Driver with EZDim⑩
4-Channel Constant Current LED Driver with EZDim??/a>
4-Channel Constant Current LED Driver with EZDim?/a>
Catalyst Semiconductor
LED12W-36 LED12W-36-C0350 Switch Mode LED Drivers Constant Current & Constant Voltage with Isolation Black Magic Thermal Advantage?Plastic Housing
List of Unclassifed Man...
XL6005 XL6005E1 180KHz 60V 4A Switching Current Boost LED Constant Current Driver
List of Unclassifed Man...
XL6005 180KHz 60V 4A Switching Current Boost LED Constant Current Driver
XLSEMI
XL6004 400KHz 60V 3A Switching Current Boost LED Constant Current Driver
XLSEMI
T6340A T6505A T6505A-ADG T6505A-AEG T6505A-BDG T65 T6340A provides the low-dropout bias supply and the high performance alternative solution for the white LEDs application.
T6505A is designed for LED displays.
The T6506A is a 3-channel constant current LED drivers.
16-channel Constant Current LED Driver with LVDS Interface
24-channel LED Driver with LVDS Interface
16-channel LED Driver with LVDS Interface
24-channel Constant Current LED Driver with LVDS Interface
The T8601 is a low cost, simple, high-efficiency off-line LED driver IC.
The T8611 is a simple, high voltage, linear current regulator.
The T6331A are integrated, high-efficiency white or RGB LED drivers.
The T6322A is a continuous mode inductive step-down converter, designed for driving single or multiple series connected LEDs efficiently from a voltage source higher than the LED voltage.
The T6333A is a continuous mode inductive step-down converter, designed for driving single or multiple series connected LEDs efficiently from a voltage source higher than the LED voltage.
Taiwan Memory Technology
THine Electronics, Inc.
A6285EETTR-T A6285 16-Channel Constant-Current Latched LED Driver with Open LED Detection and Dot Correction
Allegro MicroSystems
LT1769IFE LT1769IFETRPBF LT1769IFEPBF Constant-Current/Constant-Voltage 2A Battery Charger with Input Current Limiting
Linear Technology
BCR405U BCR401R BCR402 BCR402R BCR402U Light Emitting Diode (LED) Driver IC Provides Constant LED Current Independent of Supply Voltage Variation
Infineon Technologies A...
INFINEON[Infineon Technologies AG]
HVG-320    320W Constant Voltage Constant Current LED Driver
Mean Well Enterprises C...
 
 Related keyword From Full Text Search System
FSP3300DAD Stereo FSP3300DAD Shunt FSP3300DAD Series FSP3300DAD surface FSP3300DAD ultra
FSP3300DAD national FSP3300DAD 接腳圖 FSP3300DAD volts FSP3300DAD gate FSP3300DAD siliconix
 

 

Price & Availability of FSP3300DAD

All Rights Reserved © IC-ON-LINE 2003 - 2022  

[Add Bookmark] [Contact Us] [Link exchange] [Privacy policy]
Mirror Sites :  [www.datasheet.hk]   [www.maxim4u.com]  [www.ic-on-line.cn] [www.ic-on-line.com] [www.ic-on-line.net] [www.alldatasheet.com.cn] [www.gdcy.com]  [www.gdcy.net]


 . . . . .
  We use cookies to deliver the best possible web experience and assist with our advertising efforts. By continuing to use this site, you consent to the use of cookies. For more information on cookies, please take a look at our Privacy Policy. X
0.045928001403809