Part Number Hot Search : 
TAR5S37U P4SMA300 A5800661 53232 ET72012 6S1K45G SD1850 PWR7000
Product Description
Full Text Search

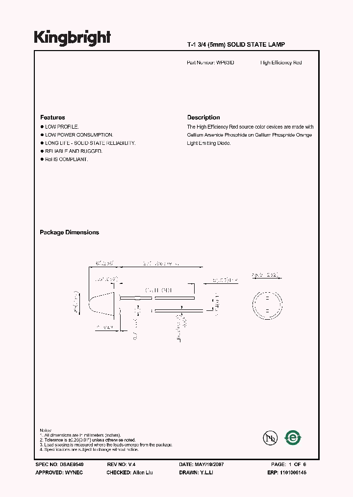
WP63ID - T-1 3/4 (5mm) SOLID STATE LAMP

WP63ID_4212262.PDF Datasheet


 Full text search : T-1 3/4 (5mm) SOLID STATE LAMP
 Product Description search : T-1 3/4 (5mm) SOLID STATE LAMP


 Related Part Number
PART Description Maker
HLMP-D640 HLMP-D400 HLMP-D401 HLMP-D600 HLMPD401B4 T-1 3/4 (5mm) SOLID STATE LAMPS PURE GREEN
T-1 3/4 (5mm) SOLID STATE LAMPS SOFT ORANGE
Pure Green Tinted T-1 3/4 (5 mm) Solid State Lamp
T-1 3/4 5mm SOLID STATE LAMPS
Super-Fast, Ultra-Low-Distortion, High-Speed Operational Amplifier with Shutdown 8-MSOP -40 to 85
Low-Distortion High-Speed Rail-to-Rail Output Operational Amplifier 5-SOT-23 -40 to 85
http://
FAIRCHILD[Fairchild Semiconductor]
Fairchild Semiconductor Corporation
WP7113SEC T-1 3/4 (5mm) SOLID STATE LAMP
Kingbright Corporation
WP7113SEC-E-15 T-1 3/4 (5mm) SOLID STATE LAMP
Kingbright Corporation
LUS12D T-1 3/4 (5mm) SOLID STATE LAMP
SunLED Corporation
LUY12D14V T-1 3/4 (5mm) SOLID STATE LAMP
SunLED Corporation
WP63SRC T-1 3/4 (5mm) SOLID STATE LAMP
Kingbright Corporation
LUG12W T-1 3/4 (5mm) SOLID STATE LAMP
SunLED Corporation
LUG12C T-1 3/4 (5mm) SOLID STATE LAMP
SunLED Corporation
WP1503GD T-1 3/4 (5mm) SOLID STATE LAMP
Kingbright Corporation
L-7113YD T-1 3/4 (5mm) SOLID STATE LAMP
Kingbright Electronic
KINGBRIGHT[Kingbright Corporation]
WP63YD T-1 3/4 (5mm) SOLID STATE LAMP
Kingbright Corporation
 
 Related keyword From Full Text Search System
WP63ID Address WP63ID power WP63ID Step WP63ID Byte WP63ID Marin
WP63ID lcd WP63ID Circuit WP63ID 中文简介 WP63ID where to buy WP63ID semicon
 

 

Price & Availability of WP63ID

All Rights Reserved © IC-ON-LINE 2003 - 2022  

[Add Bookmark] [Contact Us] [Link exchange] [Privacy policy]
Mirror Sites :  [www.datasheet.hk]   [www.maxim4u.com]  [www.ic-on-line.cn] [www.ic-on-line.com] [www.ic-on-line.net] [www.alldatasheet.com.cn] [www.gdcy.com]  [www.gdcy.net]


 . . . . .
  We use cookies to deliver the best possible web experience and assist with our advertising efforts. By continuing to use this site, you consent to the use of cookies. For more information on cookies, please take a look at our Privacy Policy. X
0.41418695449829