Part Number Hot Search : 
8TWS06S 8XC196KC 1SV26907 LSC2607 BT137 DMN5L06K BUPD1520 T25160LI
Product Description
Full Text Search

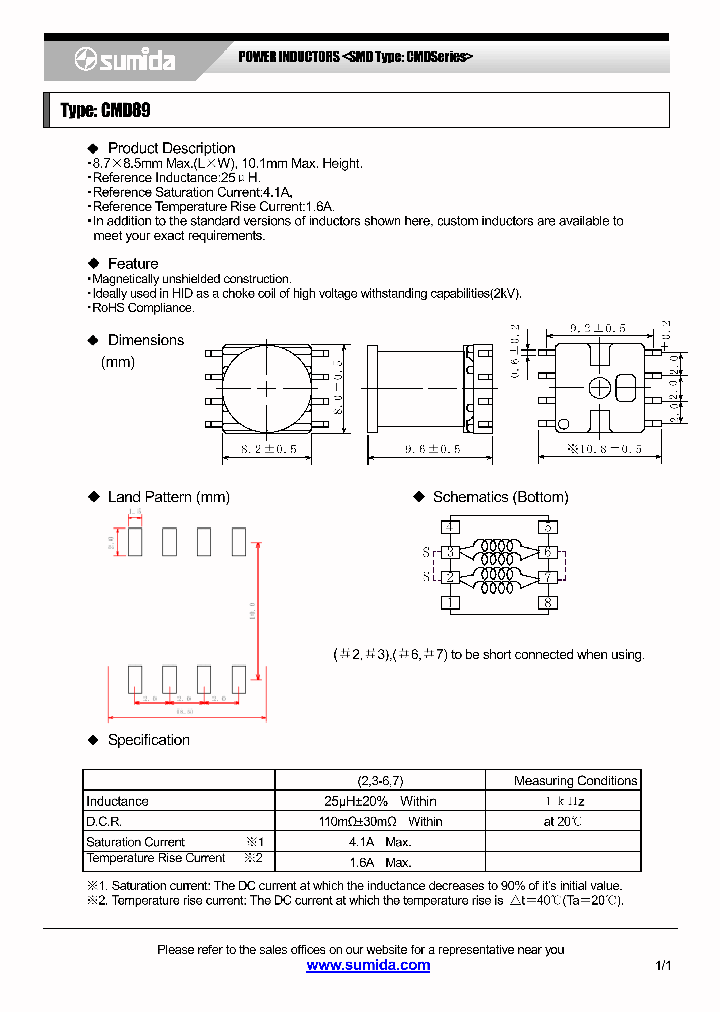
CMD89 - POWER INDUCTORS

CMD89_4137286.PDF Datasheet


 Full text search : POWER INDUCTORS
 Product Description search : POWER INDUCTORS


 Related Part Number
PART Description Maker
8404-471 8404-470 8404-150 8404-151 8404-XXX 8404- Inductors Surface Mount Drum Core Power Inductors 鼓表面贴装电感磁芯功率电感器
Filtran Ltd.
Filtran, Ltd.
8400-XXX 8400-330 8400-33G 8400-331 8400-102 8400- Inductors Surface Mount Drum Core Power Inductors 鼓表面贴装电感磁芯功率电感器
Filtran Ltd.
Filtran, Ltd.
8402-XXX 8402-047 8402-330 8402-331 8402-101 8402- Inductors Surface Mount High Current Power Inductors 表面贴装电感器大电流功率电感
Filtran Ltd.
Filtran, Ltd.
P0400NL P0401NL P0402 P0403 P0402NL SMT POWER INDUCTORS Toroid - Tomcat Series
SMT POWER INDUCTORS, Height: 7.6mm Max, Footprint: 18.2mm x 15.0mm Max, Current Rating: up to 14.4A
Pulse A Technitrol Company
RCR875DNP-2R3L RCR875DNP-1R7L RCR875DNP-1R2L RCR87 POWER INDUCTORS , Pin Type: RCR Series
POWER INDUCTORS Pin Type: RCR Series
POWER INDUCTORS < Pin Type: RCR Series>
POWER INDUCTORS < Pin Type: RCR Series> 1 ELEMENT, 2.3 uH, GENERAL PURPOSE INDUCTOR
POWER INDUCTORS < Pin Type: RCR Series>
SUMIDA CORPORATION.
Sumida, Corp.
ELJ-LA4R7KF ELJLC4R7MF ELJPC220KF ELJPC220MF3 ELJP 4. High Power Type PF, PE, PC, PA, PB, LC, LA
Fixed Inductors Chip Inductors
   Fixed Inductors Chip Inductors
Panasonic Semiconductor
XAL5030-161ME XAL5050-103ME XAL5050-562ME XAL5050- High Temperature Shielded Power Inductors
Shielded Power Inductors ?XAL50xx
Coilcraft lnc.
DBM1915NP-R40 DBM1915NP-R33 DBM1915NP-R19 DBM1915N 1 ELEMENT, 0.58 uH, GENERAL PURPOSE INDUCTOR ROHS COMPLIANT
POWER INDUCTORS Type: DBM Series
POWER INDUCTORS , Pin Type: DBM Series
Sumida, Corp.
Sumida Corporation
SDR0503-561K SDR0503-562J SDR0503-560K SDR0503-120 SMD Power Inductors 1 ELEMENT, 56 uH, FERRITE-CORE, GENERAL PURPOSE INDUCTOR, SMD
SMD Power Inductors 1 ELEMENT, 18 uH, FERRITE-CORE, GENERAL PURPOSE INDUCTOR, SMD
SMD Power Inductors 1 ELEMENT, 82 uH, FERRITE-CORE, GENERAL PURPOSE INDUCTOR, SMD
SMD Power Inductors 1 ELEMENT, 27 uH, FERRITE-CORE, GENERAL PURPOSE INDUCTOR, SMD
SMD Power Inductors 1 ELEMENT, 560 uH, FERRITE-CORE, GENERAL PURPOSE INDUCTOR, SMD
SMD Power Inductors 1 ELEMENT, 47 uH, FERRITE-CORE, GENERAL PURPOSE INDUCTOR, SMD
SMD Power Inductors 1 ELEMENT, 10 uH, FERRITE-CORE, GENERAL PURPOSE INDUCTOR, SMD
SMD Power Inductors 1 ELEMENT, 150 uH, FERRITE-CORE, GENERAL PURPOSE INDUCTOR, SMD
SMD Power Inductors 1 ELEMENT, 100 uH, FERRITE-CORE, GENERAL PURPOSE INDUCTOR, SMD
SMD Power Inductors 1 ELEMENT, 1800 uH, FERRITE-CORE, GENERAL PURPOSE INDUCTOR, SMD
SMD Power Inductors 1 ELEMENT, 5600 uH, FERRITE-CORE, GENERAL PURPOSE INDUCTOR, SMD
Bourns Inc.
Bourns, Inc.
LO32-100-RM LO32-1R5-RM LO32-2R7-RM LO32-3R3-RM LO 10.0mV Dual Micropower Rail-to-Rail CMOS Operational Amplifier, 8L SOIC 1 ELEMENT, 10 uH, GENERAL PURPOSE INDUCTOR, SMD
Surface Mount Power Inductors 1 ELEMENT, 1.5 uH, GENERAL PURPOSE INDUCTOR, SMD
Surface Mount Power Inductors 1 ELEMENT, 2.7 uH, GENERAL PURPOSE INDUCTOR, SMD
Surface Mount Power Inductors 1 ELEMENT, 3.3 uH, GENERAL PURPOSE INDUCTOR, SMD
Surface Mount Power Inductors 1 ELEMENT, 1.8 uH, GENERAL PURPOSE INDUCTOR, SMD
Surface Mount Power Inductors 1 ELEMENT, 1 uH, GENERAL PURPOSE INDUCTOR, SMD
2.0mV Dual Micropower Rail-to-Rail CMOS Operational Amplifier, 8L SOIC 1 ELEMENT, 12 uH, GENERAL PURPOSE INDUCTOR, SMD
Surface Mount Power Inductors 1 ELEMENT, 5.6 uH, GENERAL PURPOSE INDUCTOR, SMD
Surface Mount Power Inductors 1 ELEMENT, 3.9 uH, GENERAL PURPOSE INDUCTOR, SMD
Surface Mount Power Inductors 1 ELEMENT, 8.2 uH, GENERAL PURPOSE INDUCTOR, SMD
Surface Mount Power Inductors 1 ELEMENT, 1.2 uH, GENERAL PURPOSE INDUCTOR, SMD
Surface Mount Power Inductors 1 ELEMENT, 4.7 uH, GENERAL PURPOSE INDUCTOR, SMD
Surface Mount Power Inductors 1 ELEMENT, 6.8 uH, GENERAL PURPOSE INDUCTOR, SMD
Surface Mount Power Inductors 1 ELEMENT, 2.2 uH, GENERAL PURPOSE INDUCTOR, SMD
Surface Mount Power Inductors 1 ELEMENT, 33 uH, GENERAL PURPOSE INDUCTOR, SMD
Surface Mount Power Inductors 1 ELEMENT, 120 uH, GENERAL PURPOSE INDUCTOR, SMD
ICE Components, Inc.
LEDtronics, Inc.
ICE COMPONENTS INC
RCP105NP-124K RCP105NP-104K RCP-105 RCP105LNP-101K 1 ELEMENT, 100 uH, GENERAL PURPOSE INDUCTOR
POWER INDUCTORS <Pin Type: RCP Series> 1 ELEMENT, 120000 uH, GENERAL PURPOSE INDUCTOR
POWER INDUCTORS
POWER INDUCTORS Type: RCP Series
POWER INDUCTORS , Pin Type: RCP Series
Sumida, Corp.
SUMIDA CORPORATION.
 
 Related keyword From Full Text Search System
CMD89 Single CMD89 技术参数 CMD89 baumer ivo gxmmw CMD89 m85049 CMD89 Signal
CMD89 integrated CMD89 PDF CMD89 ic资料网 CMD89 应用线路 CMD89 easy-on
 

 

Price & Availability of CMD89

All Rights Reserved © IC-ON-LINE 2003 - 2022  

[Add Bookmark] [Contact Us] [Link exchange] [Privacy policy]
Mirror Sites :  [www.datasheet.hk]   [www.maxim4u.com]  [www.ic-on-line.cn] [www.ic-on-line.com] [www.ic-on-line.net] [www.alldatasheet.com.cn] [www.gdcy.com]  [www.gdcy.net]


 . . . . .
  We use cookies to deliver the best possible web experience and assist with our advertising efforts. By continuing to use this site, you consent to the use of cookies. For more information on cookies, please take a look at our Privacy Policy. X
0.050449848175049