Part Number Hot Search : 
IRF654 MCC72 XWS4805 OPS0002 SDR1M IXTL6N60 SSF3FG DB107G
Product Description
Full Text Search

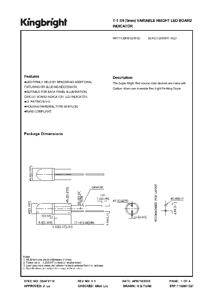
WP7113BR952SRD - T-1 3/4 (5mm) VARIABLE HEIGHT LED BOARD INDICATOR

WP7113BR952SRD_1336655.PDF Datasheet


 Full text search : T-1 3/4 (5mm) VARIABLE HEIGHT LED BOARD INDICATOR
 Product Description search : T-1 3/4 (5mm) VARIABLE HEIGHT LED BOARD INDICATOR


 Related Part Number
PART Description Maker
5330H1 Variable Height LED T-1 3/4 (5mm) Lamp Assembly
CML[Chicago Miniature Lamp,inc]
1SV228 FILTER, INLET, IEC, 6A, SPST; Voltage rating, AC:250V; Current rating:6A; Phases, No. of:1; Length / Height, external:24mm; Width, external:48.5mm
VARIABLE CAPACITANCE DIODE (ELECTRONIC TUNING APPLICATIONS OF FM RECEIVERS)
Toshiba Corporation
TOSHIBA[Toshiba Semiconductor]
RK1191124001 RK1191110001 1.5mm-travel push-on switch achieved in a low-profile height of only 5mm
ALPS ELECTRIC CO.,LTD.
1SV231 FILTER, INLET, IEC, 6A, SPST; Voltage rating, AC:250V; Current rating:6A; Phases, No. of:1; Length / Height, external:24mm; Width, external:48.5mm; Depth, external:65.7mm; Approval Bodies:VDE, CSA, UL; Capacitance, X type RoHS Compliant: Yes
VARIABLE CAPACITANCE DIODE (CATV TUNING)
Toshiba Corporation
Toshiba Semiconductor
STE2002DIE2 STE2002DIE1 0.5mm Pitch DIL Vertical SMT Female Assembly, 1.5mm height, location pegs, hold-down tabs, tin, 15 15-way, Tape & Reel packing
81 X 128 SINGLE CHIP LCD CONTROLLER / DRIVER
意法半导
MFCRYSTALS Miniature size: 6.0mm x 3.5mm height
EUROQUARTZ limited
SKRELJE010 SKRELFE010 SKRELGE010 SKRELHE010 SKRE 1.5mm Height SidepushTM (Surface Mount Type)
ALPS ELECTRIC CO.,LTD.
335SVF050M 686SVF004M 227SVF004M 476SVF004M 226SVF 85°C 5mm Height Low Profile Radial Lead Aluminum Electrolytic Capacitors
85隆?C 5mm Height Low Profile Radial Lead Aluminum Electrolytic Capacitors
Illinois Capacitor, Inc.
SFPJ-73 FMJ-2303 RK33 MI1A3 SPJ-G53S AK03 EA03 EK0 Schottky Barrier Diodes 肖特基势垒二极管
HEAT SINK, TO-202, 10 C/W; Case style:TO-202; Thermal resistance:10(degree C)/W; Width, external:34.5mm; Depth, external:38mm; Length / Height, external:12.5mm; Material:Aluminium; Surface finish:Black Anodised; Centres, RoHS Compliant: Yes
Unknow
Electronic Theatre Controls, Inc.
ETC
SANKEN[Sanken electric]
http://
P20-0445R PITCH 2.5mm HEIGHT 4.2mm 4-POS POGO PIN CONNECTOR
Harwin Plc
P20-0345R PITCH 2.5mm HEIGHT 4.2mm 3-POS POGO PIN CONNECTOR
Harwin Plc
 
 Related keyword From Full Text Search System
WP7113BR952SRD Control WP7113BR952SRD 型号替换 WP7113BR952SRD EEprom WP7113BR952SRD ascel WP7113BR952SRD max
WP7113BR952SRD complimentary against WP7113BR952SRD address WP7113BR952SRD equivalent ic WP7113BR952SRD Search WP7113BR952SRD Engine
 

 

Price & Availability of WP7113BR952SRD

All Rights Reserved © IC-ON-LINE 2003 - 2022  

[Add Bookmark] [Contact Us] [Link exchange] [Privacy policy]
Mirror Sites :  [www.datasheet.hk]   [www.maxim4u.com]  [www.ic-on-line.cn] [www.ic-on-line.com] [www.ic-on-line.net] [www.alldatasheet.com.cn] [www.gdcy.com]  [www.gdcy.net]


 . . . . .
  We use cookies to deliver the best possible web experience and assist with our advertising efforts. By continuing to use this site, you consent to the use of cookies. For more information on cookies, please take a look at our Privacy Policy. X
0.045819997787476