Part Number Hot Search : 
UC384 CZRB5926 SMDJ33 28064 SP721AP C100MC W9952QP UM3273
Product Description
Full Text Search

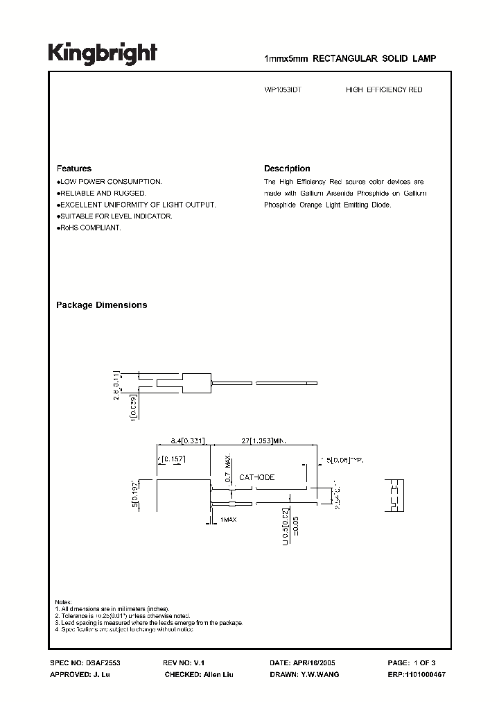
WP1053IDT - 1mmx5mm RECTANGULAR SOLID LAMP

WP1053IDT_1336407.PDF Datasheet


 Full text search : 1mmx5mm RECTANGULAR SOLID LAMP
 Product Description search : 1mmx5mm RECTANGULAR SOLID LAMP


 Related Part Number
PART Description Maker
WP1053IDT 1mmx5mm RECTANGULAR SOLID LAMP
KINGBRIGHT[Kingbright Corporation]
L113YDT L113EDT L113GDT L113HDT L113IDT L113SRDT 2 x 5 mm rectangular solid lamp. High effiency red. Lens type red diffused.
2 X 5 MM RECTANGULAR SOLID LAMPS 2 x 5毫米矩形固灯
Electronic Theatre Controls, Inc.
List of Unclassifed Manufacturers
ETC[ETC]
Kingbright Electronic
MV3750 HLMP3950AA6R0 HLMP3750AA4R0 HLMP3850AA4R0 H    T-1 3/4 (5mm) SOLID STATE LAMPS
T-1 3/4 (5mm) SOLID STATE LAMPS T-1 3/4 SINGLE COLOR LED, GREEN, 5 mm
High Efficiency Green/AlGaAs Red Rectangular Solid State Lamp
High Efficiency Red T-1 3/4 (5 mm) Solid State Lamp
Green T-1 3/4 (5 mm) Solid State Lamp
Yellow T-1 3/4 (5 mm) Solid State Lamp
2 mA High Efficiency Red Low Current T-100 & T-1 3/4 Solid State Lamp
Fairchild Semiconductor, Corp.
http://
MYB77D MGB77D MOB77D MOB77DR MRB77D MSB77D RECTANGULAR BAR LED LAMP
SOLID STATE INDICATORS ARE 1.4mm x 3.7mm RECTANGULAR BARS PACKAGE 固态指标是1.4毫米毫米x 3.7毫米矩形钢筋包装
http://
MICRO-ELECTRONICS[Micro Electronics]
Coilcraft, Inc.
L103ID L103YD 2 x 5 mm rectangular solid lamp. High efficiency red. Lens type red diffused.
2 x 5 mm rectangular solid lamp. Yellow. Lens type yellow diffused.
Kingbright Electronic
WP383IDT 2.5x5mm RECTANGULAR SOLID LAMP
Kingbright Corporation.
KINGBRIGHT[Kingbright Corporation]
WP103IDT 2mmx5mm RECTANGULAR SOLID LAMP
KINGBRIGHT[Kingbright Corporation]
WP513GDT 2.5x5mm RECTANGULAR SOLID LAMP
KINGBRIGHT[Kingbright Corporation]
XSUR76D 2X3 mm RECTANGULAR SOLID LAMP
Sun LED
WP103SRDT 2mmx5mm RECTANGULAR SOLID LAMP
KINGBRIGHT[Kingbright Corporation]
WP513SGDT 2.5x5mm RECTANGULAR SOLID LAMP
KINGBRIGHT[Kingbright Corporation]
 
 Related keyword From Full Text Search System
WP1053IDT state WP1053IDT Module WP1053IDT Integrated WP1053IDT protection WP1053IDT preis
WP1053IDT Supply WP1053IDT ghz WP1053IDT Amplifiers WP1053IDT Pulse WP1053IDT transformer
 

 

Price & Availability of WP1053IDT

All Rights Reserved © IC-ON-LINE 2003 - 2022  

[Add Bookmark] [Contact Us] [Link exchange] [Privacy policy]
Mirror Sites :  [www.datasheet.hk]   [www.maxim4u.com]  [www.ic-on-line.cn] [www.ic-on-line.com] [www.ic-on-line.net] [www.alldatasheet.com.cn] [www.gdcy.com]  [www.gdcy.net]


 . . . . .
  We use cookies to deliver the best possible web experience and assist with our advertising efforts. By continuing to use this site, you consent to the use of cookies. For more information on cookies, please take a look at our Privacy Policy. X
0.55999994277954