Part Number Hot Search : 
SX1277 M68729 BFR93A TND303S 10020 0402J DS1836A ML4423CS
Product Description
Full Text Search

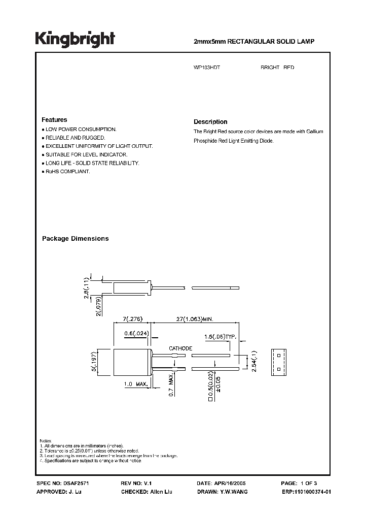
WP103HDT - 2mmx5mm RECTANGULAR SOLID LAMP

WP103HDT_1336396.PDF Datasheet


 Full text search : 2mmx5mm RECTANGULAR SOLID LAMP
 Product Description search : 2mmx5mm RECTANGULAR SOLID LAMP


 Related Part Number
PART Description Maker
WP103EDT 2mmx5mm RECTANGULAR SOLID LAMP
KINGBRIGHT[Kingbright Corporation]
MV5353_4A 1 MV64530 MV64531 MV6153A MV6154A MV6754 DIFFUSED T-1 3/4 SOLID STATE LAMPS
High Efficiency Green Pale Tint Clear Lens T-100 Solid State Lamp
High Efficiency Red Pale orange Tint Clear Lens T-100 Solid State Lamp
High Efficiency Red Rectangular Solid State Lamp
Green/AlGaAs Red Bicolor T-100 (3 mm) Solid State LED Lamp
DIFFUSED T-1-3/4 SOLID STATE LAMPS
High Efficiency Red Diffused T-1 3/4 Solid State Lamp
High Efficiency Green Diffused T-1 3/4 Solid State Lamp
Yellow Diffused T-1 3/4 Solid State Lamp
Orange Diffused T-1 3/4 Solid State Lamp
High Efficiency Green Rectangular Solid State Lamp
DIFFUSED T-1SOLID STATE LAMPS 扩散的T 1?固态灯
DIFFUSED T-1 SOLID STATE LAMPS T-1 3/4 SINGLE COLOR LED, ORANGE, 4.825 mm
FAIRCHILD[Fairchild Semiconductor]
Fairchild Semiconductor Corporation
Fairchild Semiconductor, Corp.
HLMP-1540 HLMP-1340 MV5460 MV5360 MV5762X HLMP-144 CLEAR LENS T-100 SOLID STATE LAMPS T-1 SINGLE COLOR LED, YELLOW, 3 mm
High Efficiency Red Rectangular Solid State Lamp
2 mA High Efficiency Red Low Current T-100 & T-1 3/4 Solid State Lamp
Fairchild Semiconductor, Corp.
Fairchild Semiconductor Corporation
FAIRCHILD[Fairchild Semiconductor]
L-383EDT 2.5x5mm RECTANGULAR SOLID LAMP
KINGBRIGHT[Kingbright Corporation]
WP914IT-15 2x3mm RECTANGULAR SOLID LAMP
Kingbright Corporation
W1773HD 1.75x4mm RECTANGULAR SOLID LAMP
Kingbright Corporation
WP169XID 2x3mm RECTANGULAR SOLID LAMP
Kingbright Corporation.
KINGBRIGHT[Kingbright Corporation]
WP169XYD 2x3mm RECTANGULAR SOLID LAMP
Kingbright Corporation.
KINGBRIGHT[Kingbright Corporation]
XSUR76D 2X3 mm RECTANGULAR SOLID LAMP
List of Unclassifed Man...
ETC[ETC]
WP914ET 2x3mm RECTANGULAR SOLID LAMP
Kingbright Corporation.
WP914ADT 2x3mm RECTANGULAR SOLID LAMP
Kingbright Corporation.
 
 Related keyword From Full Text Search System
WP103HDT purpose WP103HDT signal WP103HDT download WP103HDT Volt WP103HDT marking code
WP103HDT Cirkuit diagram WP103HDT transistor WP103HDT 型号替换 WP103HDT Port WP103HDT 参数 封装
 

 

Price & Availability of WP103HDT

All Rights Reserved © IC-ON-LINE 2003 - 2022  

[Add Bookmark] [Contact Us] [Link exchange] [Privacy policy]
Mirror Sites :  [www.datasheet.hk]   [www.maxim4u.com]  [www.ic-on-line.cn] [www.ic-on-line.com] [www.ic-on-line.net] [www.alldatasheet.com.cn] [www.gdcy.com]  [www.gdcy.net]


 . . . . .
  We use cookies to deliver the best possible web experience and assist with our advertising efforts. By continuing to use this site, you consent to the use of cookies. For more information on cookies, please take a look at our Privacy Policy. X
0.055789947509766