Part Number Hot Search : 
XJXXX L50QS200 NL662M04 TSL230RD NJU6468 C722BK MM3ZXXVC MC68450
Product Description
Full Text Search

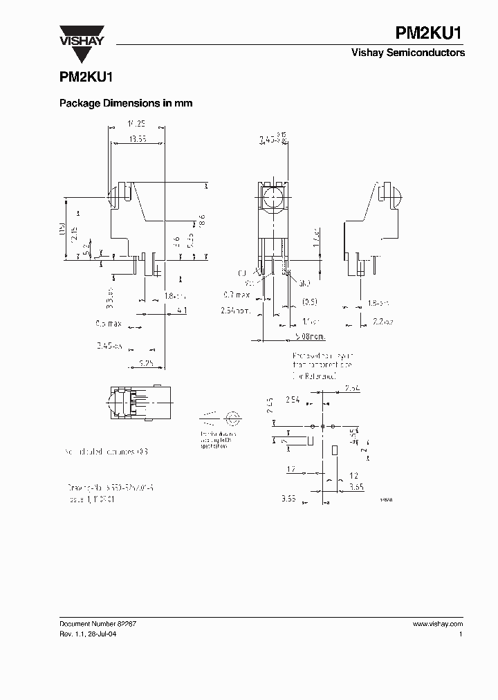
PM2KU1 - From old datasheet system Package Dimensions in mm

PM2KU1_1296693.PDF Datasheet


 Full text search : From old datasheet system Package Dimensions in mm
 Product Description search : From old datasheet system Package Dimensions in mm


 Related Part Number
PART Description Maker
TC9309AF-119 EE08717 SINGLE CHIP DIGITAL TUNING SYSTEM FOR CD RADIO CASSETTE
From old datasheet system
Toshiba
M52335SP M52335E M52335 From old datasheet system
NTSC SYSTEM SINGLE-CHIP COLOR TV SIGNAL PROCESSOR
MITSUBISHI[Mitsubishi Electric Semiconductor]
BA3870 A5801030 From old datasheet system
BBS (bass boost system) for radio cassette players
ROHM[Rohm]
BA3915B A5800922 System Power Supply for Car Stereos(汽车立体声的系统电源)
From old datasheet system
Rohm CO.,LTD.
ROHM[Rohm]
AT90S2313-10SC AT90S2313- AT90S2313-10PC AT90S2313 8-bit Microcontroller with 2K Bytes of In-System Programmable Flash
From old datasheet system
ATMEL[ATMEL Corporation]
SA607D SA607DK SA607 From old datasheet system
Low-voltage high performance mixer FM IF system
PHILIPS[Philips Semiconductors]
PSD935G2V PSD935G2 7837 PSD935G3V-C-90UI PSD913F2 From old datasheet system
CONFIGURABLE MEMORY SYSTEM ON A CHIP FOR 8-BIT MICROCONTROLLERS
STMICROELECTRONICS[STMicroelectronics]
TA1230Z E008096 TV SOUND MULTIPLEX BROADCAST DEMODULATOR IC FOR EIAJ SYSTEM
From old datasheet system
Toshiba Corporation
TOSHIBA[Toshiba Semiconductor]
XC95288-10BG352C XC95288-10BG352I XC95288-10HQ208C XC95288 In-System Programmable CPLD
Product Specification
From old datasheet system
XILINX[Xilinx, Inc]
BA3918 A5800865 System Power Supply for Car Stereos(汽车立体声的系统电源)
From old datasheet system
Rohm CO.,LTD.
ROHM[Rohm]
 
 Related keyword From Full Text Search System
PM2KU1 Processor PM2KU1 integrated PM2KU1 Digital PM2KU1 Port PM2KU1 pci endian mode
PM2KU1 datasheet online PM2KU1 Converter PM2KU1 schematic PM2KU1 Amp PM2KU1 Step
 

 

Price & Availability of PM2KU1

All Rights Reserved © IC-ON-LINE 2003 - 2022  

[Add Bookmark] [Contact Us] [Link exchange] [Privacy policy]
Mirror Sites :  [www.datasheet.hk]   [www.maxim4u.com]  [www.ic-on-line.cn] [www.ic-on-line.com] [www.ic-on-line.net] [www.alldatasheet.com.cn] [www.gdcy.com]  [www.gdcy.net]


 . . . . .
  We use cookies to deliver the best possible web experience and assist with our advertising efforts. By continuing to use this site, you consent to the use of cookies. For more information on cookies, please take a look at our Privacy Policy. X
0.47813200950623