Part Number Hot Search : 
MC10109P 155315A SL5234 MN65752H 00N06 ADD8704A CSCD32H FM301
Product Description
Full Text Search

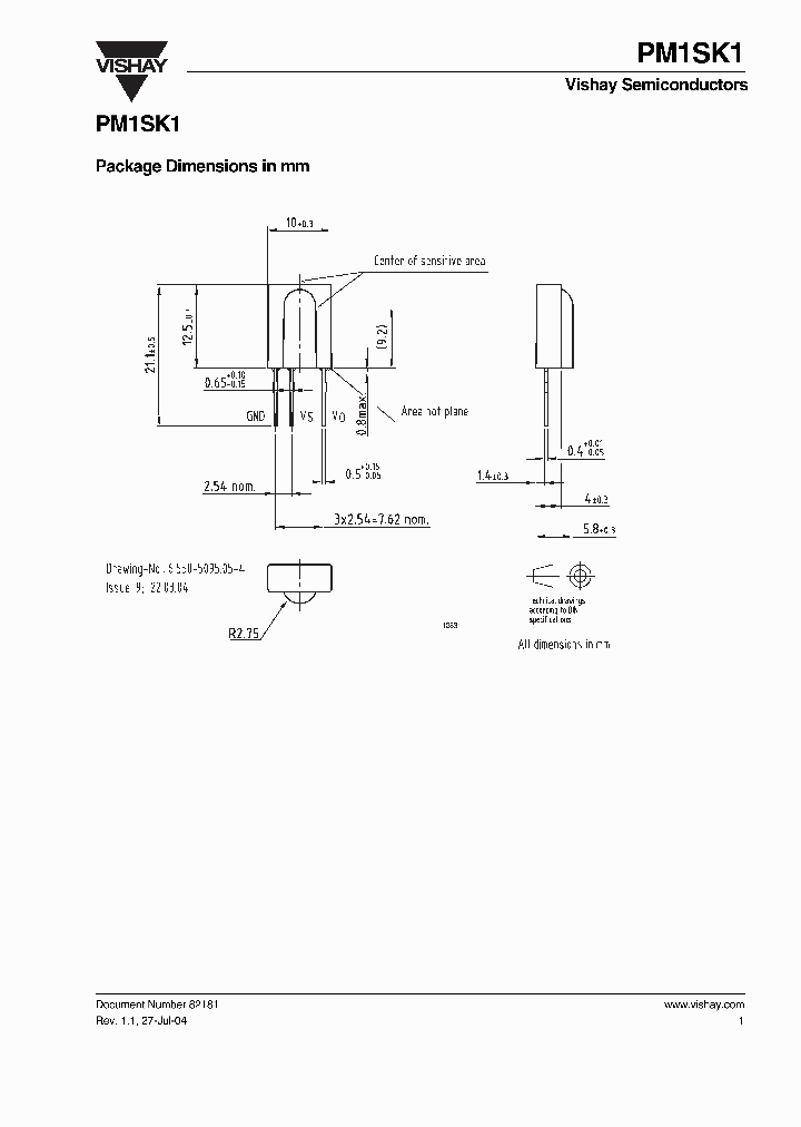
PM1SK1 - Package Dimensions in mm

PM1SK1_1296655.PDF Datasheet


 Full text search : Package Dimensions in mm
 Product Description search : Package Dimensions in mm


 Related Part Number
PART Description Maker
TO-251 Package Dimensions
Fairchild Semiconductor
SOT-343 Package Dimensions
Vishay Siliconix
PM1CB1 Package Dimensions in mm
VISAY[Vishay Siliconix]
PM2IV1 Package Dimensions in mm
Vishay Intertechnology,Inc.
VISAY[Vishay Siliconix]
081029132636 PACKAGE OUTLINE DIMENSIONS
Galaxy Semi-Conductor H...
DFN1006-2 PACKAGE OUTLINE DIMENSIONS
Galaxy Semi-Conductor H...
8DIP300 8-DIP-300 Package Dimensions
FAIRCHILD[Fairchild Semiconductor]
SOIC4DIM SOIC-4 SOIC4_DIM From old datasheet system
SOIC-4 Package Dimensions 采用SOIC - 4封装尺寸
FAIRCHILD[Fairchild Semiconductor]
Fairchild Semiconductor Corporation
Fairchild Semiconductor, Corp.
RM-8 8-Lead Mini Small Outline Package [MSOP] Dimensions shown in millimeters
Analog Devices
HT-210UDUYG HT-210USDNB HT-210SDYG HT-210YYG HT-21 Package Outline Dimensions
   Package Outline Dimensions
List of Unclassifed Manufacturers
List of Unclassifed Man...
528-45AB Heat Sink; Package/Case:Half Brick; Body Material:Aluminum; Thermal Resistance:3.2 C/W; Color:Black; Size/Dimensions:0.450H x 2.240W x 2.280L"
Wakefield Thermal Solutions
 
 Related keyword From Full Text Search System
PM1SK1 receptacle PM1SK1 converter PM1SK1 13MHz PM1SK1 Gain PM1SK1 signal
PM1SK1 infineon PM1SK1 Clock PM1SK1 Supply PM1SK1 Band PM1SK1 Transistors
 

 

Price & Availability of PM1SK1

All Rights Reserved © IC-ON-LINE 2003 - 2022  

[Add Bookmark] [Contact Us] [Link exchange] [Privacy policy]
Mirror Sites :  [www.datasheet.hk]   [www.maxim4u.com]  [www.ic-on-line.cn] [www.ic-on-line.com] [www.ic-on-line.net] [www.alldatasheet.com.cn] [www.gdcy.com]  [www.gdcy.net]


 . . . . .
  We use cookies to deliver the best possible web experience and assist with our advertising efforts. By continuing to use this site, you consent to the use of cookies. For more information on cookies, please take a look at our Privacy Policy. X
0.04105806350708