Part Number Hot Search : 
LBAV99 MAX201 HZK3LLA DH0265 01QXC 104SL10 6KE100A MSA2805
Product Description
Full Text Search

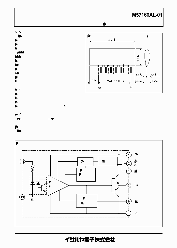
M57160AL - IGBT MODULE HYBRID IC

M57160AL_1270019.PDF Datasheet

 
Part No. M57160AL
Description IGBT MODULE HYBRID IC

File Size 70.17K  /  7 Page  

Maker


List of Unclassifed Manufacturers
ETC[ETC]
Isahaya Electronics Corporation



JITONG TECHNOLOGY
(CHINA HK & SZ)
Datasheet.hk's Sponsor

Part: M57160AL-01
Maker: Powerex Inc
Pack: ETC
Stock: Reserved
Unit price for :
    50: $0.00
  100: $0.00
1000: $0.00

Email: oulindz@gmail.com

Contact us

Homepage http://www.idc-com.co.jp/
Download [ ]
[ M57160AL Datasheet PDF Downlaod from Datasheet.HK ]
[M57160AL Datasheet PDF Downlaod from Maxim4U.com ] :-)


[ View it Online ]   [ Search more for M57160AL ]

[ Price & Availability of M57160AL by FindChips.com ]

 Full text search : IGBT MODULE HYBRID IC
 Product Description search : IGBT MODULE HYBRID IC


 Related Part Number
PART Description Maker
QID1215003 Hybrid IGBT Module
Powerex Power Semicondu...
2MBI600TN-060V IGBT Module for Hybrid Electric Vehicle
List of Unclassifed Man...
QID1210006-14 Split Dual Si/SiC Hybrid IGBT Module 100 Amperes/1200 Volts
Powerex Power Semicondu...
7MBP10PE120 7MBR10PE120 IGBT module (S series)
IGBT Module(Power Integrated Module)
FUJI[Fuji Electric]
PSHI50D-12 PSHI50D_12 PSHI50D/12 PSHI50D12 IGBT Module
IGBT Module Short Circuit SOA Capability
Powersem GmbH
2MBI75S 2MBI75S-120 IGBT MODULE ( S-Series ) 2-Pack IGBT 1200V 2X75A IGBT模块S系列,包IGBT200X75A
5-Pin, Multiple-Input, Programmable Reset ICs 100 A, 1200 V, N-CHANNEL IGBT
http://
FUJI[Fuji Electric]
FUJI ELECTRIC HOLDINGS CO., LTD.
M57959AL-01 HYBRID IC FOR DRIVING IGBT MODULES
Isahaya Electronics Corporation
M57174AL-06B HYBRID IC FOR DRIVING IGBT MODULES
Isahaya Electronics Corporation
M57962CL-01 HYBRID IC FOR DRIVING IGBT MODULES
Isahaya Electronics Corporation
VLA541-01R Hybrid IC for driving IGBT modules
Isahaya Electronics Corporation
VLA503-01 Hybrid IC IGBT Gate Driver
Powerex Power Semiconductors
 
 Related keyword From Full Text Search System
M57160AL vcc M57160AL Server M57160AL pitch M57160AL mosfet M57160AL products
M57160AL Series M57160AL port M57160AL 中文简介 M57160AL Interface M57160AL BLDC motor driver
 

 

Price & Availability of M57160AL

All Rights Reserved © IC-ON-LINE 2003 - 2022  

[Add Bookmark] [Contact Us] [Link exchange] [Privacy policy]
Mirror Sites :  [www.datasheet.hk]   [www.maxim4u.com]  [www.ic-on-line.cn] [www.ic-on-line.com] [www.ic-on-line.net] [www.alldatasheet.com.cn] [www.gdcy.com]  [www.gdcy.net]


 . . . . .
  We use cookies to deliver the best possible web experience and assist with our advertising efforts. By continuing to use this site, you consent to the use of cookies. For more information on cookies, please take a look at our Privacy Policy. X
0.39422583580017