Part Number Hot Search : 
1502IS 36300 2045CT D302RW 10106 AP4002J PDT40012 45438
Product Description
Full Text Search

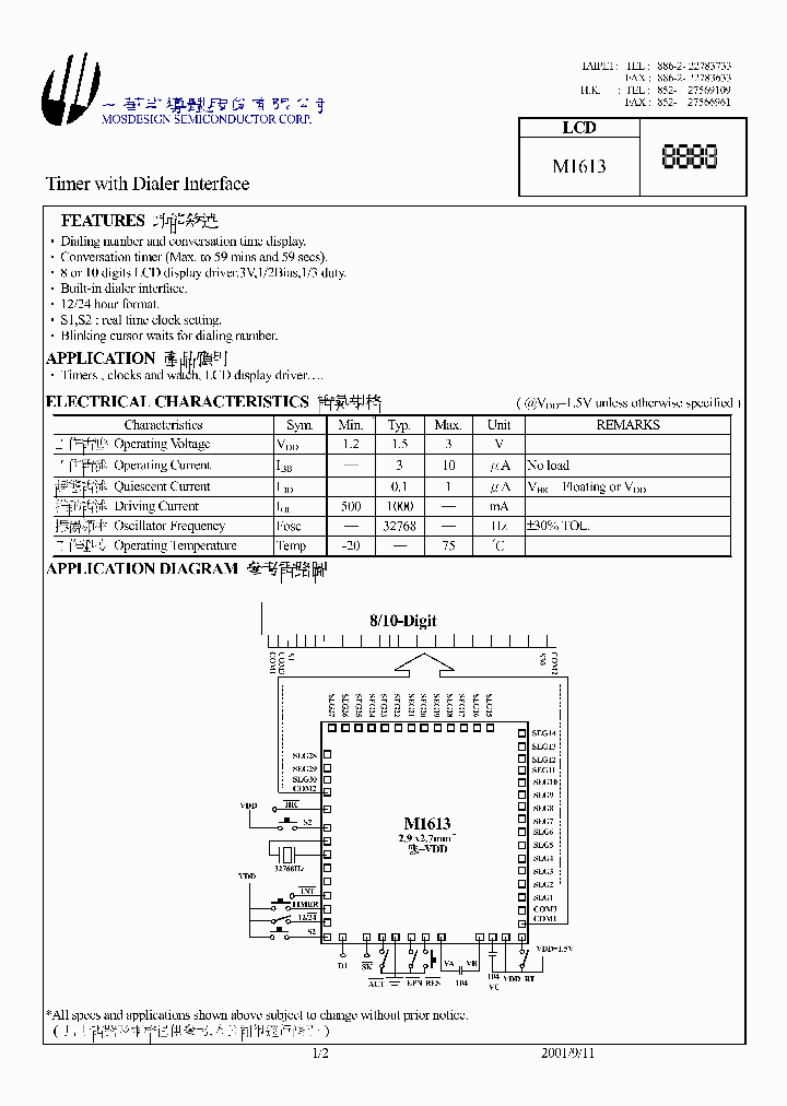
M1613 - Timer with Dialer Interface

M1613_1268952.PDF Datasheet


 Full text search : Timer with Dialer Interface
 Product Description search : Timer with Dialer Interface


 Related Part Number
PART Description Maker
HT1616C Timer with Dialer Interface
Holtek Semiconductor Inc
AT91M55800A The AT91M55800A features 8K bytes of on-chip SRAM, an External Bus Interface, a 6-channel Timer/Counter, 3 USARTs, a Master/Slave SPI Interface, a Watchdog Timer, an 8-channel 10-bit ADC, a 2-channel 10-bit DAC, a Clock Generator, Real-tim
Atmel
EM91203BP EM91203B EM91203 EM91203A EM91203AP EM91 TONE/PULSE SWITCHABLE DIALER WITH LCD INTERFACE
EMC[ELAN Microelectronics Corp]
EM91465 EM91465DK EM91465A EM91465AP EM91465B EM91 TONE/PULSE DIALER WITH LCD INTERFACE AND I.P.P. DETECT FUNCTION
EMC[ELAN Microelectronics Corp]
P8254 82C54 IS82C54 IS82C54-12 IS82C54-10 CP82C54 CMOS Programmable Interval Timer 3 TIMER(S), PROGRAMMABLE TIMER, CQCC28
CMOS Programmable Interval Timer 3 TIMER(S), PROGRAMMABLE TIMER, PDIP24
CMOS Programmable Interval Timer 3 TIMER(S), PROGRAMMABLE TIMER, PQCC28
CMOS Programmable Interval Timer 3 TIMER(S), PROGRAMMABLE TIMER, CDIP24
CMOS Programmable Interval Timer 3 TIMER(S), PROGRAMMABLE TIMER, PDSO24
Intersil, Corp.
INTERSIL[Intersil Corporation]
http://
W91432N W91444 W91434G W91433N W91430N W91435G W91 Telephone Dialer
13-MEMORY TONE/PULSE DIALER WITH SAVE FUNCTION
Winbond Electronics Corp
W91F840ALN 23-Flash Memory Tone/Pulse Dialer With Handfree,Hold And Lock Functions(具有23个闪速存储器、免提、保持和上锁功能的音脉冲拨号 TELEPHONE DIALER CKT, PDIP24
Winbond Electronics, Corp.
 
 Related keyword From Full Text Search System
M1613 Dual M1613 image sensor M1613 sanyo M1613 Amplifiers M1613 Source
M1613 fet M1613 isa bus M1613 Protect M1613 rail M1613 ic在线
 

 

Price & Availability of M1613

All Rights Reserved © IC-ON-LINE 2003 - 2022  

[Add Bookmark] [Contact Us] [Link exchange] [Privacy policy]
Mirror Sites :  [www.datasheet.hk]   [www.maxim4u.com]  [www.ic-on-line.cn] [www.ic-on-line.com] [www.ic-on-line.net] [www.alldatasheet.com.cn] [www.gdcy.com]  [www.gdcy.net]


 . . . . .
  We use cookies to deliver the best possible web experience and assist with our advertising efforts. By continuing to use this site, you consent to the use of cookies. For more information on cookies, please take a look at our Privacy Policy. X
0.4393789768219