Part Number Hot Search : 
MBR104 LTC1484C HD49224A RL204 SMBB36 FFI062 76M16D16 MAX203
Product Description
Full Text Search

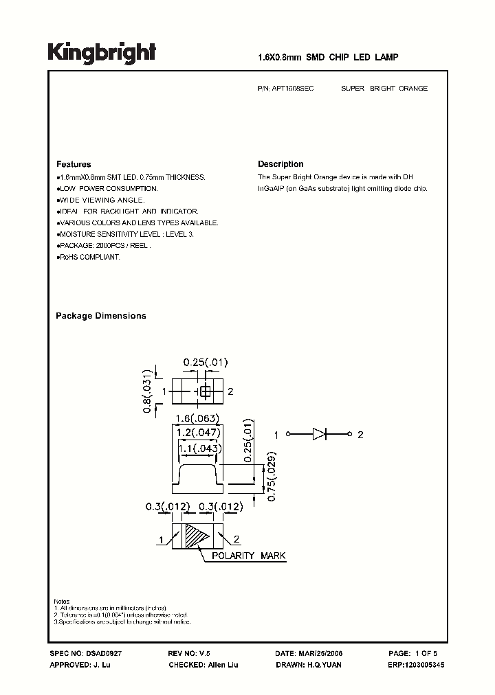
APT1608SEC - 1.6X0.8mm SMD CHIP LED LAMP

APT1608SEC_1211397.PDF Datasheet


 Full text search : 1.6X0.8mm SMD CHIP LED LAMP
 Product Description search : 1.6X0.8mm SMD CHIP LED LAMP


 Related Part Number
PART Description Maker
APHK1608MGC 1.6x0.8mm SMD CHIP LED LAMP 1.6x0.8mm贴片发光二极
Kingbright, Corp.
KINGBRIGHT[Kingbright Corporation]
GHB-0603-R 1.6x0.8mm SMD CHIP LED LAMP 1.6x0.8mm贴片发光二极
International Light Technologies, Inc.
GILWAY[Gilway Technical Lamp]
APT1608SRCPRV 1.6X0.8mm SMD CHIP LED LAMP
KINGBRIGHT[Kingbright Corporation]
APHK1608PBC-A 1.6x0.8mm SMD CHIP LED LAMP
Kingbright Corporation.
KINGBRIGHT[Kingbright Corporation]
ZUR53W-1 1.6X0.8mm SMD CHIP LED LAMP
SunLED Corporation
APHM1608YCT 1.6x0.8mm SMD CHIP LED LAMP
KINGBRIGHT[Kingbright Corporation]
APHK1608VGC_Z APHK1608VGC-Z APHK1608VGC/Z 1.6x0.8mm SMD CHIP LED LAMP
Kingbright Corporation.
KINGBRIGHT[Kingbright Corporation]
APHK1608SYCK 1.6x0.8mm SMD CHIP LED LAMP
KINGBRIGHT[Kingbright Corporation]
APHK1608SYC 1.6x0.8mm SMD CHIP LED LAMP
KINGBRIGHT[Kingbright Corporation]
ZMO53W-3 1.6X0.8mm SMD CHIP LED LAMP
SunLED Corporation
 
 Related keyword From Full Text Search System
APT1608SEC interrupt APT1608SEC Mixed APT1608SEC Number APT1608SEC power APT1608SEC signal
APT1608SEC Output APT1608SEC 什么封装 APT1608SEC alldatasheet APT1608SEC uncooled cel APT1608SEC converter
 

 

Price & Availability of APT1608SEC

All Rights Reserved © IC-ON-LINE 2003 - 2022  

[Add Bookmark] [Contact Us] [Link exchange] [Privacy policy]
Mirror Sites :  [www.datasheet.hk]   [www.maxim4u.com]  [www.ic-on-line.cn] [www.ic-on-line.com] [www.ic-on-line.net] [www.alldatasheet.com.cn] [www.gdcy.com]  [www.gdcy.net]


 . . . . .
  We use cookies to deliver the best possible web experience and assist with our advertising efforts. By continuing to use this site, you consent to the use of cookies. For more information on cookies, please take a look at our Privacy Policy. X
0.058531999588013