Part Number Hot Search : 
1254A1 ACY23 2N2509A 14R1111 BZX55C BLW31 1N4003 B32344
Product Description
Full Text Search

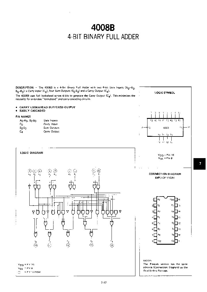
4008B - 4-BIT BINARY FULL ADDER

4008B_1199621.PDF Datasheet


 Full text search : 4-BIT BINARY FULL ADDER
 Product Description search : 4-BIT BINARY FULL ADDER


 Related Part Number
PART Description Maker
74F283 74F283SCX Binary Adder 二进制加法器
From old datasheet system
4-Bit Binary Full Adder with Fast Carry
Fairchild Semiconductor, Corp.
HCTS283MS HCTS283D_SAMPLE HCTS283DMSR HCTS283HMSR Radiation Hardened 4 Bit Binary Full Adder with Fast Carry HCT SERIES, 4-BIT ADDER/SUBTRACTOR, CDIP16
Intersil, Corp.
INTERSIL[Intersil Corporation]
5483ADM 7483APC 5483A 5483AFM 54LS83A 54LS83ADM 54 4-BIT BINARY FULL ADDER
FAIRCHILD[Fairchild Semiconductor]
4008B 4-BIT BINARY FULL ADDER
Fairchild Semiconductor Corporation
FAIRCHILD[Fairchild Semiconductor]
HD74AC283 HD74ACT283 4-bit Binary Full Adder with Fast Carry
HITACHI[Hitachi Semiconductor]
SN74LS83D SN74LS83N SN74LS83A SN74LS83AD SN74LS83A 4-BIT BINARY FULL ADDER WITH FAST CARRY
MOTOROLA[Motorola, Inc]
Motorola, Inc.
TC74AC283FN TC74AC283F TC74AC283P E004613 4-BIT BINARY FULL ADDER
From old datasheet system
Toshiba
HD74AC283ARPEL HD74AC283TELL HD74AC283AFPEL 4-bit Binary Full Adder with Fast Carry
Renesas Electronics Corporation
HCF4008 HCF4008M013TR HCF4008BEY 4000/14000/40000 SERIES, 4-BIT ADDER/SUBTRACTOR, PDIP16
4-BIT FULL ADDER WITH PARALLEL CARRY OUTPUT
4-BIT FULL ADDER WITH PARALLEL CARRY OUTPUT
STMicroelectronics
ST Microelectronics
HD14008 HD14008B D14008 HD14008BP    4-bit Full Adder
IC FULL ADDER QUAD 16DIP
HITACHI[Hitachi Semiconductor]
9344DC Binary 4-Bit by 2-Bit Full Multiplier
Fairchild Semiconductor
 
 Related keyword From Full Text Search System
4008B Corporate 4008B Bit 4008B igbt 4008B ultra 4008B Fairchild
4008B sonardyne 4008B silicon 4008B availability 4008B power suppiy 4008B Integrated
 

 

Price & Availability of 4008B

All Rights Reserved © IC-ON-LINE 2003 - 2022  

[Add Bookmark] [Contact Us] [Link exchange] [Privacy policy]
Mirror Sites :  [www.datasheet.hk]   [www.maxim4u.com]  [www.ic-on-line.cn] [www.ic-on-line.com] [www.ic-on-line.net] [www.alldatasheet.com.cn] [www.gdcy.com]  [www.gdcy.net]


 . . . . .
  We use cookies to deliver the best possible web experience and assist with our advertising efforts. By continuing to use this site, you consent to the use of cookies. For more information on cookies, please take a look at our Privacy Policy. X
0.37890195846558