Part Number Hot Search : 
G1374 AN7708SP SDR6K 09N03LA ON0471 SZ3GA240 82370 LT301
Product Description
Full Text Search

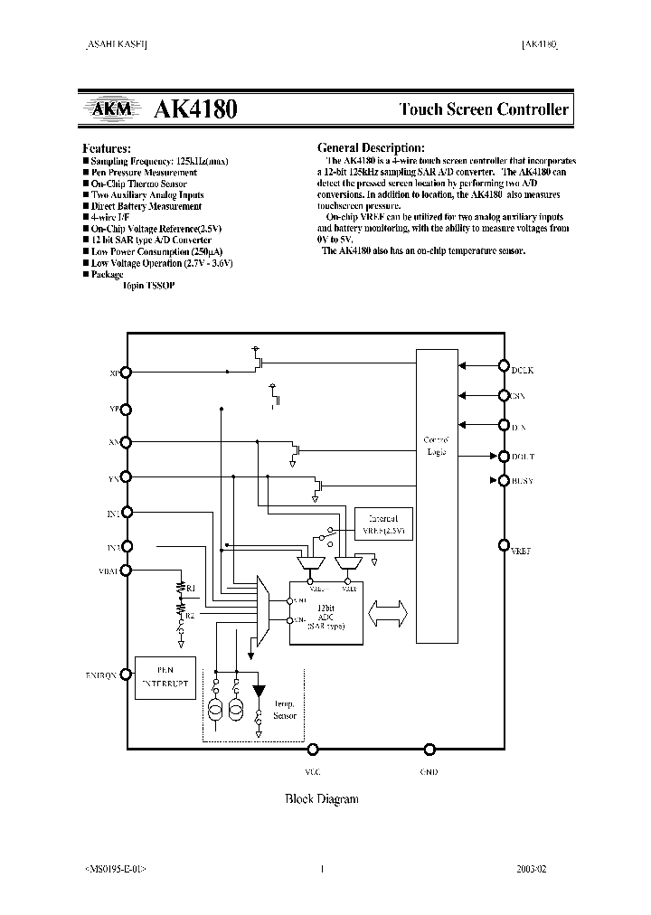
AK4180 - Touch Screen Controller

AK4180_958536.PDF Datasheet


 Full text search : Touch Screen Controller
 Product Description search : Touch Screen Controller


 Related Part Number
PART Description Maker
AP3892FNTR-G1 AP3891FNTR-G1 AP3890FNTR-G1 AP3890LF ENHANCED MULTI-TOUCH CAPACITIVE TOUCH SCREEN CONTROLLER
Diodes
UR7HCTS2-P840 UR7HCTS2-P840-FG UR7HCTS2-P High-Performance, Low Power PS/2 Touch Screen Controller/Digitizer(楂???斤?浣?????PS/2瑙??灞???у????板???浆?㈠?)
High-Performance, Low Power PS/2 Touch Screen Controller/Digitizer 高性能,低功耗的PS / 2触摸屏控制器/数字转换
High-Performance, Low Power PS/2 Touch Screen Controller/Digitizer(高性能,低功率,PS/2触摸屏幕控制数字化转换器) 高性能,低功耗的PS / 2触摸屏控制器/数字转换器(高性能,低功率,的PS / 2触摸屏幕控制数字化转换器
High-Performance/ Low Power PS/2 Touch Screen Controller/Digitizer
Semtech, Corp.
SEMTECH[Semtech Corporation]
APT7843OI APT7843 APT7843NI Touch Screen Controller
Anpec Electronics Corop...
ANPEC[Anpec Electronics Coropration]
AD7877ACPZ-500RL7 AD7877ACP-500RL7 AD7877ACP-REEL TOUCH SCREEN CONTROLLER
AD[Analog Devices]
MK712SILFTR MK712SILF MK71210 MK712SLF MK712SLFTR TOUCH SCREEN CONTROLLER
Integrated Device Technology
MK715R MK715RTR MK715 Touch Screen Controller
ICST[Integrated Circuit Systems]
BU21049GUL-E2 4-wire Resistive Touch Screen Controller
Rohm
AK4181AVT High linearity 4-wire touch screen controller
AKM
AKD4185 Low Power Touch Screen Controller with SPI Interface
Low Power Touch Screen Controller with SPI?/a> Interface
Asahi Kasei Microsystems
Asahi Kasei Microsystem...
AK4673EG Stereo CODEC with MIC/HP-AMP and Touch Screen Controller
Asahi Kasei Microsystems
STMPE811 STMPE811QTR STMPE811TTR 8-bit port expander with advanced touch screen controller
STMicroelectronics
 
 Related keyword From Full Text Search System
AK4180 Shunt AK4180 Device AK4180 ic资料网 AK4180 rectifier AK4180 pci endian mode
AK4180 port AK4180 synthesizer rom AK4180 circuit diagram AK4180 driver AK4180 Range
 

 

Price & Availability of AK4180

All Rights Reserved © IC-ON-LINE 2003 - 2022  

[Add Bookmark] [Contact Us] [Link exchange] [Privacy policy]
Mirror Sites :  [www.datasheet.hk]   [www.maxim4u.com]  [www.ic-on-line.cn] [www.ic-on-line.com] [www.ic-on-line.net] [www.alldatasheet.com.cn] [www.gdcy.com]  [www.gdcy.net]


 . . . . .
  We use cookies to deliver the best possible web experience and assist with our advertising efforts. By continuing to use this site, you consent to the use of cookies. For more information on cookies, please take a look at our Privacy Policy. X
0.34610891342163