Part Number Hot Search : 
38124E2 TDA5637B H25N20 1SS32107 ST62E30B 01ST7ST7 LTC3738 SEMIC
Product Description
Full Text Search

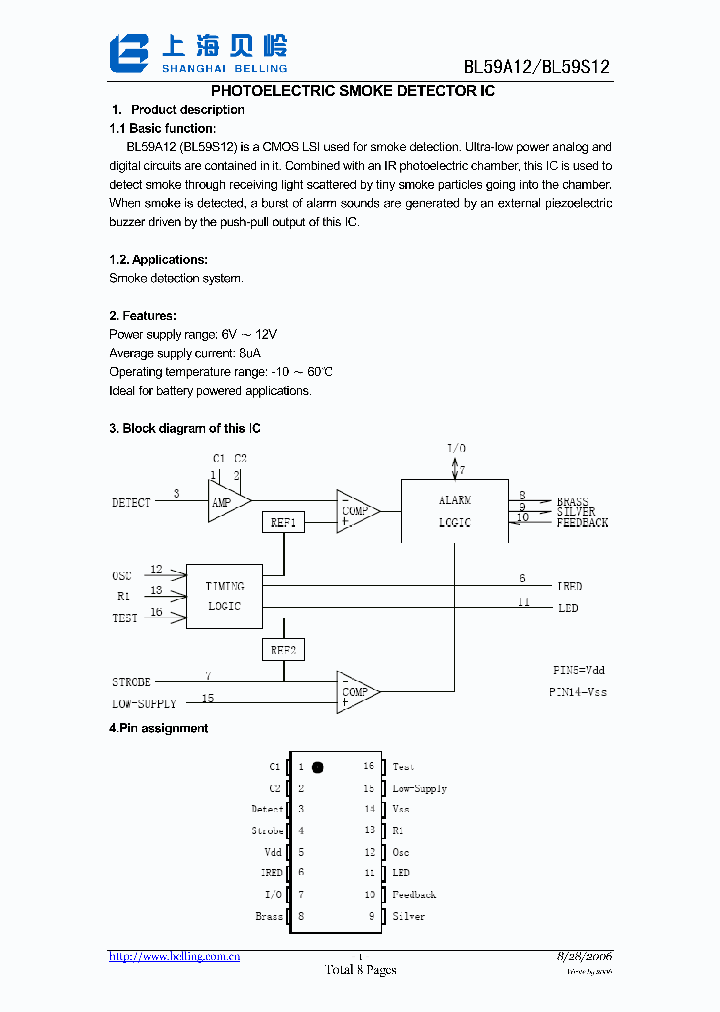
BL59S12 - PHOTOELECTRIC SMOKE DETECTOR IC

BL59S12_934191.PDF Datasheet


 Full text search : PHOTOELECTRIC SMOKE DETECTOR IC
 Product Description search : PHOTOELECTRIC SMOKE DETECTOR IC


 Related Part Number
PART Description Maker
M02-09-00 Intelligent Photoelectric Smoke Detector
Systemsensor advanced ideas.
MC146010ED MC146010EG MC146010 LOW POWER CMOS PHOTOELECTRIC SMOKE DETECTOR IC
Freescale Semiconductor, Inc
DNR Intelligent Non-Relay Photoelectric Duct Smoke Detector
Systemsensor advanced ideas.
RE46C141 CMOS Photoelectric Smoke Detector ASIC with Interconnect
Microchip Technology
MC14601207 MC146012ED MC146012 MCZ146012EG MCZ1460 Low Power CMOS Photoelectric Smoke Detector IC
Freescale Semiconductor...
FREESCALE[Freescale Semiconductor, Inc]
DH100ACDCLP 4-Wire Photoelectric Low-Flow Duct Smoke Detector
Systemsensor advanced ideas.
A5064 4-Wire Photoelectric Low-Flow Duct Smoke Detector
Systemsensor advanced ideas.
RE46C140 CMOS Photoelectric Smoke Detector ASIC with Interconnect and Timer Mode
Microchip Technology
RE46C140 CMOS Photoelectric Smoke Detector ASIC with Interconnect and Timer Mode
R & E International, Inc.
A5358CA-T A5358CLWTR-T The A5358 is a low-current BiCMOS circuit providing all of the required features for a photoelectric type smoke detector.
SPECIALTY ANALOG CIRCUIT, PDIP16
Allegro MicroSystems
 
 Related keyword From Full Text Search System
BL59S12 found BL59S12 filetype:pdf BL59S12 Datasheet BL59S12 filetype:pdf BL59S12 text
BL59S12 amplifier BL59S12 bookmark BL59S12 supply BL59S12 ic中文资料网 BL59S12 mosi program
 

 

Price & Availability of BL59S12

All Rights Reserved © IC-ON-LINE 2003 - 2022  

[Add Bookmark] [Contact Us] [Link exchange] [Privacy policy]
Mirror Sites :  [www.datasheet.hk]   [www.maxim4u.com]  [www.ic-on-line.cn] [www.ic-on-line.com] [www.ic-on-line.net] [www.alldatasheet.com.cn] [www.gdcy.com]  [www.gdcy.net]


 . . . . .
  We use cookies to deliver the best possible web experience and assist with our advertising efforts. By continuing to use this site, you consent to the use of cookies. For more information on cookies, please take a look at our Privacy Policy. X
0.060053110122681