Part Number Hot Search : 
4757A 2SA1296 GS1332E NTE4946 80FCD10B FR604 TSOP12 0051ZSNI
Product Description
Full Text Search

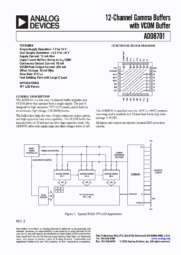
ADD8701ACP-REEL7 - Low Cost 16 V 12-Channel Buffer plus Integrated High Drive Amplifier

ADD8701ACP-REEL7_815897.PDF Datasheet


 Full text search : Low Cost 16 V 12-Channel Buffer plus Integrated High Drive Amplifier
 Product Description search : Low Cost 16 V 12-Channel Buffer plus Integrated High Drive Amplifier


 Related Part Number
PART Description Maker
AD8383ACPZ AD8383 Low Cost 10-Bit, 6-Channel Output Decimating LCD DecDriver LIQUID CRYSTAL DISPLAY DRIVER, QCC48
Low Cost 10-Bit, 6-Channel Output Decimating LCD DecDriver 低成0位,6通道输出液晶DecDriver元气
Low Cost 10-Bit, 6-Channel Output Decimating LCD DecDriver®
Analog Devices, Inc.
AD[Analog Devices]
MAX110-MAX111 MAX110BC/D MAX110BCAP MAX110BCPE MAX Low-Cost, 2-Channel, 4-Bit Serial ADCs 2-CH 14-BIT DELTA-SIGMA ADC, SERIAL ACCESS, UUC19
Low-Cost, 2-Channel, 4-Bit Serial ADCs 2-CH 14-BIT DELTA-SIGMA ADC, SERIAL ACCESS, PDIP16
Low-Cost, 2-Channel, 14-Bit Serial ADCs
Low-Cost / 2-Channel / 14-Bit Serial ADCs
Low-Cost, 2-Channel, ±14-Bit Serial ADCs
Maxim Integrated Products, Inc.
Maxim Integrated Produc...
AD7655ACPZRL AD7655ASTZRL AD7661 AD7660 Low Cost, 4-Channel, 1 MSPS 16-Bit PulSAR® A/D Converter; Package: LFCSP 7x7mm (5.25EP); No of Pins: 48; Temperature Range: Industrial 4-CH 16-BIT SUCCESSIVE APPROXIMATION ADC, SERIAL/PARALLEL ACCESS, QCC48
Low Cost, 4-Channel, 1 MSPS 16-Bit PulSAR® A/D Converter; Package: LQFP; No of Pins: 48; Temperature Range: Industrial 4-CH 16-BIT SUCCESSIVE APPROXIMATION ADC, SERIAL/PARALLEL ACCESS, PQFP48
Low Cost, 4-Channel, 16-Bit 1 MSPS PulSAR? ADC
   Low Cost, 4-Channel, 16-Bit 1 MSPS PulSAR? ADC
Analog Devices, Inc.
MC74LVX126 MC74LVX126D MC74LVX126M MC74LVX126MEL L Quad Bus Buffe With 5V−Tolerant Inputs
ONSEMI[ON Semiconductor]
ADA4862-3YRZ-RL ADA4862-3YRZ-RL7 High Speed, G = 2, Low Cost, Triple Op Amp 1 CHANNEL, VIDEO AMPLIFIER, PDSO14
High Speed, G = 2, Low Cost, Triple Op Amp 高速,G \u003d 2时,低成本,三重运算放大
Analog Devices, Inc.
AD73311ARS AD73311ARZ AD73311LARUZ-RL7 Low Cost/ Low Power CMOS General Purpose Analog Front End
Single-Channel, 3 V and 5 V Front-End Processor for General Purpose Applications Including Speech and Telephony; Package: SOIC - Wide; No of Pins: 20; Temperature Range: Industrial SPECIALTY TELECOM CIRCUIT, PDSO20
Low Cost, Low Power CMOS General Purpose Analog Front End
Analog Devices, Inc.
ST7MDT2 ST7MDT2-110 ST7MDT2-220 ST7MDT2-DVP ST7MDT A Low-Cost Development Package Including A Full Real-Time Emulation Board(低价格开发软件包)
MDT2-DVP LOW COST ST7 DEVELOPMENT KIT DATASHEET
MOSFET; Transistor Polarity:Dual N/P Channel; Drain Source Voltage, Vds:30V; Continuous Drain Current, Id:51A; On-Resistance, Rds(on):0.36ohm; Rds(on) Test Voltage, Vgs:10V; Package/Case:6-TSOP; Drain-Source Breakdown Voltage:30V
From old datasheet system
MDT2-DVP LOW COST ST7 DEVELOPMENT KIT DATASHEET
意法半导
STMICROELECTRONICS[STMicroelectronics]
ST Microelectronics
MAX708TEUA-T MAX708SCPA MAX706APEPA 3V Voltage Monitoring, Low-Cost, µP Supervisory Circuits 1-CHANNEL POWER SUPPLY SUPPORT CKT, PDSO8
1-CHANNEL POWER SUPPLY SUPPORT CKT, PDIP8
3V Voltage Monitoring, Low-Cost uP Supervisory Circuits
Maxim Integrated Products, Inc.
MAXIM INTEGRATED PRODUCTS INC
MAX9717 MAX9717AEUA MAX9717BEUA MAX9716 MAX9716EBL Low-Cost, Mono, 1.4W BTL Audio Power Amplifiers 1.4 W, 1 CHANNEL, AUDIO AMPLIFIER, DSO8
Low-Cost, Mono, 1.4W BTL Audio Power Amplifiers 低成本,单声道,1.4W输出功率桥接音频功率放大
Maxim Integrated Products, Inc.
MAXIM[Maxim Integrated Products]
MAXIM - Dallas Semiconductor
MAX6001 MAX6001EUR-T MAX6002 MAX6002EUR-T MAX6003 Low-Cost Low-Power Low-Dropout SOT23-3 Voltage References
" Low-Cost, Low-Power, Low-Dropout, SOT23-3 Voltage References"
Low-Cost / Low-Power / Low-Dropout / SOT23-3 Voltage References
Circular Connector; MIL SPEC:MIL-C-5015 E/F/R; Body Material:Metal; Series:MS3106E; Number of Contacts:3; Connector Shell Size:20; Connecting Termination:Solder; Circular Shell Style:Straight Plug; Body Style:Straight
MAXIM - Dallas Semiconductor
MAXIM[Maxim Integrated Products]
MAXIM INTEGRATED PRODUCTS INC
FMS6203_0611 FMS6203 FMS6203MTC1400 FMS6203MTC1400 Low-Cost 3-Channel Video Filter Driver for SD/PS/HD
FAIRCHILD[Fairchild Semiconductor]
MAX11508UUDT MAX11509 Low-Cost, 3-Channel, HD/PS/SD/BP Video Filters with Buffer
MAXIM - Dallas Semiconductor
 
 Related keyword From Full Text Search System
ADD8701ACP-REEL7 tdma modulator ADD8701ACP-REEL7 gain ADD8701ACP-REEL7 stock ADD8701ACP-REEL7 ic在线 ADD8701ACP-REEL7 Sipat
ADD8701ACP-REEL7 data ADD8701ACP-REEL7 silicon ADD8701ACP-REEL7 pwm ADD8701ACP-REEL7 Megabit ADD8701ACP-REEL7 motor
 

 

Price & Availability of ADD8701ACP-REEL7

All Rights Reserved © IC-ON-LINE 2003 - 2022  

[Add Bookmark] [Contact Us] [Link exchange] [Privacy policy]
Mirror Sites :  [www.datasheet.hk]   [www.maxim4u.com]  [www.ic-on-line.cn] [www.ic-on-line.com] [www.ic-on-line.net] [www.alldatasheet.com.cn] [www.gdcy.com]  [www.gdcy.net]


 . . . . .
  We use cookies to deliver the best possible web experience and assist with our advertising efforts. By continuing to use this site, you consent to the use of cookies. For more information on cookies, please take a look at our Privacy Policy. X
0.21065902709961