Part Number Hot Search : 
R1001 RBV1010D LM300 FS7UM 00000 RC2004C 1G126 GL2137
Product Description
Full Text Search

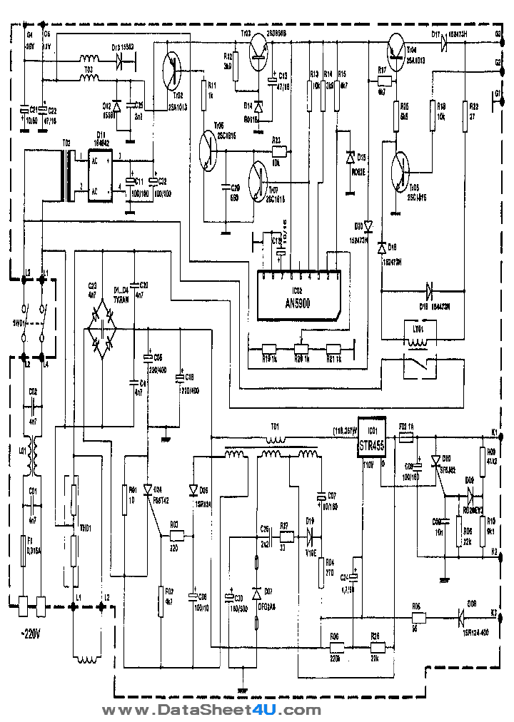
STR455 - STR455 Circuit

STR455_791539.PDF Datasheet

 
Part No. STR455
Description STR455 Circuit

File Size 103.85K  /  2 Page  

Maker


ETC



JITONG TECHNOLOGY
(CHINA HK & SZ)
Datasheet.hk's Sponsor

Part: STR455
Maker: SANKEN
Pack: TO-3
Stock: 532
Unit price for :
    50: $2.88
  100: $2.74
1000: $2.59

Email: oulindz@gmail.com

Contact us

Homepage
Download [ ]
[ STR455 Datasheet PDF Downlaod from Datasheet.HK ]
[STR455 Datasheet PDF Downlaod from Maxim4U.com ] :-)


[ View it Online ]   [ Search more for STR455 ]

[ Price & Availability of STR455 by FindChips.com ]

 Full text search : STR455 Circuit
 Product Description search : STR455 Circuit


 Related Part Number
PART Description Maker
STR455 STR455 Circuit
ETC
RN2001 RN2002 RN2003 RN2005 RN2006 RN2004 Transistor Silicon PNP Epitaxial Type (PCT Process) Switching, Inverter Circuit, Interface Circuit And Driver Circuit Applications
Switching/ Inverter Circuit/ Interface Circuit And Driver Circuit Applications
Switching Inverter Circuit Interface Circuit And Driver Circuit Applications
TOSHIBA[Toshiba Semiconductor]
BCR169W From old datasheet system
PNP Silicon Digital Transistor (Switching circuit, inverter, interface circuit, driver circuit)
SIEMENS[Siemens Semiconductor Group]
Infineon
BCR166W From old datasheet system
PNP Silicon Digital Transistor (Switching circuit, inverter, interface circuit, driver circuit)
SIEMENS[Siemens Semiconductor Group]
Infineon
Q62702-C2259 BCR142 From old datasheet system
NPN Silicon Digital Transistor (Switching circuit, inverter, interface circuit, drver circuit)
SIEMENS[Siemens Semiconductor Group]
Infineon
BCR196 From old datasheet system
PNP Silicon Digital Transistor (Switching circuit, inverter, interface circuit, driver circuit)
SIEMENS[Siemens Semiconductor Group]
RN1970 E002640 SWITCHING, INVERTER CIRCUIT, INTERFACE CIRCUIT AND DRIVER CIRCUIT APPLICATONS
From old datasheet system
Toshiba
RN2408 RN2407 E002660 SWITCHING, INVERTER CIRCUIT, INTERFACE CIRCUIT AND DRIVER CIRCUIT APPLICATIONS
From old datasheet system
Toshiba
RN1312 E002616 SWITCHING, INVERTER CIRCUIT, INTERFACE CIRCUIT AND DRIVER CIRCUIT APPLICATIONS
From old datasheet system
Toshiba
RN1963 RN1961 E002638 RN1966 RN1962 SWITCHING, INVERTER CIRCUIT, INTERFACE CIRCUIT AND DRIVER CIRCUIT APPLICATIONS
From old datasheet system
Toshiba
RN4904 E002695 SWITCHING, INVERTER CIRCUIT, INTERFACE CIRCUIT AND DRIVER CIRCUIT APPLICATIONS
From old datasheet system
Toshiba
RN1109F RN1107F EE09048 SWITCHING, INVERTER CIRCUIT, INTERFACE CIRCUIT AND DRIVER CIRCUIT APPLICATIONS
From old datasheet system
Toshiba
 
 Related keyword From Full Text Search System
STR455 filetype:pdf STR455 описание STR455 terminal STR455 terminals description STR455 circuit board
STR455 Server STR455 stmicroelectronics STR455 terminal STR455 sfp configuration STR455 Filter
 

 

Price & Availability of STR455

All Rights Reserved © IC-ON-LINE 2003 - 2022  

[Add Bookmark] [Contact Us] [Link exchange] [Privacy policy]
Mirror Sites :  [www.datasheet.hk]   [www.maxim4u.com]  [www.ic-on-line.cn] [www.ic-on-line.com] [www.ic-on-line.net] [www.alldatasheet.com.cn] [www.gdcy.com]  [www.gdcy.net]


 . . . . .
  We use cookies to deliver the best possible web experience and assist with our advertising efforts. By continuing to use this site, you consent to the use of cookies. For more information on cookies, please take a look at our Privacy Policy. X
0.063565015792847