Part Number Hot Search : 
1200100 SG3544DW 653615 LC4256V AS50401 K3505 527184XW NJM324D
Product Description
Full Text Search

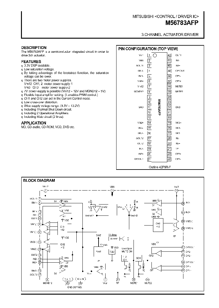
M56783 - 3 CHANNEL ACTUATOR DRIVER

M56783_772960.PDF Datasheet

 
Part No. M56783 M56783AFP
Description 3 CHANNEL ACTUATOR DRIVER

File Size 428.91K  /  13 Page  

Maker

MITSUBISHI[Mitsubishi Electric Semiconductor]



JITONG TECHNOLOGY
(CHINA HK & SZ)
Datasheet.hk's Sponsor

Part: M56781
Maker: MITSUBIS(三菱)
Pack: SMD
Stock: 2108
Unit price for :
    50: $2.03
  100: $1.93
1000: $1.83

Email: oulindz@gmail.com

Contact us

Homepage
Download [ ]
[ M56783 M56783AFP Datasheet PDF Downlaod from Datasheet.HK ]
[M56783 M56783AFP Datasheet PDF Downlaod from Maxim4U.com ] :-)


[ View it Online ]   [ Search more for M56783 ]

[ Price & Availability of M56783 by FindChips.com ]

 Full text search : 3 CHANNEL ACTUATOR DRIVER
 Product Description search : 3 CHANNEL ACTUATOR DRIVER


 Related Part Number
PART Description Maker
BH6518FS Optical Disc LSIs > Motor/Actuator driver > CD/CD-ROM driver(4ch)
4-CHANNEL PWM DRIVER FOR CD AND MD PLAYERS
Rohm CO.,LTD.
BA5941FP A5800724 Optical Disc LSIs > Motor/Actuator driver > CD/CD-ROM driver(4ch)
4-channel BTL driver for CD players
From old datasheet system
Rohm
BA5912 BA5912AFP-Y A5800721 Optical Disc LSIs > Motor/Actuator driver > CD/CD-ROM driver(1ch-3ch)
From old datasheet system
2-channel BTL driver for CD players
ROHM[Rohm]
Rohm CO.,LTD.
LA6565 Five-Channel CD Actuator Driver
Sanyo Semicon Device
M56788AFP 5 CHANNEL ACTUATOR DRIVER
Renesas Electronics Corporation
BA5813FM 5 Channel Drivers/Regulator for car Mini Disk
Optical Disc LSIs > Motor/Actuator driver > CD/CD-ROM driver(5ch,6ch)
List of Unclassifed Manufacturers
ROHM
M56749 4 CHANNEL ACTUATOR MOTOR DRIVER
Mitsubishi Electric Semiconductor
M56753FP M56753E From old datasheet system
2-CHANNEL ACTUATOR MOTOR DRIVER
MITSUBISHI[Mitsubishi Electric Semiconductor]
BA5960FS    5 Channel Driver for with Regulator
Optical Disc LSIs > Motor/Actuator driver > CD/CD-ROM driver(5ch,6ch)
DISK DRIVE MOTOR CONTROLLER, 1 A, PDSO54
ROHM
BA5994FM Optical Disc LSIs > Motor/Actuator driver > CD/CD-ROM driver(4ch)
ROHM
 
 Related keyword From Full Text Search System
M56783 audio M56783 Bipolar M56783 Resistor M56783 video monitor M56783 sensor
M56783 Battery MCU M56783 microcontroller M56783 single M56783 package M56783 Byte
 

 

Price & Availability of M56783

All Rights Reserved © IC-ON-LINE 2003 - 2022  

[Add Bookmark] [Contact Us] [Link exchange] [Privacy policy]
Mirror Sites :  [www.datasheet.hk]   [www.maxim4u.com]  [www.ic-on-line.cn] [www.ic-on-line.com] [www.ic-on-line.net] [www.alldatasheet.com.cn] [www.gdcy.com]  [www.gdcy.net]


 . . . . .
  We use cookies to deliver the best possible web experience and assist with our advertising efforts. By continuing to use this site, you consent to the use of cookies. For more information on cookies, please take a look at our Privacy Policy. X
0.34533882141113