Part Number Hot Search : 
H1302 SI4501 AD669BRZ TC4429 IRFE9220 AP9685M AA3020 ETB9F000
Product Description
Full Text Search

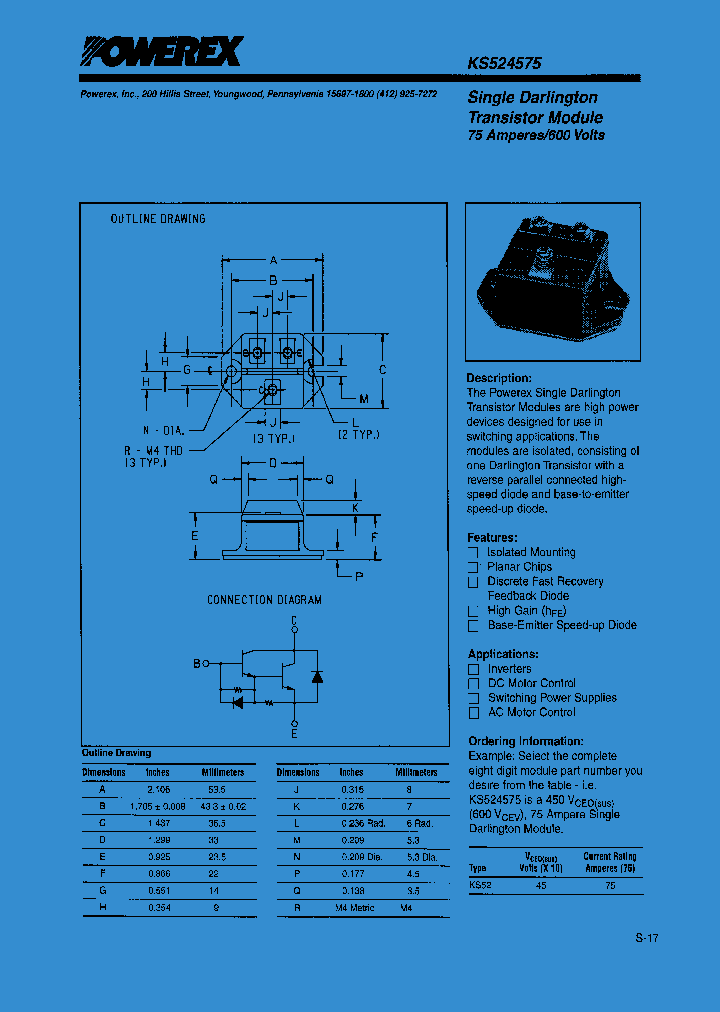
KS524575 - Single Darlington Transistor Module (75 Amperes/600 Volts)

KS524575_773819.PDF Datasheet


 Full text search : Single Darlington Transistor Module (75 Amperes/600 Volts)
 Product Description search : Single Darlington Transistor Module (75 Amperes/600 Volts)


 Related Part Number
PART Description Maker
2SD2309A 2SC3800 2SC3800Q 2SC3800R 2SD2011A 2SD230 TRANSISTOR | BJT | DARLINGTON | NPN | 60V V(BR)CEO | 4A I(C) | SIP
TRANSISTOR | BJT | NPN | 150V V(BR)CEO | 50MA I(C) | TO-92
SC70/µDFN, Single/Dual Low-Voltage, Low-Power µP Reset Circuits
TRANSISTOR | BJT | DARLINGTON | NPN | 100V V(BR)CEO | 2A I(C) | SIP 晶体管|晶体管|达林顿|叩| 100V的五(巴西)总裁|甲一(c)|园区
TRANSISTOR | BJT | DARLINGTON | NPN | 80V V(BR)CEO | 4A I(C) | SIP 晶体管|晶体管|达林顿|叩| 80V的五(巴西)总裁| 4A条一(c)|园区
TRANSISTOR | BJT | DARLINGTON | PNP | 100V V(BR)CEO | 2A I(C) | SIP 晶体管|晶体管|达林顿|进步党| 100V的五(巴西)总裁|甲一(c)|园区
TRANSISTOR | BJT | DARLINGTON | NPN | 100V V(BR)CEO | 2A I(C) | TO-92
Avago Technologies, Ltd.
Atmel, Corp.
HIROSE ELECTRIC Co., Ltd.
2N999 ST640 ST646 FT359 TRANSISTOR | BJT | DARLINGTON | NPN | 60V V(BR)CEO | 500MA I(C) | CAN
TRANSISTOR | BJT | DARLINGTON | NPN | 60V V(BR)CEO | 10A I(C) | TO-3
TRANSISTOR | BJT | DARLINGTON | PNP | 80V V(BR)CEO | 10A I(C) | TO-3 晶体管|晶体管|达林顿|进步党| 80V的五(巴西)总裁| 10A条一(c)|3
TRANSISTOR | BJT | DARLINGTON | NPN | 350V V(BR)CEO | 15A I(C) | TO-3
STMicroelectronics N.V.
KS621260 SINGLE DARLINGTON TRANSISTOR MODULE
Powerex Power Semiconductors
6DI50B-050 6DI50B050 1DI200A140 2DI100A140 2DI30A1 TRANSISTOR | BJT POWER MODULE | 3-PH BRIDGE | DARLINGTON | 600V V(BR)CEO | 15A I(C)
5-Pin, Multiple-Input, Programmable Reset ICs
TRANSISTOR | BJT POWER MODULE | HALF BRIDGE | DARLINGTON | 1.4KV V(BR)CEO | 100A I(C)
TRANSISTOR | BJT POWER MODULE | DARLINGTON | 1.4KV V(BR)CEO | 200A I(C)
4-Wire Interfaced, 2.7V to 5.5V, 4-Digit 5 x 7 Matrix LED Display Driver
Bipolar Transistor Modules
Fuji Electric Co., Ltd.
D67FP7100 D67FP D67FP5100 D67FP6100 Fast Switching Single Darlington Transistor Module
Powerex Power Semicondu...
POWEREX[Powerex Power Semiconductors]
D64EV Fast Switching Single Darlington Transistor Module
Powerex Power Semicondu...
POWEREX[Powerex Power Semiconductors]
FZT705 FZT705TC FZT704TA FZT705TA FZT704    SOT223 PNP SILICON PLANAR MEDIUM POWER DARLINGTON TRANSISTOR
PNP Darlington Transistor
Discrete - Bipolar Transistors - Darlington Transistors
List of Unclassifed Manufac...
List of Unclassifed Manufacturers
Diodes Incorporated
http://
Diodes Inc.
Zetex Semiconductors
KS221K15 Single Darlington Transistor Module (150 Amperes/1000 Volts)
POWEREX[Powerex Power Semiconductors]
MPSA12DA MPSA12DB MPSA12DC MPSA42DB MPSA42DC MPSA4 TRANSISTOR | BJT | PNP | 150V V(BR)CEO | CHIP 晶体管|晶体管|进步党| 150伏五(巴西)总裁|芯片
TRANSISTOR | BJT | DARLINGTON | NPN | 60V V(BR)CEO | CHIP 晶体管|晶体管|达林顿|叩| 60V的五(巴西)总裁|芯片
TRANSISTOR | BJT | NPN | 140V V(BR)CEO | CHIP 晶体管|晶体管| npn型| 140伏特五(巴西)总裁|芯片
TRANSISTOR | BJT | PNP | 300V V(BR)CEO | CHIP
TRANSISTOR | BJT | DARLINGTON | NPN | 30V V(BR)CEO | CHIP
TRANSISTOR | BJT | NPN | 300V V(BR)CEO | CHIP
TRANSISTOR|BJT|DARLINGTON|NPN|CHIP
TRANSISTOR|BJT|DARLINGTON|NPN|30VV(BR)CEO|CHIP
Zetex Semiconductor PLC
Central Semiconductor, Corp.
Cypress Semiconductor, Corp.
2SC5476 3 A, 85 V, NPN, Si, POWER TRANSISTOR
NPN Epitaxial Planar Silicon Darlington Transistor
Darlington Transistors
Sanyo
 
 Related keyword From Full Text Search System
KS524575 Semiconductors KS524575 mosi program KS524575 texas KS524575 high-speed usb KS524575 Mode
KS524575 power KS524575 panasonic KS524575 crystal KS524575 free down KS524575 instruments
 

 

Price & Availability of KS524575

All Rights Reserved © IC-ON-LINE 2003 - 2022  

[Add Bookmark] [Contact Us] [Link exchange] [Privacy policy]
Mirror Sites :  [www.datasheet.hk]   [www.maxim4u.com]  [www.ic-on-line.cn] [www.ic-on-line.com] [www.ic-on-line.net] [www.alldatasheet.com.cn] [www.gdcy.com]  [www.gdcy.net]


 . . . . .
  We use cookies to deliver the best possible web experience and assist with our advertising efforts. By continuing to use this site, you consent to the use of cookies. For more information on cookies, please take a look at our Privacy Policy. X
0.059705972671509